GM Service Manual Online
For 1990-2009 cars only
Makes
🢒
GMC_Truck
🢒
2000
🢒
GMC MD Steel Tilt (W Model)
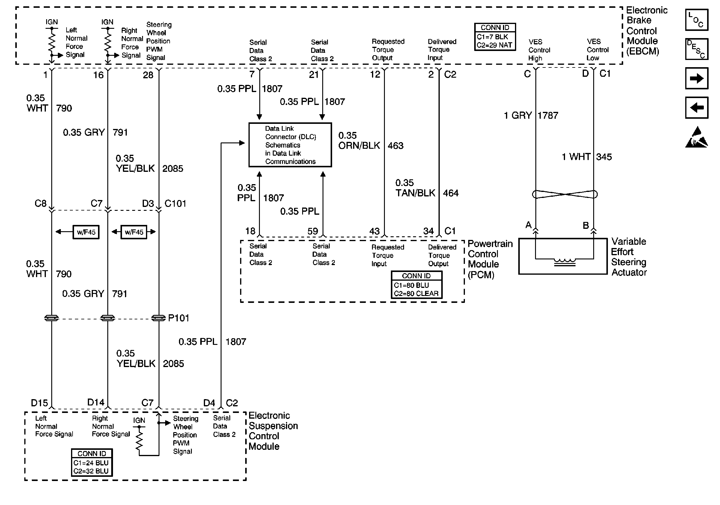
🢒 Suspension Inputs, Class 2, Traction Control, and Variable Effort Steering
Suspension Inputs, Class 2, Traction Control, and Variable Effort Steering
Suspension Inputs, Class 2, Traction Control, and Variable Effort Steering
ABS Components
ABS Description
Indicators and Traction Control Switch
Vehicle Stability Enhancement System (w/JL4)
Handling ESD Sensitive Parts Notice
Serial Data Class 2 (1 of 3)