GM Service Manual Online
For 1990-2009 cars only
Makes
🢒
GMC_Truck
🢒
2003
🢒
GMC MD Steel Tilt (W Model)
🢒 Data Link Schematics
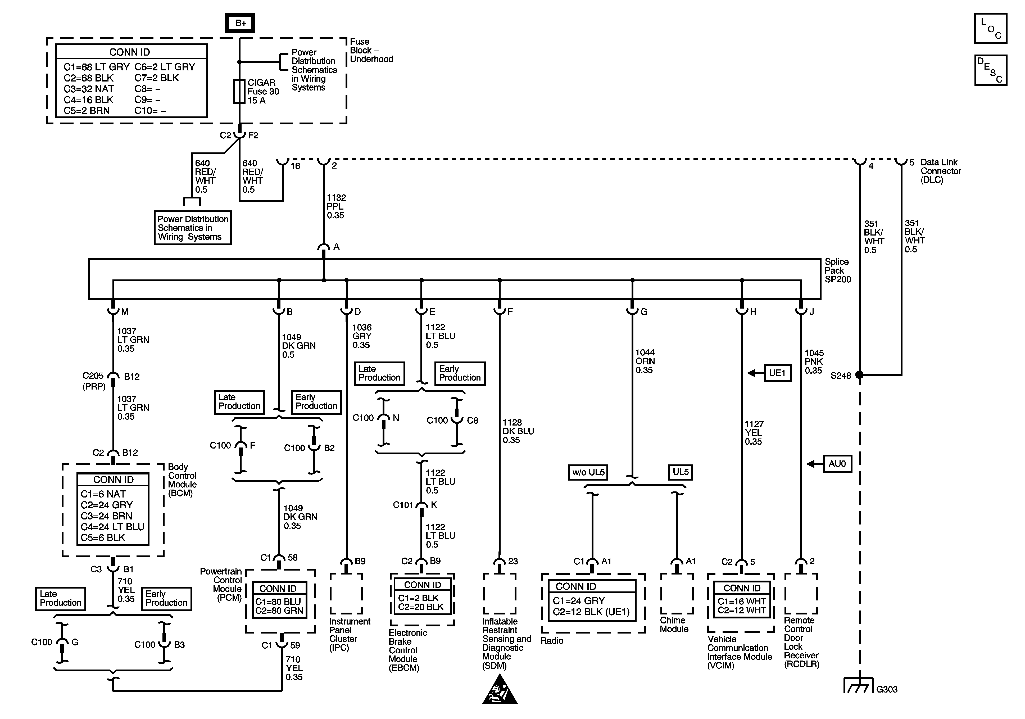
Data Link Schematics
Master Electrical Component List
Data Link Communications Description and Operation
PCM BAT, ABS, TRLR, BLOW, STOP LP, IPC, AUX PWR, and CIGAR Fuses
SIR Caution for Zoning
G303, and G304