GM Service Manual Online
For 1990-2009 cars only
Makes
🢒
GMC_Truck
🢒
2003
🢒
GMC MD Steel Tilt (W Model)
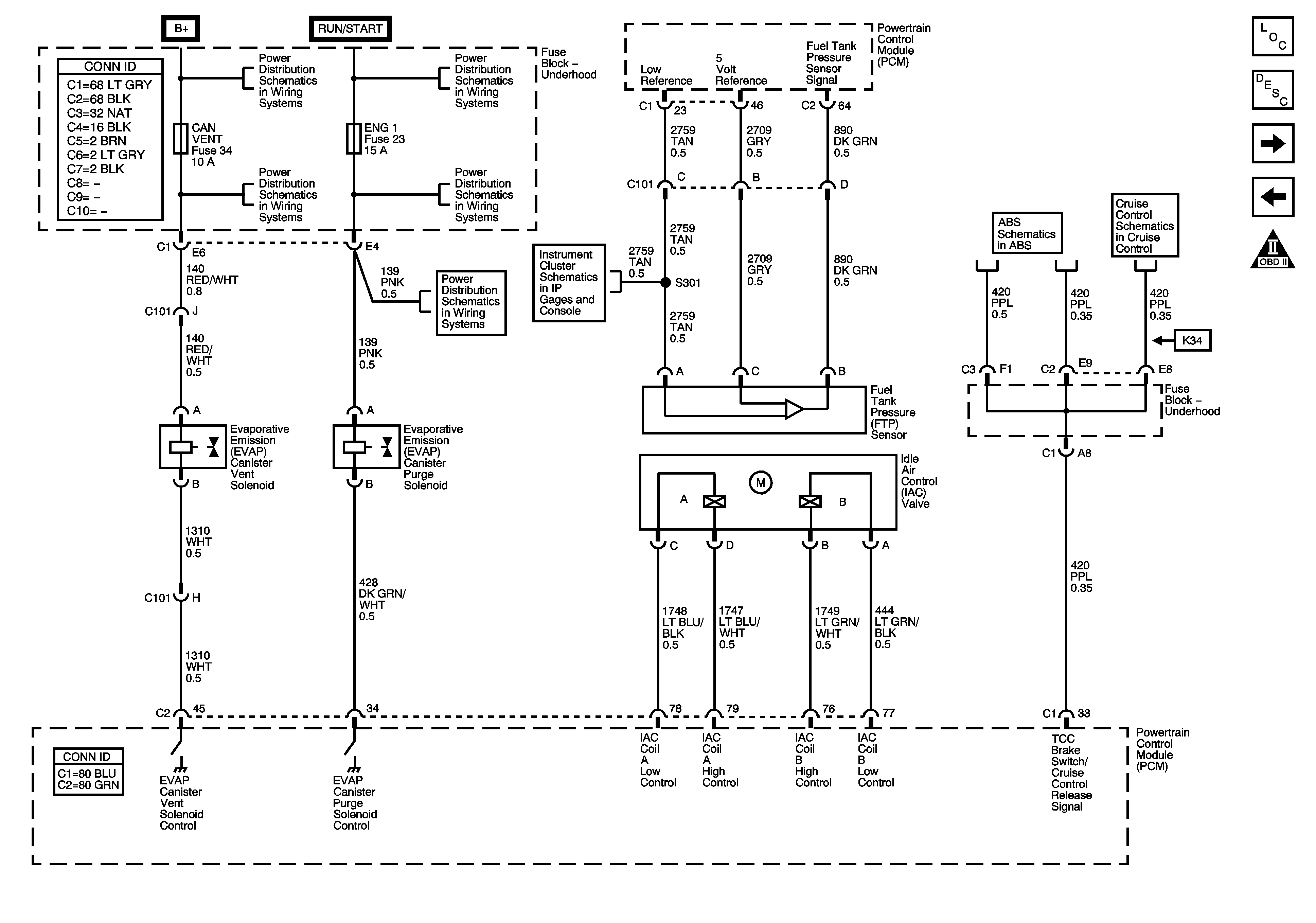
🢒 Fuel and Device Controls
Fuel and Device Controls
Fuel, EVAP, and Device Controls
Master Electrical Component List
Powertrain Control Module Description
Controlled/Monitored Subsystem, and Transmission - A/T References
Fuel Injection Controls
OBD II Symbol Description Notice
B+ Bus - Underhood Fuse Block
ENG 1, and ENG 2 Fuses - 4.3L
ENG 1, and ENG 2 Fuses - 4.3L
TRLR STOP/TRN, CAN VENT,LH-LOBM, RH-LOBM, LH-HIBM, and RH-HIBM Fuses
Gages
Power, Ground, DLC and Indicator
Cruise Control
ENG 1, and ENG 2 Fuses - 4.3L