GM Service Manual Online
For 1990-2009 cars only
Makes
🢒
GMC_Truck
🢒
2003
🢒
GMC MD Steel Tilt (W Model)
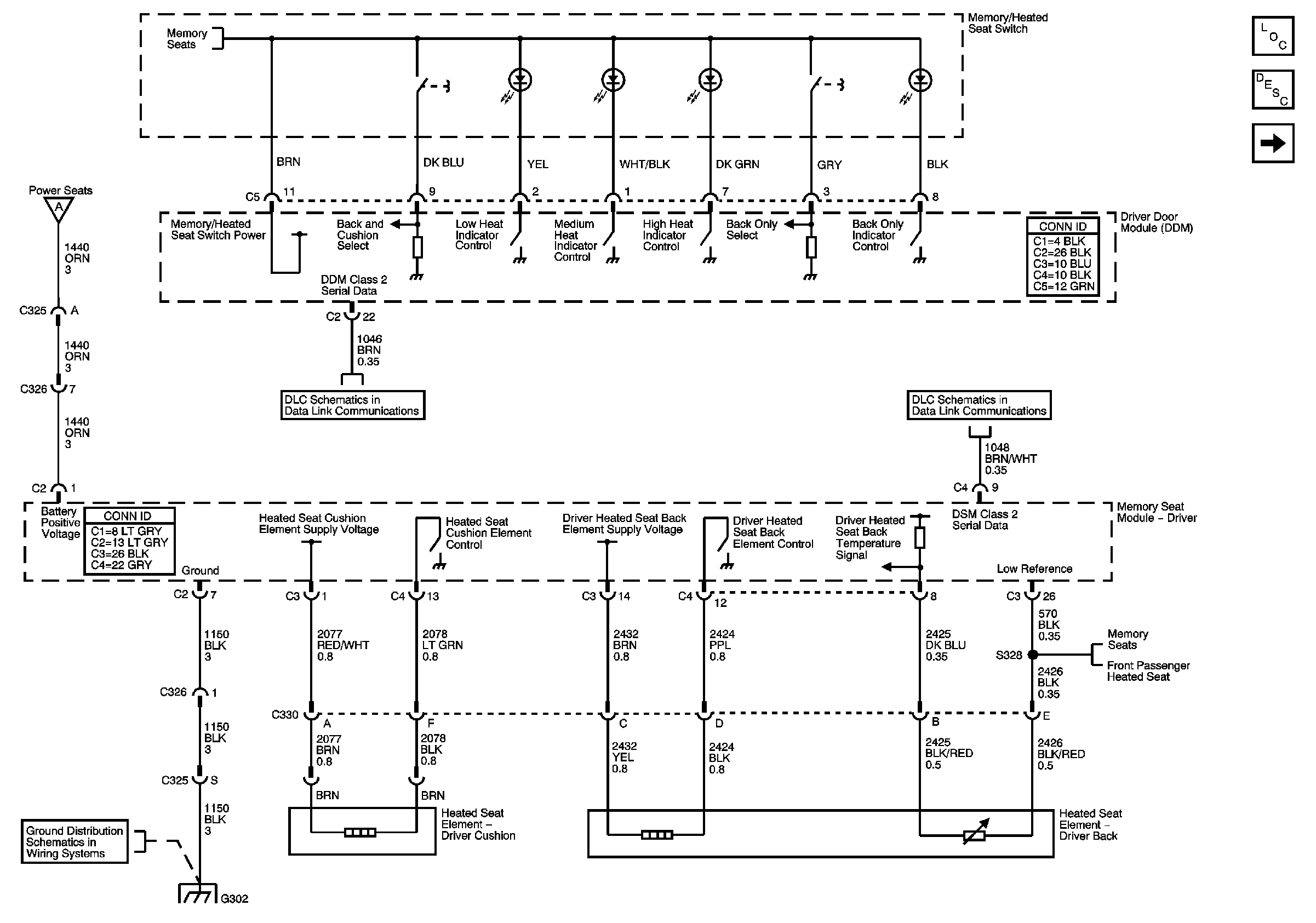
🢒 Driver Heated Seat
Driver Heated Seat
Driver Heated Seat
Master Electrical Component List
Heated Seats Description and Operation Front
Front Passenger Heated Seat
Power Seats Schematics
Driver Memory Seat and Memory Switch
Power, Ground, DLC, and Splice Pack SP205
Splice Pack SP206, SP207 and Dedicated TAC Serial Data Circuits
Driver Memory Lumbar, Torso Bolster and Recline
Front Passenger Heated Seat
G302, G304, and G306