GM Service Manual Online
For 1990-2009 cars only
Makes
🢒
GMC_Truck
🢒
2003
🢒
GMC MD Steel Tilt (W Model)
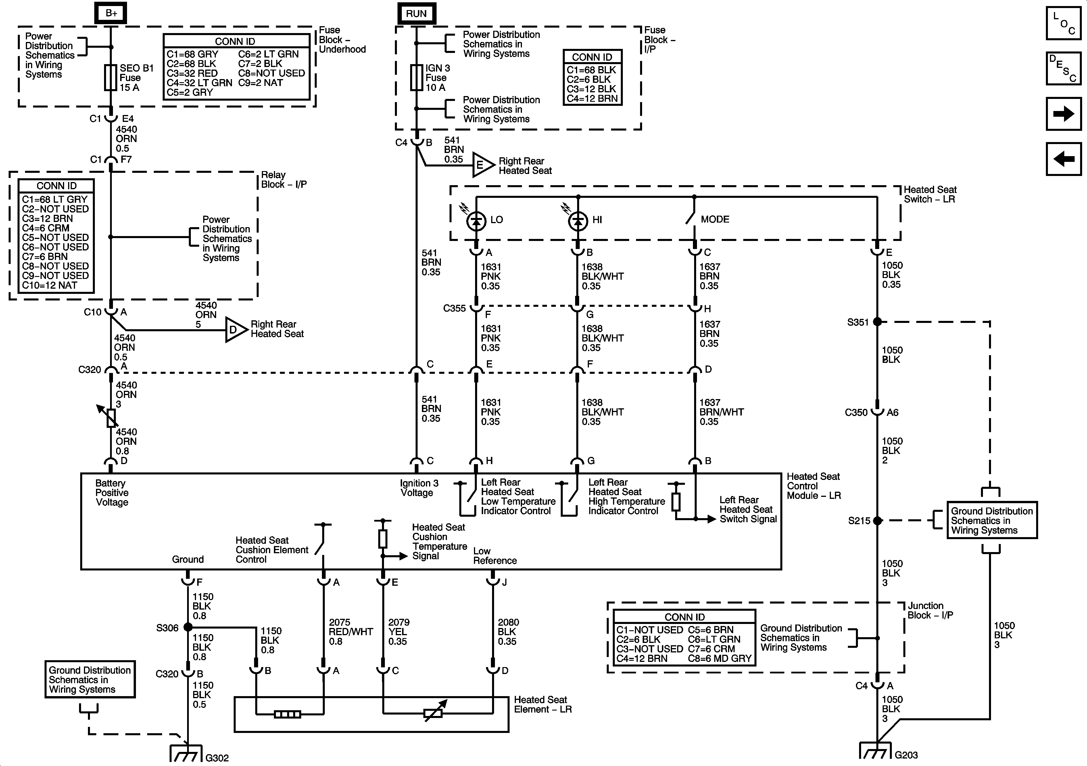
🢒 Left Rear Heated Seat
Left Rear Heated Seat
Left Rear Heated Seat
Master Electrical Component List
Heated Seats Description and Operation Front
Right Rear Heated Seat
Front Passenger Heated Seat
B+ Bus
ACCY/RUN/START, RUN, and START Bus Bars, CRANK Fuse
BRAKE, 4WD, CRUISE, HVAC I, and IGN 3 Fuses
PCMB, TREC, IPC/DIC, TBC BATT, SEO B1, SEO B2, and HVAC/ECAS Fuses
Right Rear Heated Seat
Right Rear Heated Seat
CKT 1050, S203, S215, S302, S303, and S351
CKT 1050, S203, S215, S302, S303, and S351
G302, G304, and G306