GM Service Manual Online
For 1990-2009 cars only
Makes
🢒
GMC_Truck
🢒
2003
🢒
GMC MD Steel Tilt (W Model)
🢒 Power Windows
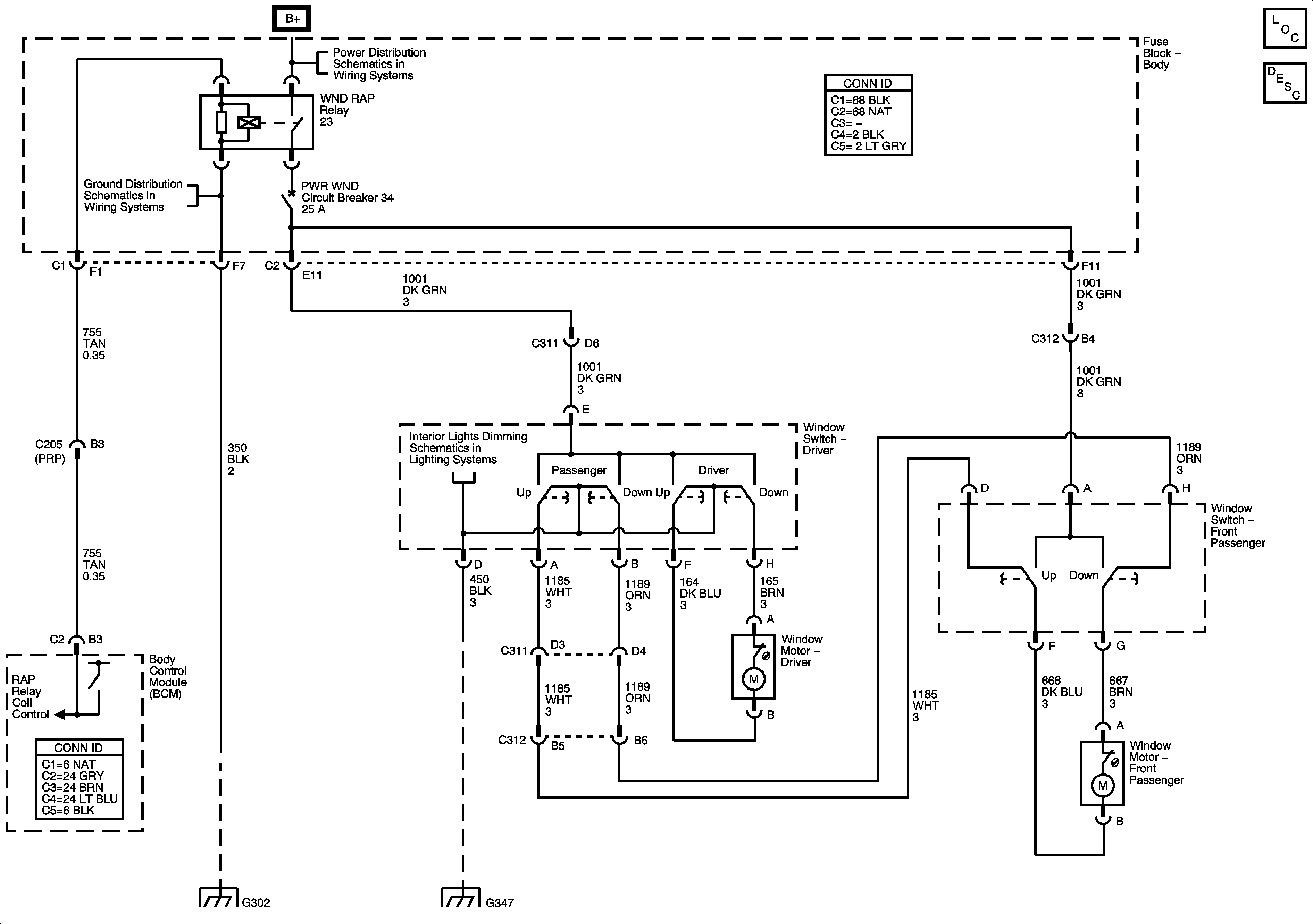
Power Windows
Master Electrical Component List
Power Windows Description and Operation
B+ Bus - Body Fuse Block
G103, G104, G105, G106, G300, and G301
Controls and Backlighting - 2 of 3
Splice Pack SP347, and G347 - 1 of 3
G302