GM Service Manual Online
For 1990-2009 cars only
Makes
🢒
GMC_Truck
🢒
2003
🢒
GMC MD Steel Tilt (W Model)
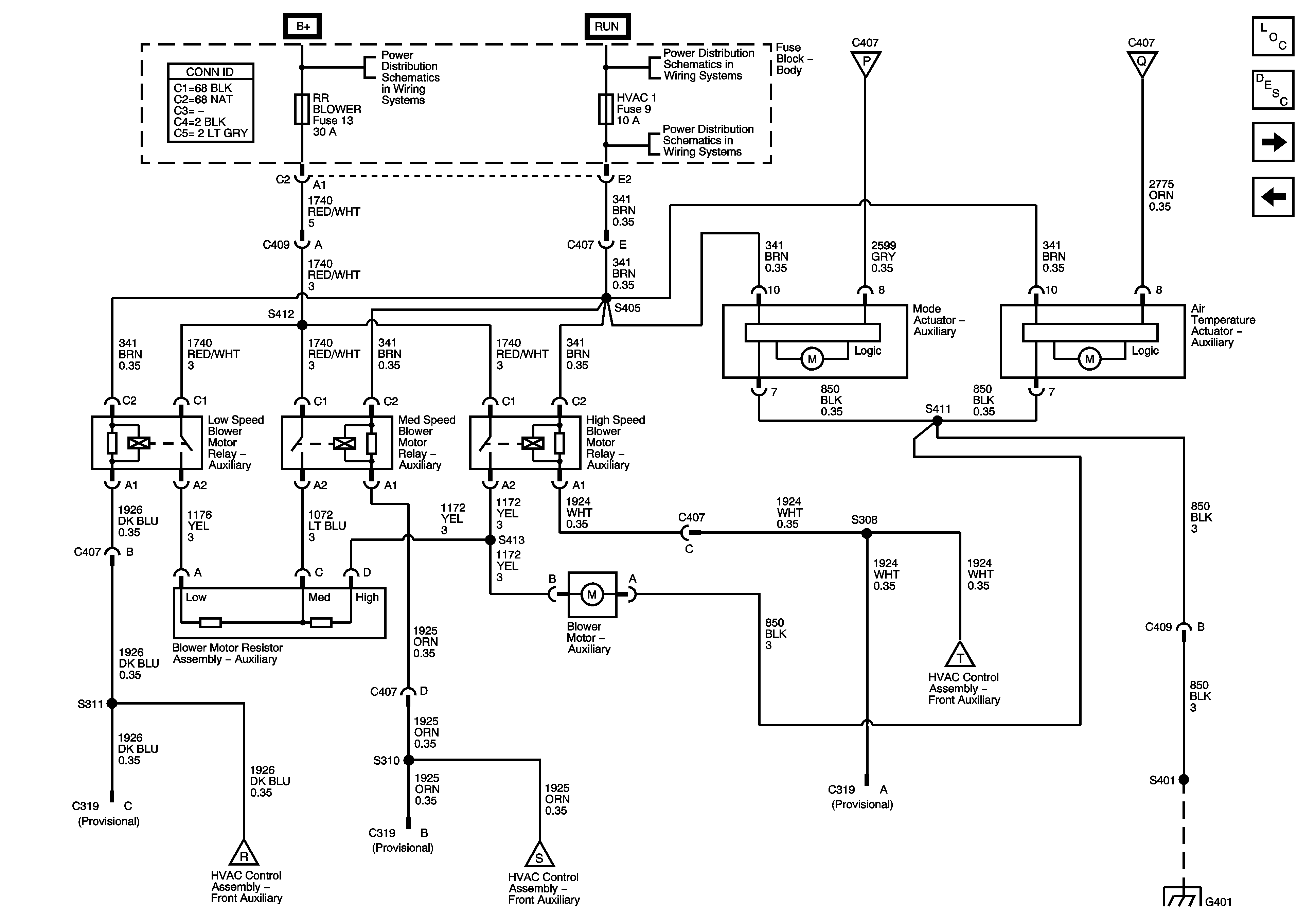
🢒 Rear HVAC w/o Rear Auxiliary Controls 2 of 2 (C69)
Rear HVAC w/o Rear Auxiliary Controls 2 of 2 (C69)
Rear HVAC w/o Rear Auxiliary Controls 2 of 2 (C69)
Master Electrical Component List
Air Temperature Description and Operation
Rear HVAC (C36)
Rear HVAC w/o Rear Auxiliary Controls 1 of 2 (C69)
B+ Bus - Body Fuse Block
IGN A Fuse
HVAC 1 Fuse
Rear HVAC w/o Rear Auxiliary Controls 1 of 2 (C69)
Rear HVAC w/o Rear Auxiliary Controls 1 of 2 (C69)
Rear HVAC w/o Rear Auxiliary Controls 1 of 2 (C69)
Rear HVAC w/o Rear Auxiliary Controls 1 of 2 (C69)
Rear HVAC w/o Rear Auxiliary Controls 1 of 2 (C69)
G401 (Passenger/Cargo)