GM Service Manual Online
For 1990-2009 cars only
Makes
🢒
GMC_Truck
🢒
2004
🢒
GMC MD Steel Tilt (W Model)
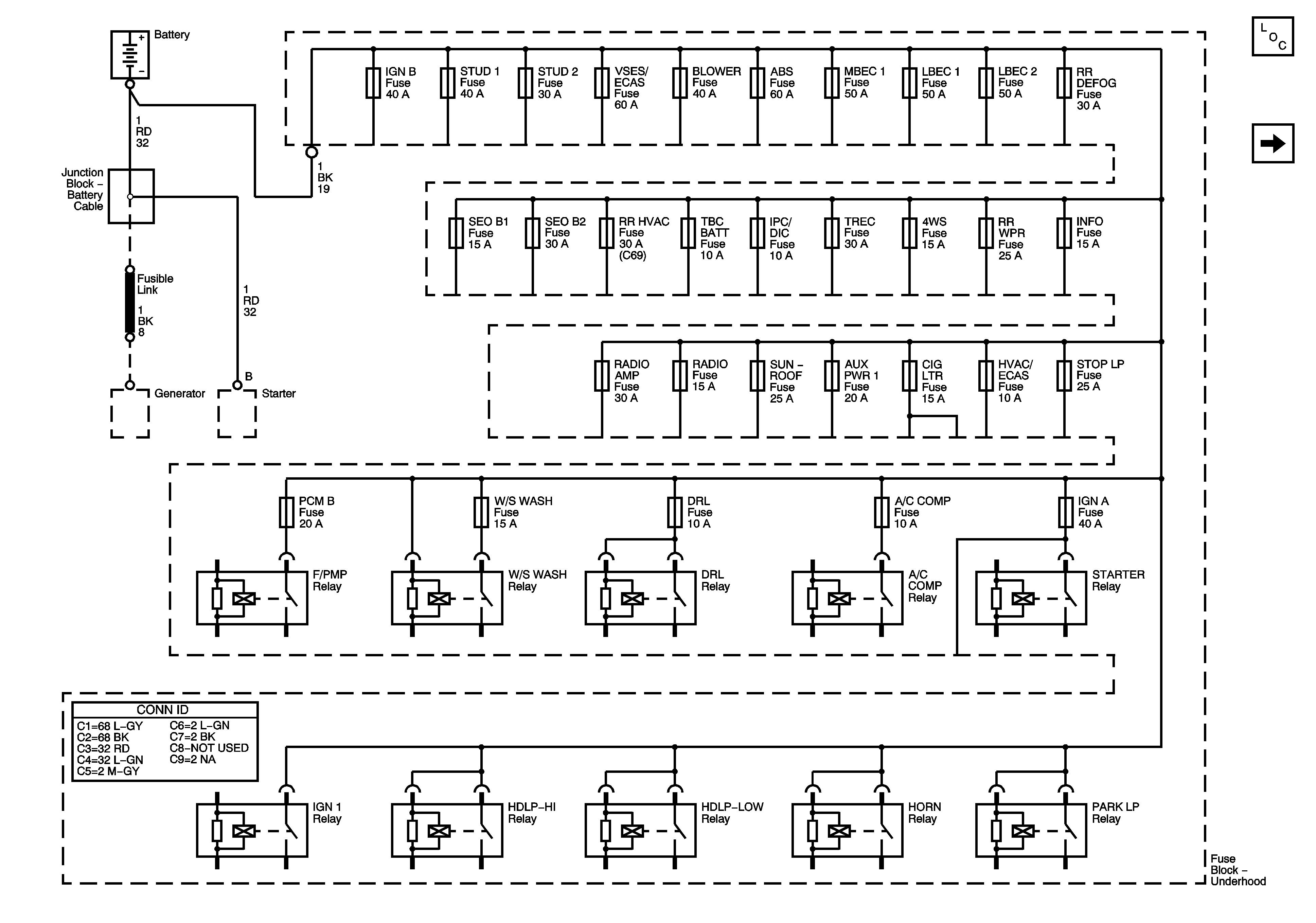
🢒 B+Bus
B+Bus
B+ Bus
Master Electrical Component List
ACCY/RUN/START, RUN, and START Bus Bars, and CRANK Fuse