GM Service Manual Online
For 1990-2009 cars only
Makes
🢒
GMC_Truck
🢒
2004
🢒
GMC MD Steel Tilt (W Model)
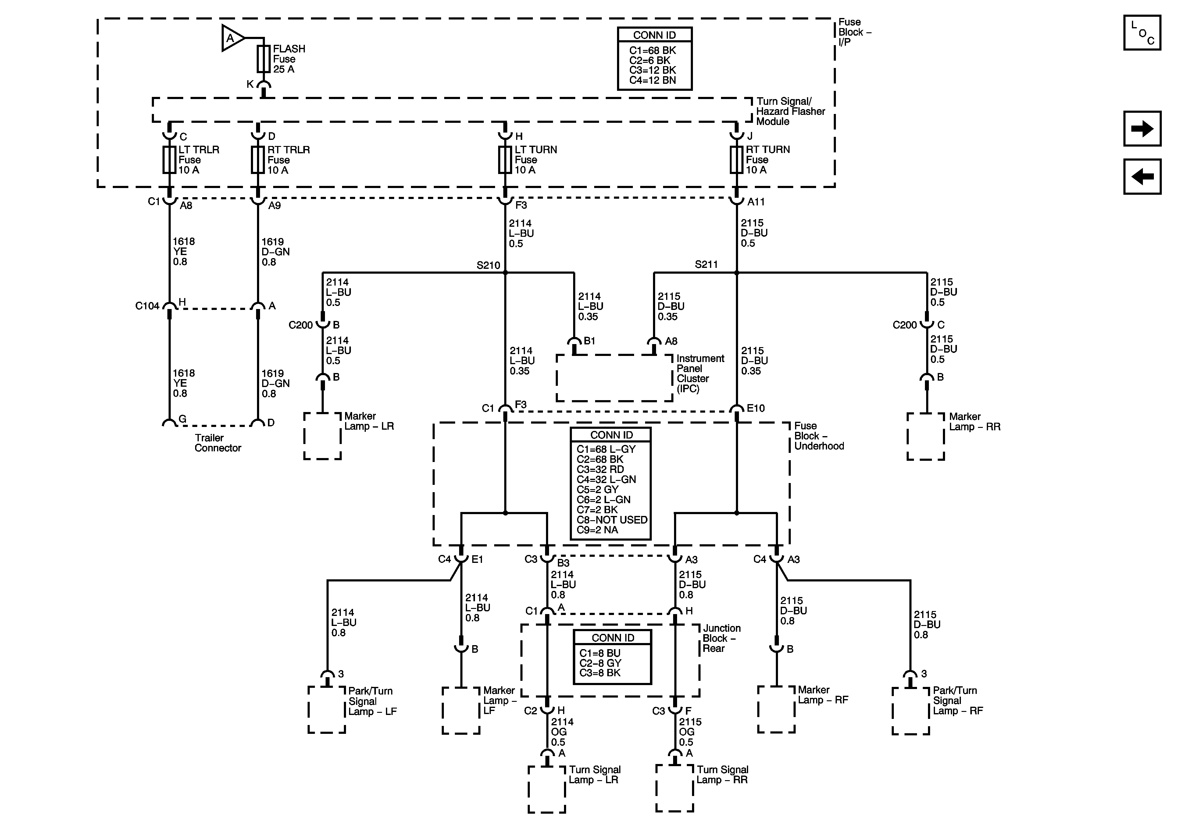
🢒 FLASH, LT TRLR, RT TRLR, LT TURN, and RT TURN Fuses
FLASH, LT TRLR, RT TRLR, LT TURN, and RT TURN Fuses
FLASH, LT TRLR, RT TRLR, LT TURN, and RT TURN Fuses
Master Electrical Component List
RR DEFOG, RR WPR, 4WS, STOP LP, VEH STOP, and VEH CHMSL Fuses
LBEC 1, LBEC 2, INFO, FPDM, AUX PWR, DDM, LOCKS, TBC 2A, 2B, and 2C, and LT DOORS Circuit Breaker
LBEC 1, LBEC 2, INFO, FPDM, AUX PWR, DDM, LOCKS, TBC 2A, 2B, and 2C, and LT DOORS Circuit Breaker