GM Service Manual Online
For 1990-2009 cars only
Makes
🢒
GMC_Truck
🢒
2004
🢒
GMC MD Steel Tilt (W Model)
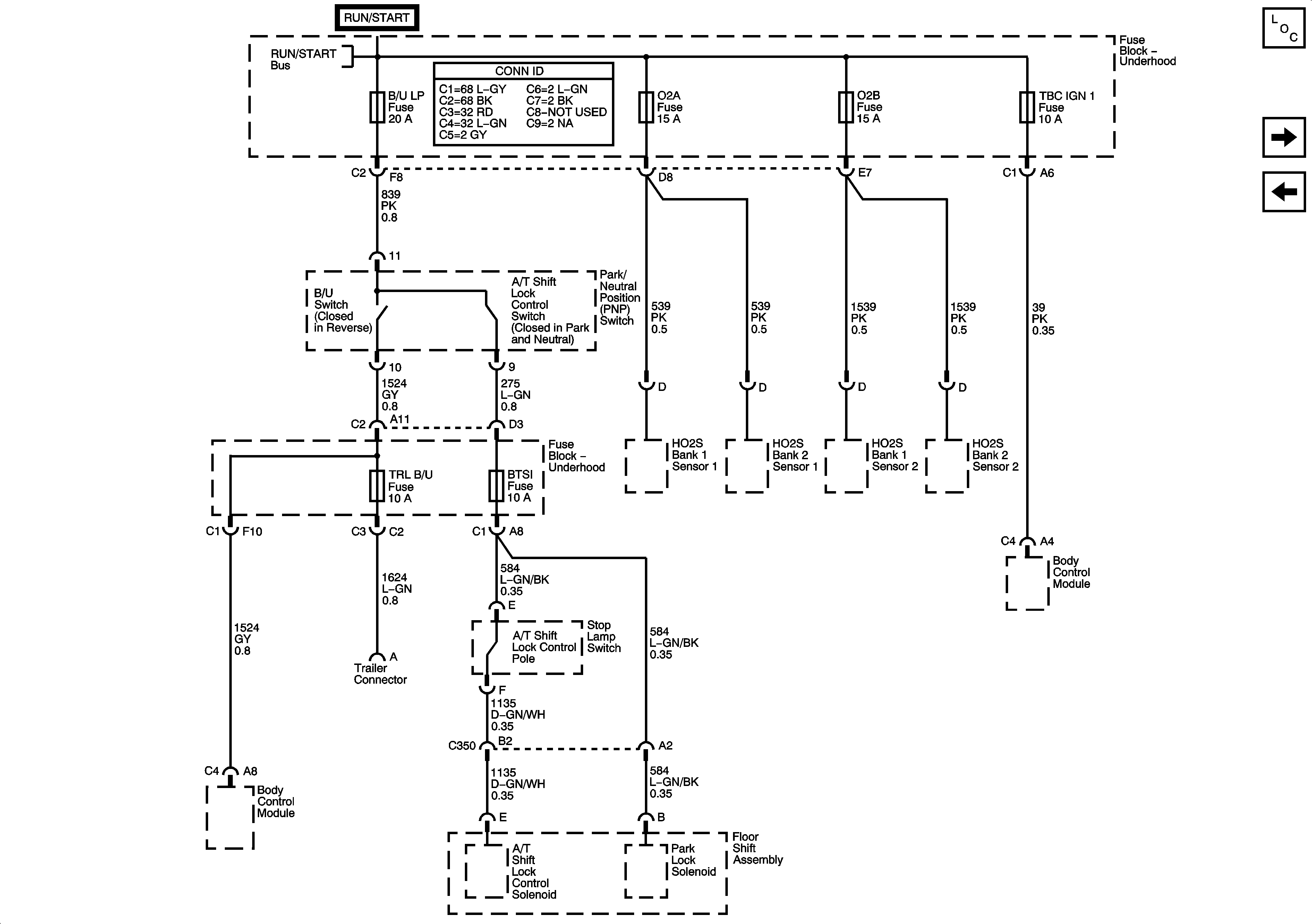
🢒 B/U LP, O2A, O2B, TBC IGN 1, TRL B/U, and BTSI Fuses
B/U LP, O2A, O2B, TBC IGN 1, TRL B/U, and BTSI Fuses
B/U LP, O2A, O2B, TBC IGN1, TRL B/U, and BTSI Fuses
Master Electrical Component List
SEO IGN, SIR, and IGN E Fuses
HORN, LO HDLP LT, LO HDLP RT, HI HDLP RT, and HI HDLP LT Fuses
ACCY/RUN and RUN/START Bus Bars