GM Service Manual Online
For 1990-2009 cars only
Makes
🢒
GMC_Truck
🢒
2004
🢒
GMC MD Steel Tilt (W Model)
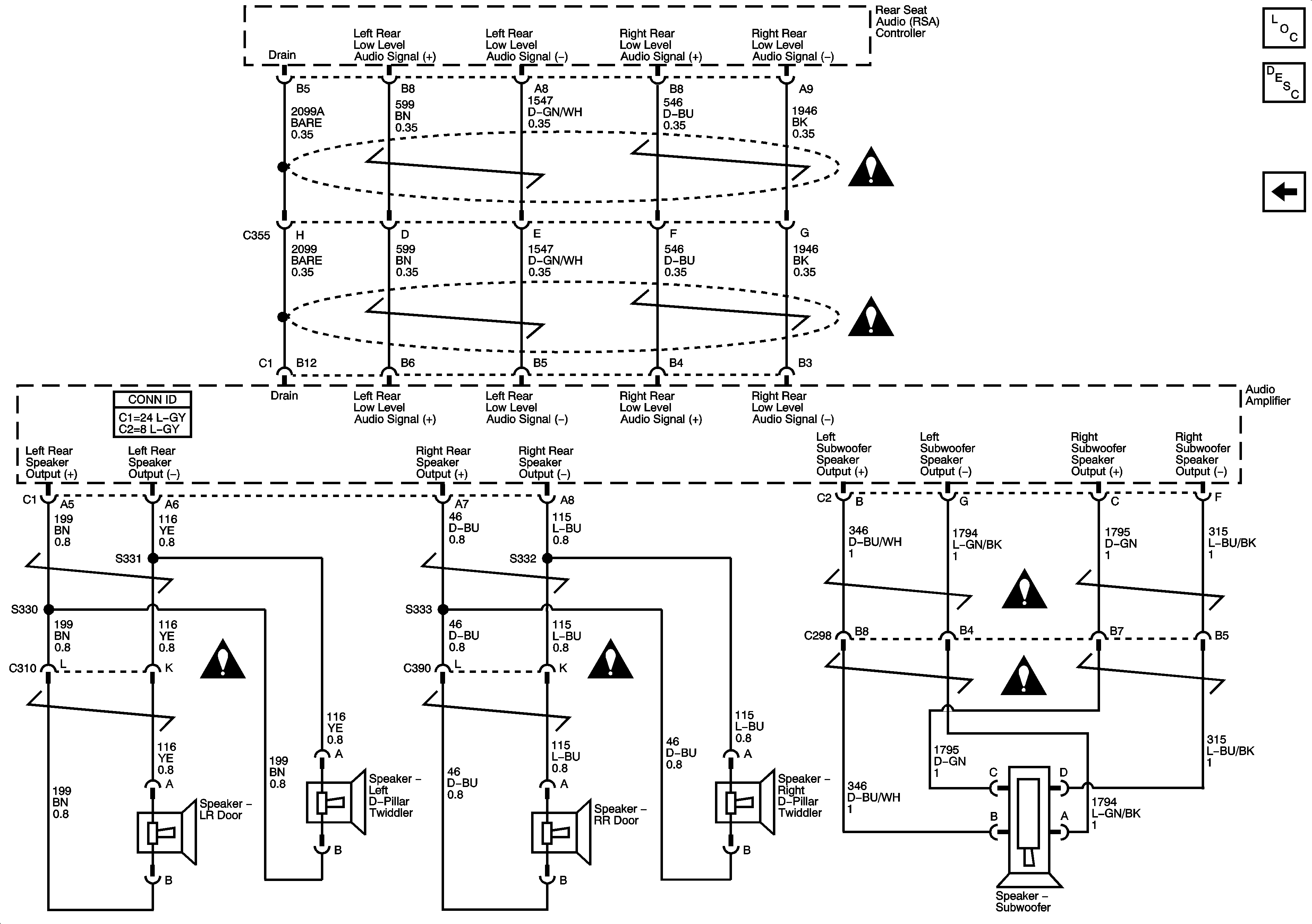
🢒 Rear Door Speakers and Subwoofer
Rear Door Speakers and Subwoofer
Rear Door Speakers and Subwoofer
Master Electrical Component List
Radio/Audio System Description and Operation
Front Speakers
Entertainment Schematic Icons
Entertainment Schematic Icons
Entertainment Schematic Icons
Entertainment Schematic Icons
Entertainment Schematic Icons
Entertainment Schematic Icons