GM Service Manual Online
For 1990-2009 cars only
Makes
🢒
GMC_Truck
🢒
2004
🢒
GMC MD Steel Tilt (W Model)
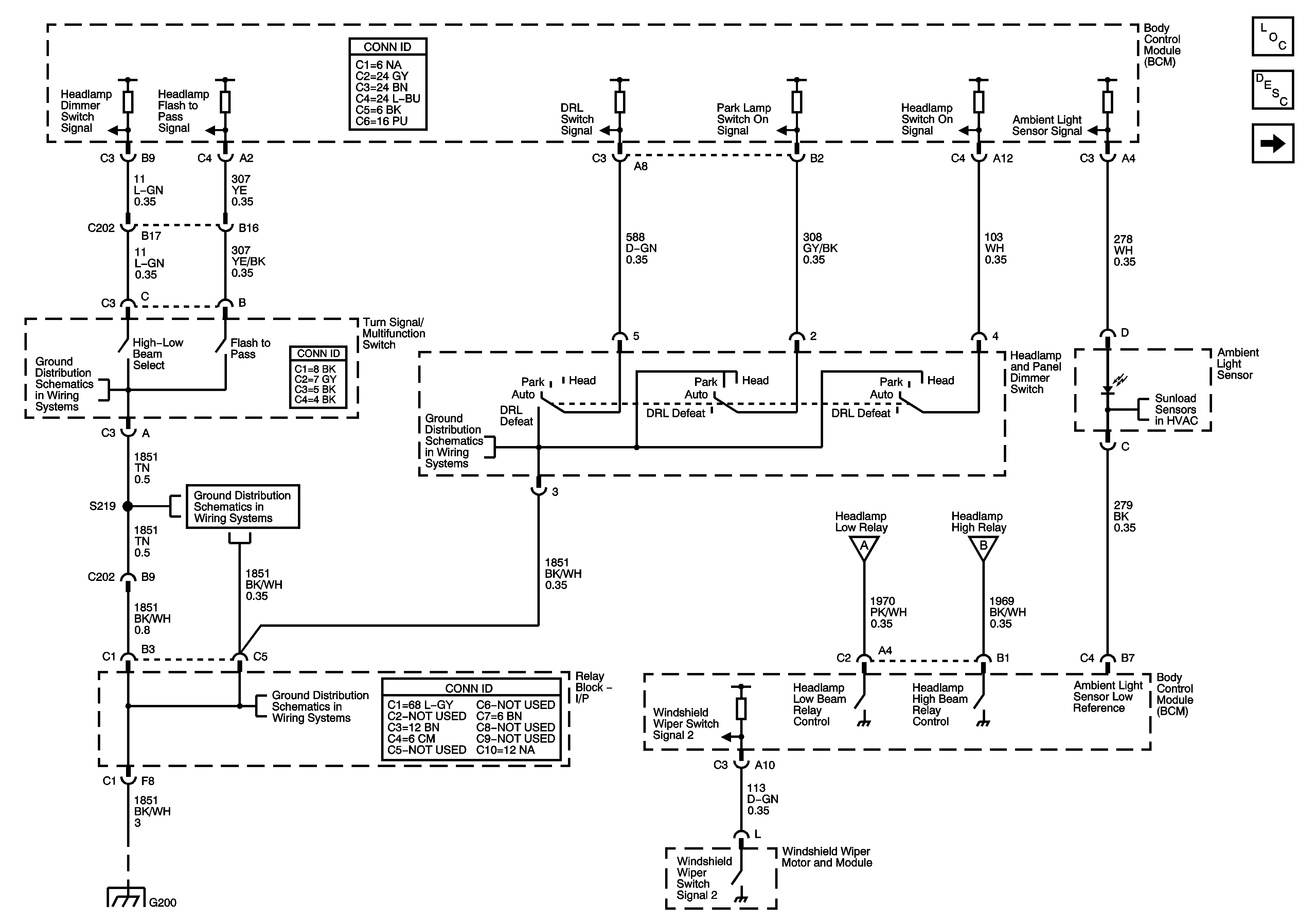
🢒 Headlamp Controls, Switches, and Ambient Light Sensor
Headlamp Controls, Switches, and Ambient Light Sensor
Headlamp Controls, Switches, and Ambient Light Sensor
Master Electrical Component List
Exterior Lighting Systems Description and Operation
Headlamps Schematics
G200
G200
G200
Temperature Controls and Sunload Sensors
Headlamps Schematics
G200
G200