GM Service Manual Online
For 1990-2009 cars only
Makes
🢒
GMC_Truck
🢒
2004
🢒
GMC MD Steel Tilt (W Model)
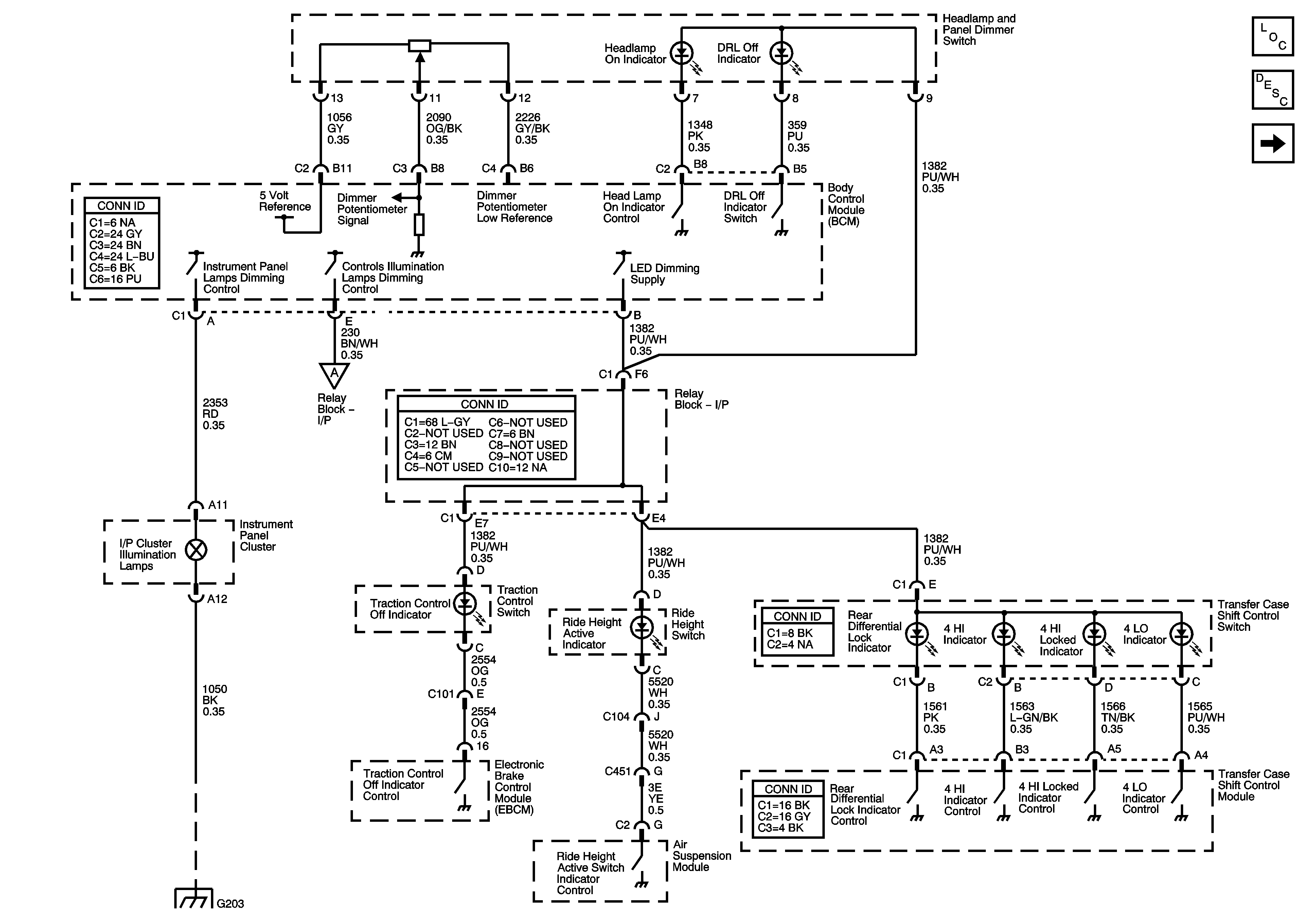
🢒 Dimmer Controls, I/P Cluster Illumination, and Switch Indicators
Dimmer Controls, I/P Cluster Illumination, and Switch Indicators
Dimmer Controls, I/P Cluster Illumination, and Switch Indicators
Master Electrical Component List
Interior Lighting Systems Description and Operation
Illumination - Rear Windows, Garage Door Opener, Sunroof, HVAC Control, Headlamp, and Tow/Haul Switches
Illumination - Rear Windows, Garage Door Opener, Sunroof, HVAC Control, Headlamp, and Tow/Haul Switches
CKT 1050: G203, S302, S303, S351, and S215