GM Service Manual Online
For 1990-2009 cars only
Makes
🢒
GMC_Truck
🢒
2004
🢒
GMC MD Steel Tilt (W Model)
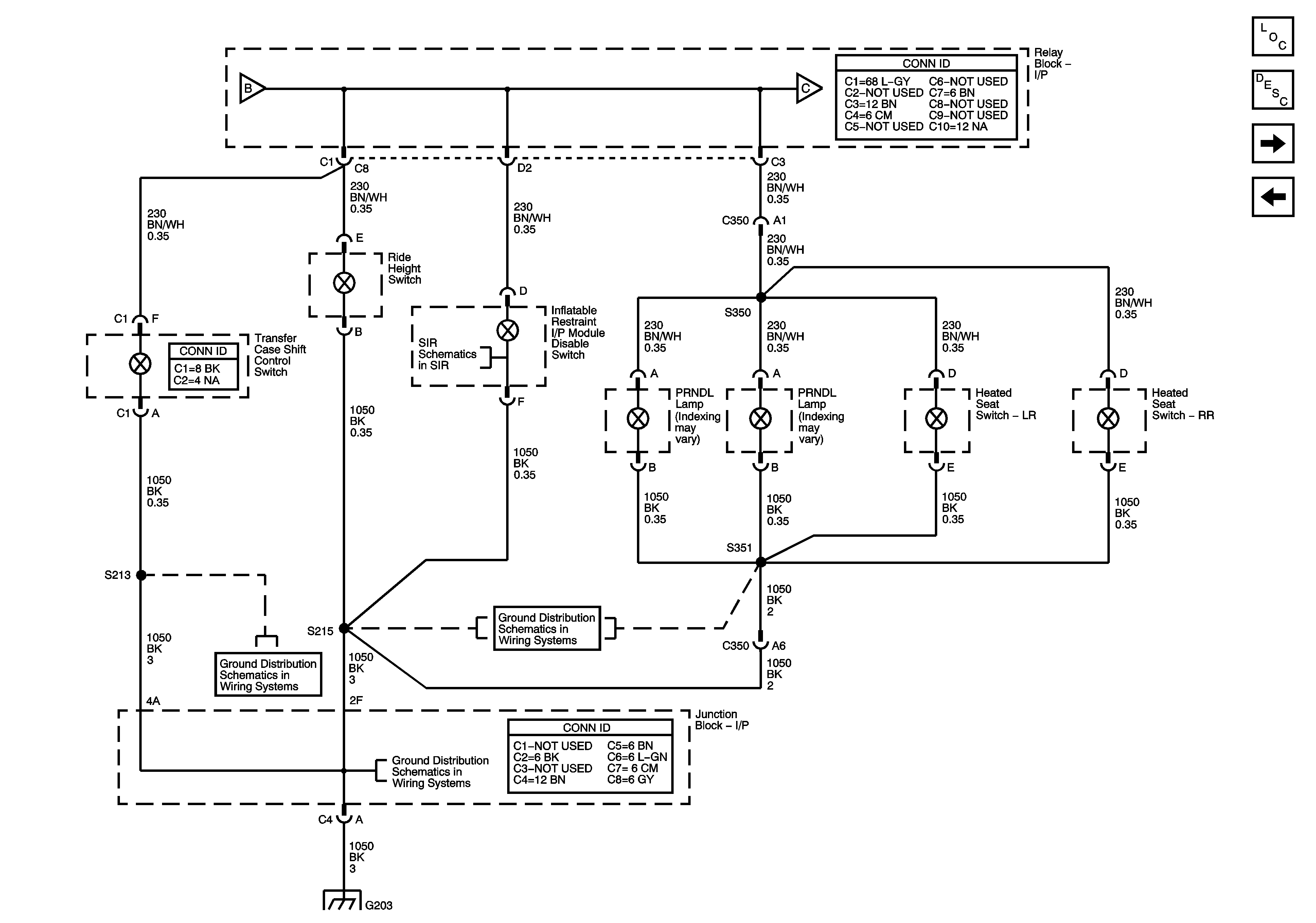
🢒 Illumination - Transfer Case Control, Ride Height Control, Inflatable Restraint Disable, and Rear Heated Seat Switches, PRNDL Lamps
Illumination - Transfer Case Control, Ride Height Control, Inflatable Restraint Disable, and Rear Heated Seat Switches, PRNDL Lamps
Illumination -- Transfer Case Control, Height Control, Inflatable Restraint Disable, and Rear Heated Seat Switches, PRNDL Lamps
Master Electrical Component List
Interior Lighting Systems Description and Operation
Illumination - Traction Control, Steering Wheel Controls, and Rear Window Washer/Wiper Switches
Illumination - Rear Windows, Garage Door Opener, Sunroof, HVAC Control, Headlamp, and Tow/Haul Switches
Illumination - Rear Windows, Garage Door Opener, Sunroof, HVAC Control, Headlamp, and Tow/Haul Switches
Illumination - Traction Control, Steering Wheel Controls, and Rear Window Washer/Wiper Switches
CKT 1050: G203, S302, S303, S351, and S215
CKT 1050: G203, S302, S303, S351, and S215
CKT 1050: G203, S302, S303, S351, and S215
CKT 1050: S301 and S213