GM Service Manual Online
For 1990-2009 cars only

STREET COUPE/'GYPSY MAGIC' CONVERSION KITS AVAILABLE

MODELS: 1983 S/T PICKUP AND JIMMY

The attached information will assist you in ordering conversion kits for the 1983 Street Coupe and Gypsy Magic vehicles.

Numbers listed are Cars and Concepts, Inc. numbers and not GM part numbers. Conversion kits are available on C.O.D. basis from:

Cars and Concepts, Inc. Attn: Order Desk 12500 East Grand River Brighton, Mi 48116 Phone: (313) 227-1400

Conversion Model

Street Coupe S Jimmy Only Gypsy Magic S/T Pickup, Extended Cab and Jimmy

RECOMMENDED DECAL APPLICATION INSTRUCTIONS

1. Application surface must be above 65 DEG F, clean and free of oil, wax, grease or any foreign matter.

A. DuPont's Prep-Sol 39195, R & H Pre-Cleaner, DX330 or any good quality pre cleaner must be used on surface prior to installing decals.

2. Tape all markings in proper position with masking tape, prior to beginning application.

3. Place a strip of masking tape down the center (verfically) of the emblem, exceeding the edgea top and bottom by approximately 3".

4. Fold one side of decal away from application surface and peel backing paper away from adhesive side of decal up to tape hinge, cut backing paper away, next to hinge. DO NOT PEEL DECAL AWAY FROM BACKING, PEEL BACKING AWAY FROM DECAL.

5. Fold decal back towards surface, keeping adhesive just off application surface, starting at the masking tape hinge, squeege the decal down using firm overlapping strokes, working from center out. Remove tape hinge and apply the other half in the same manner.

6. Remove the face mask (surface tape) by slowly peeling it back over itself at 180 DEG angle.

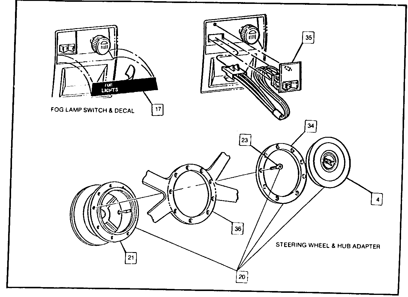
7. Puncture any air pockets or bubbles trapped under the decal with a small pin or needle and press air out.

8. Where decal bridges a seam, cut the decal and force it down into the seam.

9. Resqueegee all decals after premask removal and make sure all edges are down.

1983 G.M.C. GYPSY MAGIC PICKUP SERVICE PART LISTING

Item No. Part No. Description

1 1140007B41 Air Dam Frt. Center 2 1140023B41 Air Dam Frt. LH 3 1140022B41 Air Dam Frt. RH 4 1780002A70 Button Horn 5 2650219A41 Decal Rr. Box Corner LH 6 2650220A41 Decal Rr. Box Corner RH 7 2650221A41 Decal Hood 8 2650222A41 Decal Frt. Fender RH 9 2650223A41 Decal Frt. Fender LH 10 2650224A41 Decal Door RH 11 2650225A41 Decal Door LH 12 2650226A41 Decal Cab Corner RH 13 2650227A41 Decal Cab Corner LH 14 2650228A41 Decal Box Side 15 2650230A41 Decal Tail Gate 16 2650231A41 Decal Logo (Gypsy Magic) 17 2650237A41 Decal Fog Lamp Switch 18 4180024A11 H Ware Bag Air Dam Includes: (6) 355011A70 Fastener Speed Nut 8-18 (1) 4480015A71 Instruciton Sheet (10) 7320034A70 Screw Self Tapping

19 4180027A11 H Ware Bag Bed Rail Includes: (1) 2650232A41 Decal Bed Rail Warning (6) 3550047A70 Fastener Rivnut #10-32 (16) 3550048A70 Fastener Rivnut 1/4-20 (8) 4500006B41 Insulator Bed Rail (2) 4500007B41 Insulator Bed Rail (2) 5980001A70 "O" Ring Seal (2) 6450001A70 Plug Box Rail (2) 6950071A70 Rivet (14) 7310016A70 Screw Machine (6) 7310021A70 Screw Machine (2) 7310022A70 Screw Machine (6) 8740018A70 Washer Flat (16) 8740021A70 Washer Flat

20 4360024A70 Hub Steering Wheel Assembly Includes: (1) 1780002A70 Button Horn (1) 4360027A70 Hub Steering Wheel (1) 4730034A70 Kit Hub Fastener 91) 6930002A70 Ring Trim Black

21 4360027A70 Hub Steering Wheel 22 4480016A71 Instruction Card Fog Lamp 23 4730034A70 Kit Hub Fastener 24 5980001A70 "O" Ring Seal 25 6200080B41 Panel Box Side RH 26 6200081B41 Panel Box Side LH 27 6450001A70 Plug Box Rail Gypsy 28 6800069C41 Rail Box Frt. Lwr. Gypsy 29 6800070C41 Rail Box Frt. Upr. Gypsy 30 6800071C41 Rail Box Side LH Short 31 6800072C41 Rail Box Side RH Short 32 6800073C41 Rail Box Side LH Long 33 6800074C41 Rail Box Side RH Long 34 6920002A70 Ring Trim Black 35 8050004A70 Switch Assy.Fog Lamp 36 8820014A70 Steering Wheel B4BL 14

The Bosch Driving Lamps included with the Gypsy Magic Conversion may be obtained through your local Bosch Light Dealer. Refer to the following numbers:

Bosch Part Number Description

03054-02905 2 Lamp Kit 03320-98113-CAC Wiring Harness

1983 GYPSY MAGIC JIMMY SERVICE PART LIST

Item No. Part Number Description

1 1140007B41 Air Dam Frt. Center 2 1140023B41 Air Dam Frt. LH 3 1140022B41 Air Dam Frt. RH 4 1780002A70 Button Horn 5 2650219A41 Decal Rr. Box Corner LH 6 2650220A41 Decal Rr. Box Corner RH 7 2650221A41 Decal Hood 8 2650222A41 Decal Frt. fender RH 9 2650223A41 Decal Frt. Fender LH 10 2650224A41 Decal Door RH 11 2650225A41 Decal Door LH 14 2650228A41 Decal Box Side 15 2650230A41 Decal Tail Gate 16 2650231A41 Decal Logo (Gypsy Magic) 17 2650237A41 Decal Fog Lamp Switch 75 4050005A70 Grommet Roof Rack Rail 18 4180024A11 H/Ware Bag Air Dam Includes: (6) 3550011A70 Fastener Speed Nut 8-18 (1) 4480015a71 Instruction Sheet (10) 7320034A70 Screw Self Tapping

20 4350024A70 Hub Steering Wheel Assy. Includes: (1) 1780002A70 Button Horn (1) 4360027A70 Hub Steering Wheel (1) 4730034A70 Kit Hub Fastener (1) 6930002A70 Ring Trim Black

21 4350027A70 Hub Steering Wheel 22 4480016A71 Instruction card Fog Lamp 37 4500027A70 Insulator Skid Strip 23 4730034A70 Kit Hub Fastener 38 6200162C41 Panel Roof Rack 39 6200187C11 Panel Assy. Roof Rack Includes: (4) 4050005A70 Grommet Roof Rack Rail (1) 6200162C41 Panel Roof Rack (2) 6800118C41 Rail Roof Rack (4) 6900150A70 Ret. Roof Rack (10 ft) 7400075B71 Seal W/Strip Ret.

40 6800118C41 Rail Roof Rack 41 6900150A70 Ret. Roof Rack Rail 34 6920001A70 Ring Trim Black 42 7400075B71 Seal W/Strip Ret. 43 7980015A70 Strip Skid 35 8050004A70 Switch Assy. Fog Lamp 36 8820014A70 Steering Wheel B4BL 14

The Bosch Driving Lamps included with the Jimmy "Gypsy Magic" conversion may be obtained through your local Bosck Light Dealer. Refer to the following numbers.

Bosch Part Number Description

03054-02905 2 Lamp Kit 03320-98113-CAC Wiring Harnes

1983 G.M.C. STREET COUPE SERVICE PARTS

Item No. Part Number Description

44 1140019C41 Air Dam Center 45 1140020C41 Air Dam RH 46 1140021C41 Air Dam LH 47 1660332B41 Brkt. Rocker Pnl. 48 1660334C41 Brkt. Qtr. Pnl. Frt. 49 1660337B41 Brkt. Rocker Pnl. Ctr. 4 1780002A70 Button Horn 50 2650246B41 Decal Stripe 51 2650247C41 Decal Frt. Bumper LH 52 2650248C41 Decal Frt. Bumper RH 53 2650250C41 Decal Air Dam 54 2650251B41 Decal Bumper Bolt Red 55 2650252B41 Decal Bumper Bolt Orange 56 2670002D41 Deflector Center 57 2670003D41 Deflector LH 58 2670004D41 Deflector RH 59 4180034A11 Hardware Bag Includes: (6) 3550011A70 Fastener Speed Nut 8-18 (1) 4480026A71 Instruction Sheet (10) 7320111A70 Screw Self Tapping

60 4180036A11 Hardware Bag Deflector Includes: (2) 8030034D41 Supt. Assy.Deflector (1) 8030033D41 Supt. Assy. Deflector Ctr. (3) 4500026B41 Insulator Deflector (2) 4500031B41 Insulator Deflector Lwr. (6) 7320047A71 Screw Mach. 1/4-20- 1-1/4 (4) 7320048A71 Screw Mach. 1/4-20- 1 3/4 (10) 5850057A70 Nuts Well 1/2-20

20 4360024A70 Hub Steering Wheel Assy. Includes: (1) 1780002A70 Button Horn (1) 4360027A70 Hub Steering Wheel (1) 4730034A70 Kit Hub Fastener (1) 6930002A70 Ring Trim Black

21 4360027A70 Hub Steering Wheel 61 4500026B41 Insulator Deflector 62 4500031B41 Insulator Deflector Lwr. 23 4730034A70 Kit Hub Fastener 63 5750014C41 Nameplate Street Coupe 64 6200173C41 Panel Ricker LH 65 6200174C41 Panel Rocker RH 66 6200175C41 Panel Qtr. Rocker LH 67 6200176C41 Panel Qtr. Rocker RH 68 6900141C41 Retainer Rocker Panel 69 6900148C41 Retainer Qtr. Rocker Pnl. 34 6930002A70 Ring Trim Black 70 7220002C41 Scoop Assy. Hood 71 7400119A71 Seal W/Strip Ret. 72 8030033D41 Supt. Assy. Deflector Ctr. 73 8030034D41 Supt. Assy. Deflector 74 8080010SRV Tape Barrier 36 8820014A70 Wheel Steering


Object Number: 95231  Size: SH


Object Number: 95150  Size: SH


Object Number: 95069  Size: SH


Object Number: 95149  Size: SH


Object Number: 86995  Size: FS


Object Number: 75750  Size: FS


Object Number: 86143  Size: LF


Object Number: 86630  Size: MF


Object Number: 75664  Size: FS

General Motors bulletins are intended for use by professional technicians, not a "do-it-yourselfer". They are written to inform those technicians of conditions that may occur on some vehicles, or to provide information that could assist in the proper service of a vehicle. Properly trained technicians have the equipment, tools, safety instructions and know-how to do a job properly and safely. If a condition is described, do not assume that the bulletin applies to your vehicle, or that your vehicle will have that condition. See a General Motors dealer servicing your brand of General Motors vehicle for information on whether your vehicle may benefit from the information.