GM Service Manual Online
For 1990-2009 cars only

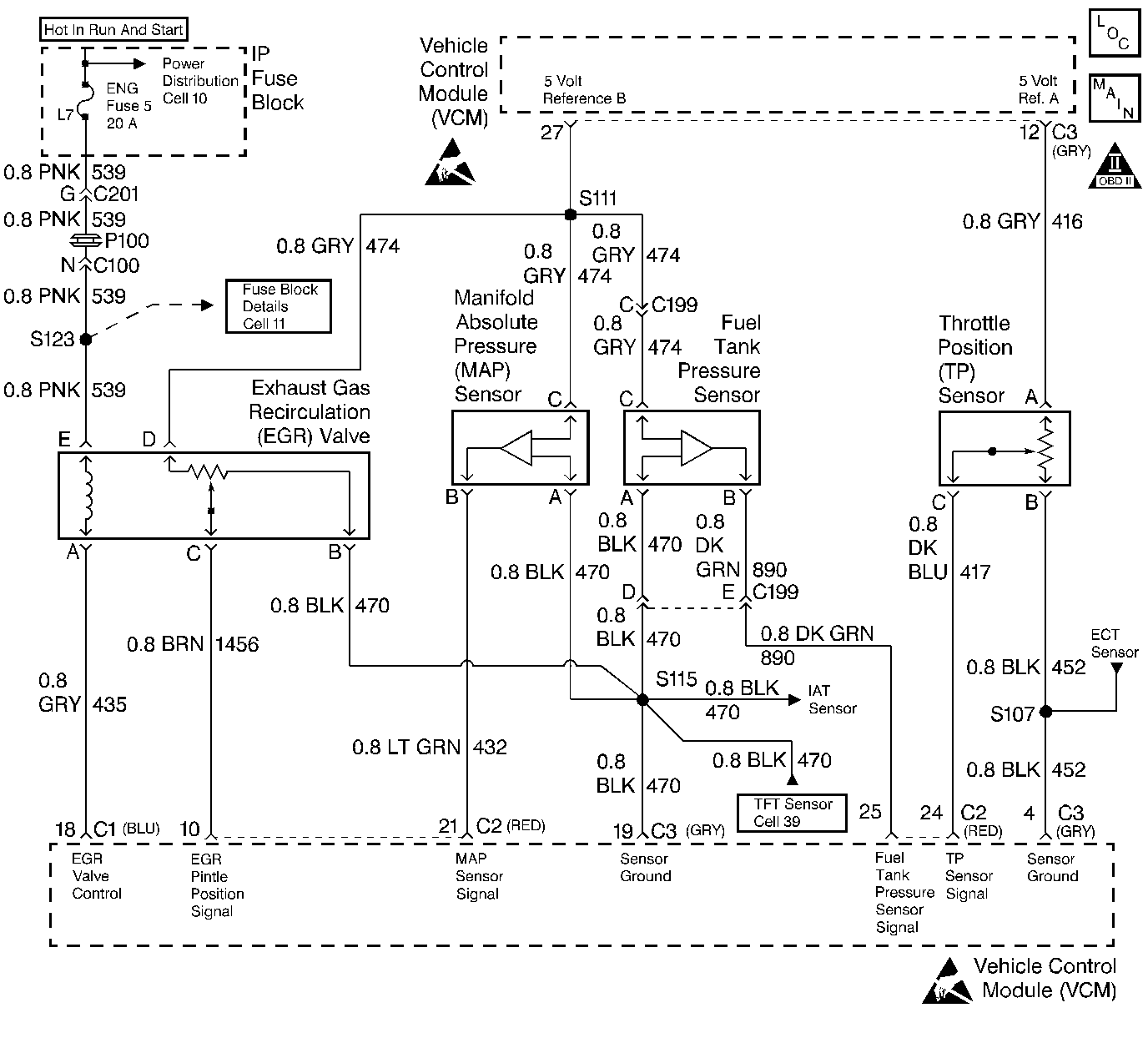
Object Number: 31403  Size: LF
Handling ESD Sensitive Parts Notice
Engine Controls Components
MAP, IAT, TP, ECT, and the Fuel Tank Pressure Sensors
OBD II Symbol Description Notice

Circuit Description

The Throttle Position (TP) sensor provides a voltage signal which changes relative to the throttle blade angle. The signal voltage varies from about 0.5 volt at idle to about 4.0 volts at Wide Open Throttle (WOT).

The TP signal is one of the most important inputs used by the VCM for fuel control and for most of the VCM control outputs. This DTC is a type D DTC

Conditions for Setting the DTC

The DTC sets when the TP sensor signal voltage is greater than about 4.8 volts and the MAP is less than 51 kPa for a period greater than 4 seconds with engine running.

Action Taken When the DTC Sets

The VCM stores the DTC in History if the VCM detects an intermittent problem.

Conditions for Clearing the MIL/DTC

The VCM turns OFF the MIL after 3 consecutive driving trips without a fault condition present. A history DTC will clear if no fault conditions have been detected for 40 warm-up cycles (the coolant temperature has risen 22°C (40°F) from the start-up coolant temperature and the engine coolant temperature exceeds 71°C (160°F) during that same ignition cycle) or the scan tool clearing feature has been used.

Diagnostic Aids

The VCM pins GRY 12 and GRY 27 are spliced together inside of the VCM. When checking one of these circuits for a problem, also check the other circuit and the components on the circuit.

The scan tool reads the throttle position in volts. The scan tool should read about 0.45 to 0.85 volt with the throttle closed and the ignition switch turned ON or at idle. The voltage should increase at a steady rate as the throttle is moved toward the Wide Open Throttle (WOT).

Also, some scan tools will read the throttle angle. 0% = closed throttle. 100% = WOT.

Scan the TP sensor while depressing the accelerator pedal with the engine turned OFF and the ignition turned ON. The display should vary from below the 1.25 volts (1250 mV) when the throttle is closed to over 4.5 volts (4500 mV) when the throttle is held at WOT position.

A DTC P0123 will result if the TP ground circuit is open or the TP signal circuit is shorted to the voltage.

A DTC P0122 will result if there is an open or a short to ground in the 5 volt reference circuit or the TP sensor signal circuit.

Refer to Intermittent Conditions .

Test Description

The numbers below refer to the step numbers in the diagnostic table.

  1. If the TP signal is greater than 4.8 volts, then the fault is present.

  2. With the TP sensor disconnected, the TP signal voltage should go low if the VCM and wiring is OK.

  3. Probing the TP sensor ground circuit with a test lamp checks the 5 volt return circuit. This step isolates a faulty sensor, VCM or an open TP sensor ground circuit.

Step

Action

Value(s)

Yes

No

1

Important: Before clearing the DTCs, use the scan tool to record the Freeze Frame and the Failure Records for reference. This data will be lost when the Clear Info function is used.

Was the Powertrain On-Board Diagnostic (OBD) System Check performed?

--

Go to Step 2

Go to Powertrain On Board Diagnostic (OBD) System Check

2

  1. Connect the scan tool.
  2. Close the throttle closed.

Does the scan tool display TP sensor signal greater than the specified value.

4.8 V

Go to Step 3

Go to Step 6

3

Disconnect the TP sensor.

Does the scan tool display a TP sensor signal below the specified value?

0.2 V

Go to Step 4

Go to Step 5

4

Probe the TP sensor ground circuit with a test lamp connected to B+.

Is the test lamp on?

--

Go to Step 7

Go to Step 9

5

Is DTC P0108 also set?

--

Go to DTC P0108 Manifold Absolute Pressure (MAP) Sensor Circuit High Voltage

Go to Step 8

6

The DTC is intermittent. If no additional DTCs are stored, refer to the Diagnostic Aids. If additional DTCs are stored, refer to those tables.

Are any additional DTCs stored?

--

Go to The Applicable DTC Table

Go to Step 7

7

Check the connections at the TP sensor.

Was a problem found?

--

Go to Step 10

Go to Step 11

8

Check for a short to voltage in the TP sensor signal circuit.

Was a problem found?

--

Go to Step 10

Go to Step 12

9

Check for an open in the TP sensor ground circuit.

Was a problem found?

--

Go to Step 10

--

10

Repair the circuit as necessary. Refer to Wiring Repairs in Engine Electrical.

Is the action complete?

--

Go to Step 13

--

11

Replace the TP sensor. Refer to TP Sensor Replacement .

Is the repair complete?

--

Go to Step 13

--

12

Replace the VCM.

Important:  If the VCM is faulty, reprogram the VCM. Refer to VCM Replacement/Programming .

Is the repair complete?

--

Go to Step 13

--

13

  1. Using the scan tool, select the DTC and the Clear Info.
  2. Start the Engine.
  3. Idle at the normal operating temperature.
  4. Select the DTC and the Specific.
  5. Enter the DTC number which was set.
  6. Operate the vehicle within the conditions for setting this DTC as specified in the supporting text.

Does the scan tool indicate that this diagnostic ran and passed?

--

Go to Step 14

Go to Step 2

14

Using the scan tool, select the Capture Info and the Review Info.

Are any DTCs displayed that have not been diagnosed?

--

Go to The Applicable DTC Table

System OK