GM Service Manual Online
For 1990-2009 cars only

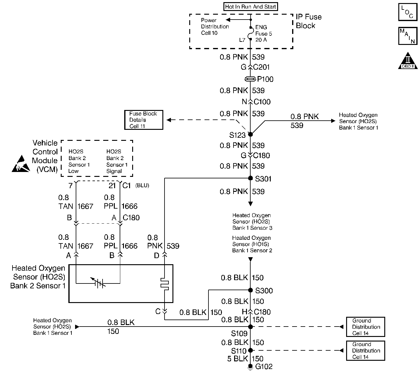
Object Number: 32491  Size: LF
Handling ESD Sensitive Parts Notice
Engine Controls Components
Heated Oxygen Sensors
OBD II Symbol Description Notice

Circuit Description

Important: If this voltage is measured by using a 10 megaohm digital voltmeter, the voltage may read as low as 0.32 volt.

The Heated Oxygen Sensor (HO2S) varies the voltage within a range of about 1.0 volt (1000 mV) if the exhaust is rich to as low as 0.10 volt (10 mV) if the exhaust is lean.

The VCM supplies a reference voltage of approximately 0.45 volts (450 mV) to the Heated Oxygen sensor (HO2S) on the HO2S High signal circuit. When the Heated Oxygen sensor is cold, less than 200°C (392°F), the Heated Oxygen sensor signal voltage will read around 0.45 volt, and the VCM will keep the system in an Open Loop operation. When the Heated Oxygen sensor is warm, above 200°C (392°F), the Heated Oxygen sensor will swing from rich to lean rapidly, at least 1 swing every 2 seconds, if the VCM is in control of the air fuel mixture. This DTC sets if the Oxygen sensor is slow to respond to changes in the exhaust oxygen content.

When the HO2S temperature is below 360°C (600°F), the sensor will not produce any voltage and will behave like an open circuit. This will result in an Open Loop operation.

The HO2S heater provides for a faster sensor warm-up. This allows the sensor to become active in a shorter period of time and remain active during a long extended idle. This DTC is a type B DTC.

Conditions for Setting the DTC

The following conditions sets the DTC:

    • No fuel trim DTCs
    • No TP sensor DTCs
    • No EVAP DTCs
    • No IAT sensor DTCs
    • No MAP DTCs
    • No EGR DTCs
    • No ECT sensor DTCs
    • The DTC P0155 not set
    • Closed Loop
    • HO2S voltage between 0.300 volts and 0.600 volts
    • Throttle position is greater than 10% but less than 20%.
    • L/R switches less than 50.
    • R/L switches less than 50.

Action Taken When the DTC Sets

The VCM turns the MIL (Malfunction Indicator Lamp) ON when the diagnostic runs and fails.

The VCM records the operating conditions at the time the diagnostic fails. The Freeze Frame and Failure Records store this information.

Conditions for Clearing the MIL/DTC

The VCM turns the MIL OFF after 3 consecutive drive trips that the diagnostic runs and does not fail.

A Last Test Failed (current) DTC clears when the diagnostic runs and does not fail.

A History DTC clears after 40 consecutive warm-up cycles with no failures of any emission related diagnostic test.

The VCM battery voltage is interrupted.

The scan tool Clear Info function is used.

Diagnostic Aids

Never solder the HO2S wires. For a proper wire and connector repair refer to Wiring Repairs in Engine Electrical.

Test Description

The numbers below refer to the step numbers in the diagnostic table.

  1. This step checks to see if the other causes of this DTC have already been diagnosed.

  2. Diagnose other DTCs first because they may have set this DTC.

  3. With the engine running warm, coolant at least 85° C (185° F) and at fast idle, the HO2S voltage should rapidly swing above 0.60 volts and below 0.30 volts.

  4. This step checks to see if the Oxygen sensor voltage is swinging between rich and lean very slowly or not at all.

  5. This step checks for causes of the HO2S failure. If the sensor is replaced without finding the cause of the contamination, the replacement sensor may become contaminated.

Step

Action

Value(s)

Yes

No

1

Important: Before clearing the DTCs, use the scan tool to record the Freeze Frame and the Failure Records for reference. This data will be lost when the Clear Info function is used.

Was the Powertrain On-Board Diagnostic (OBD) System Check performed?

--

Go to Step 2

Go to Powertrain On Board Diagnostic (OBD) System Check

2

Connect the scan tool.

Are any other DTC stored?

--

Go to The Applicable DTC Table

Go to Step 3

3

  1. Start the engine.
  2. Idle until the normal operating temperature is reached.
  3. Observing the ECT display on the scan tool, operate the engine at a steady speed within the specified value for two minutes.

After 2 minutes does the HO2S (Bank 2, Sensor 1) voltage rapidly swing above and below the specified value?

1200-2000 RPM

0.30 V-0.60 V

Go to Step 4

Go to Step 5

4

With the engine running at the specified value, observe the scan tool display.

Does the scan tool display indicate a Closed Loop?

1200-2000 RPM

Refer to Diagnostic Aids

Go to Step 8

5

Does the front HO2S (Bank 2, Sensor 1) voltage stay within the specified value longer than it swings outside this value?

0.30 V-0.60 V

Go to Step 10

Go to Step 6

6

Check the VCM connector terminal contact at the H02S Front High and Low signal circuits.

Was a problem found?

--

Go to Step 10

Go to Step 7

7

Check for a poor connection at the HO2S Bank 2, Sensor 1) connector.

Was a problem found?

--

Go to Step 10

Go to Step 8

8

Replace the HO2S (Bank 2, Sensor 1). Refer to Heated Oxygen Sensor (HO2S) Replacement .

Is the action complete?

--

Go to Step 11

--

9

Check the following for possible cause of Oxygen sensor contamination:

    • Leaded fuel
    • Incorrect gasket sealer
    • Over rich operation.

Was a problem found?

--

Go to Step 10

Go to Step 11

10

Repair as necessary. Replace as necessary.

Is the action complete?

--

Go to Step 11

--

11

  1. Using the scan tool, select the DTC and the Clear Info.
  2. Start the Engine.
  3. Idle at the normal operating temperature.
  4. Select the DTC and the Specific.
  5. Enter the DTC number which was set.
  6. Operate the vehicle within the conditions for setting this DTC as specified in the supporting text.

Does the scan tool indicate that this diagnostic ran and passed?

--

Go to Step 12

Go to Step 2

12

Using the scan tool, select the Capture Info and the Review Info.

Are any DTCs displayed that have not been diagnosed?

--

Go to The Applicable DTC Table

System OK