GM Service Manual Online
For 1990-2009 cars only
Figure 1:

Ignition, Ground, and MIL Voltage


Object Number: 32156  Size: FS
Handling ESD Sensitive Parts Notice
Handling ESD Sensitive Parts Notice
Handling ESD Sensitive Parts Notice
Engine Controls Components
Electronic Ignition (EI) System
Ignition System
OBD II Symbol Description Notice
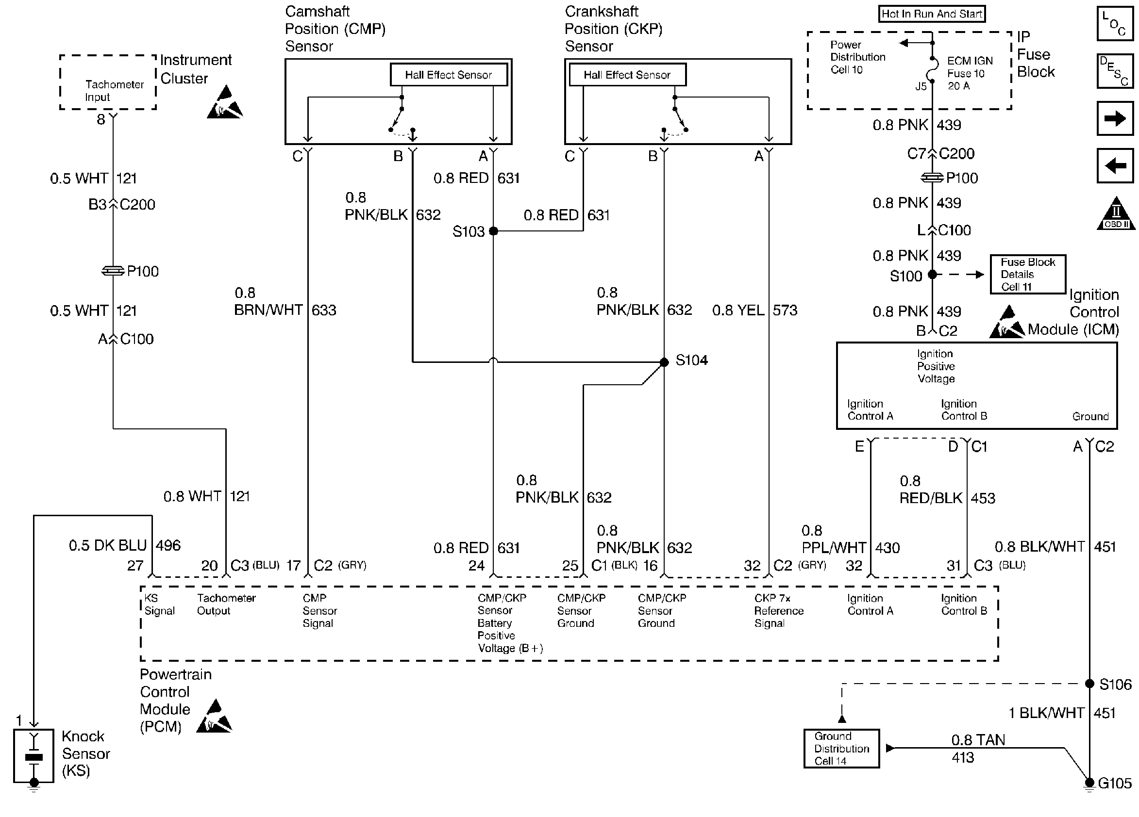
Figure 2:

Ignition System


Object Number: 32206  Size: FS
Handling ESD Sensitive Parts Notice
Handling ESD Sensitive Parts Notice
Handling ESD Sensitive Parts Notice
Engine Controls Components
Electronic Ignition (EI) System
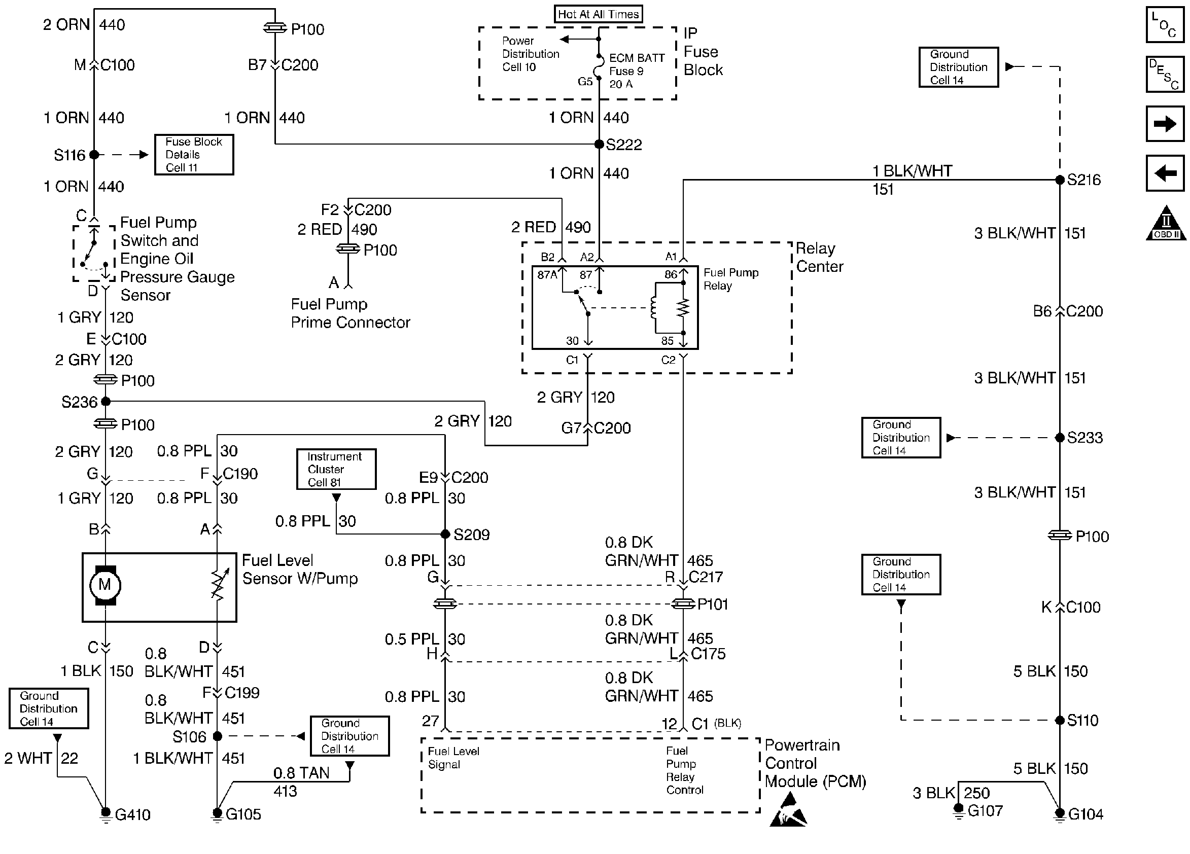
Fuel Pump Relay and Fuel Level Sensor
Ignition, Ground, and MIL Voltage
OBD II Symbol Description Notice
Figure 3:

Fuel Pump Relay and Fuel Level Sensor


Object Number: 32216  Size: FS
Handling ESD Sensitive Parts Notice
Engine Controls Components
Fuel System Overview
Fuel Injectors
Ignition System
OBD II Symbol Description Notice
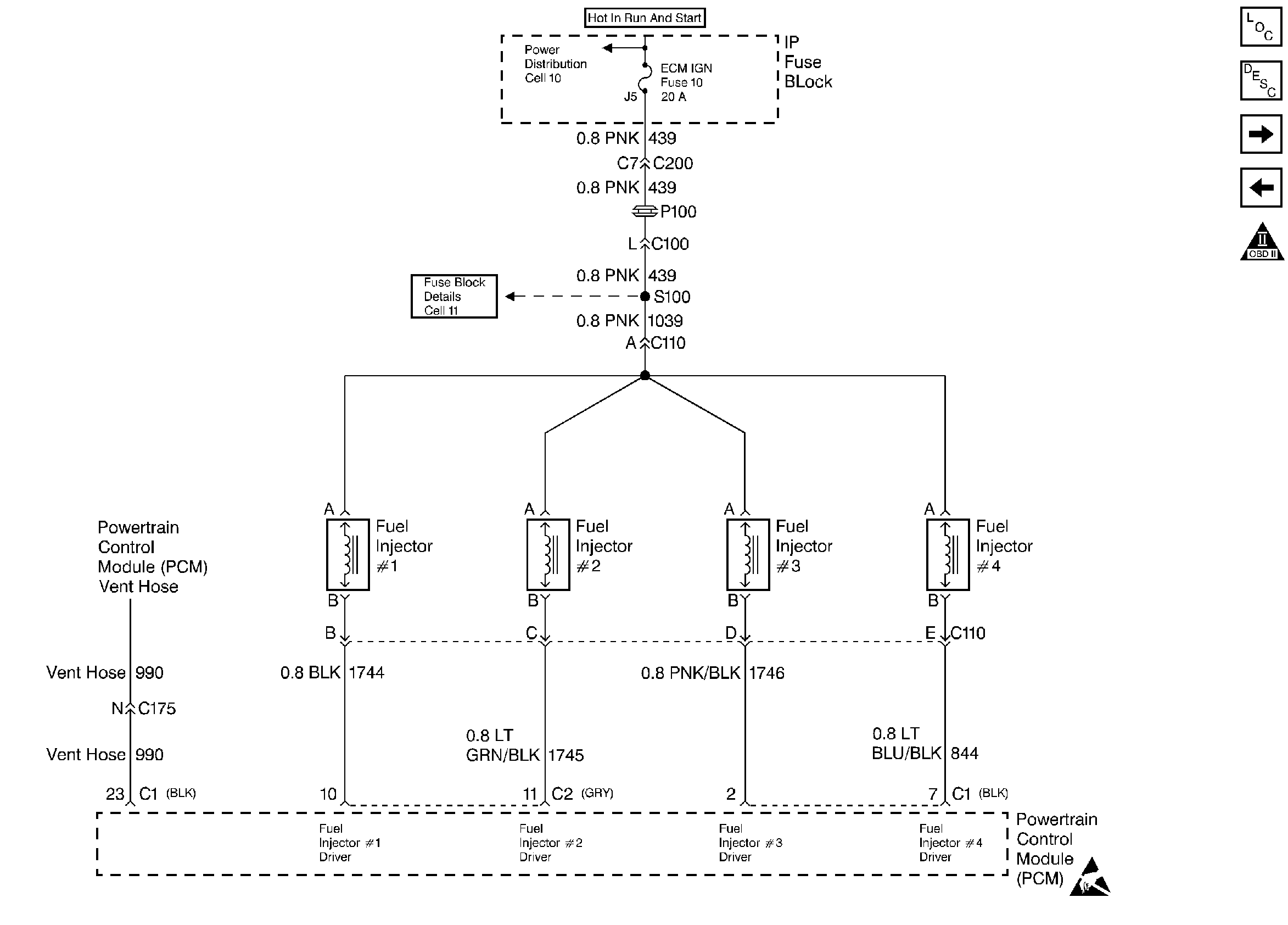
Figure 4:

Fuel Injectors


Object Number: 32282  Size: FS
Handling ESD Sensitive Parts Notice
Engine Controls Components
Fuel System SFI General Description
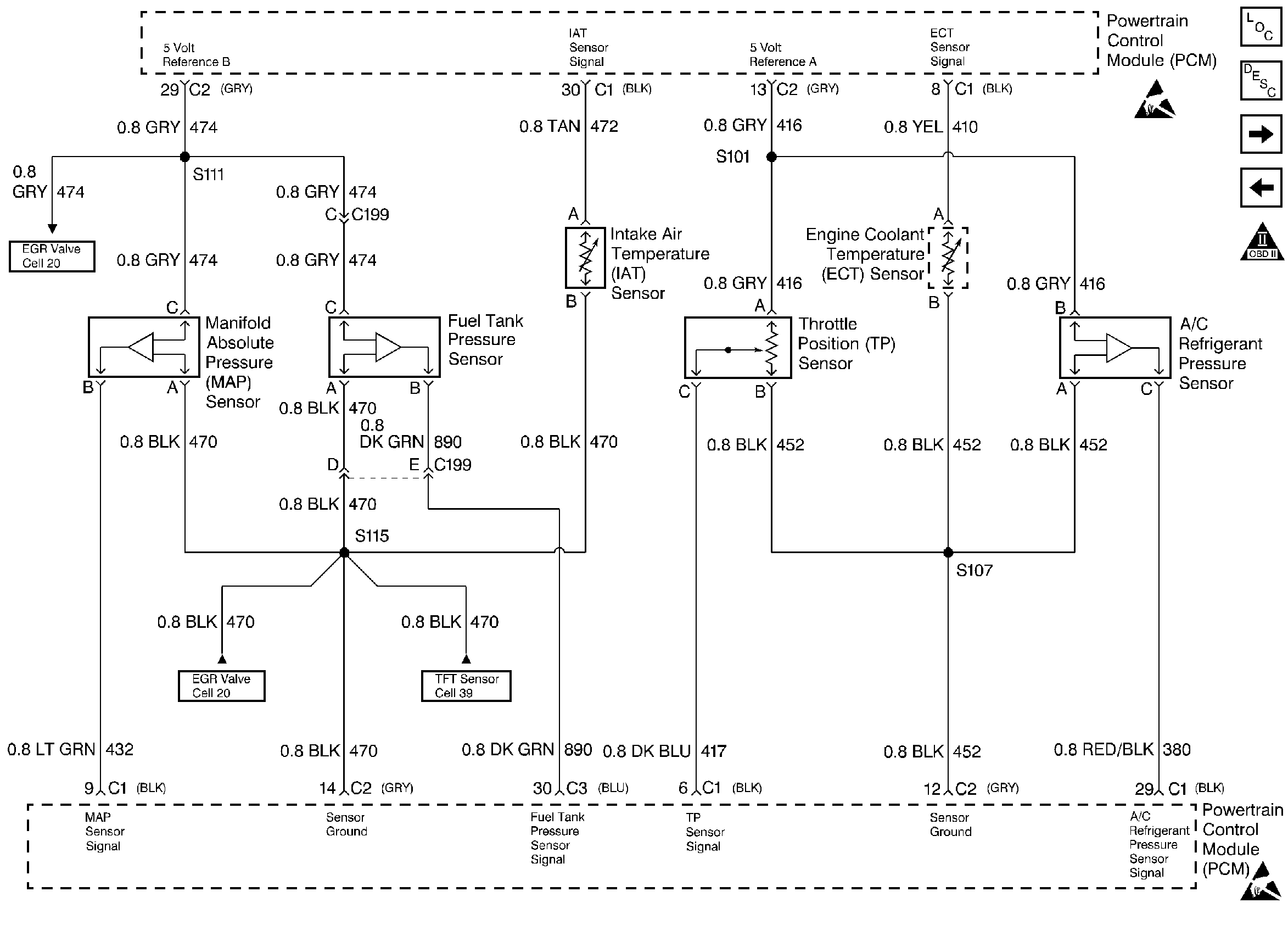
MAP, A/C, and Fuel Tank Pressure Sensors
Fuel Pump Relay and Fuel Level Sensor
OBD II Symbol Description Notice
Figure 5:

MAP, A/C, and Fuel Tank Pressure Sensors


Object Number: 32284  Size: FS
Handling ESD Sensitive Parts Notice
Handling ESD Sensitive Parts Notice
Engine Controls Components
Information Sensors
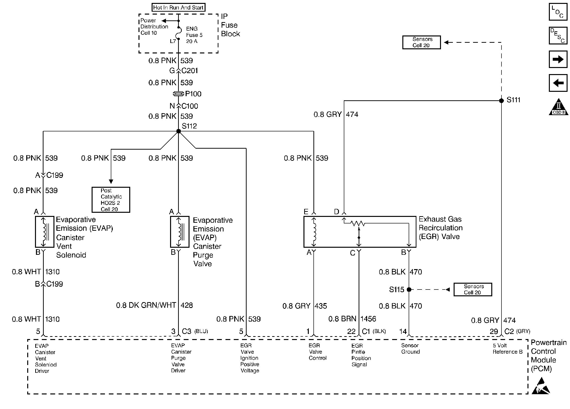
EVAP and EGR System
Fuel Injectors
OBD II Symbol Description Notice
Figure 6:

EVAP and EGR System


Object Number: 32287  Size: FS
Handling ESD Sensitive Parts Notice
Engine Controls Components
Evaporative Emission Control System General Description
Pre and Post Oxygen Sensors
MAP, A/C, and Fuel Tank Pressure Sensors
OBD II Symbol Description Notice
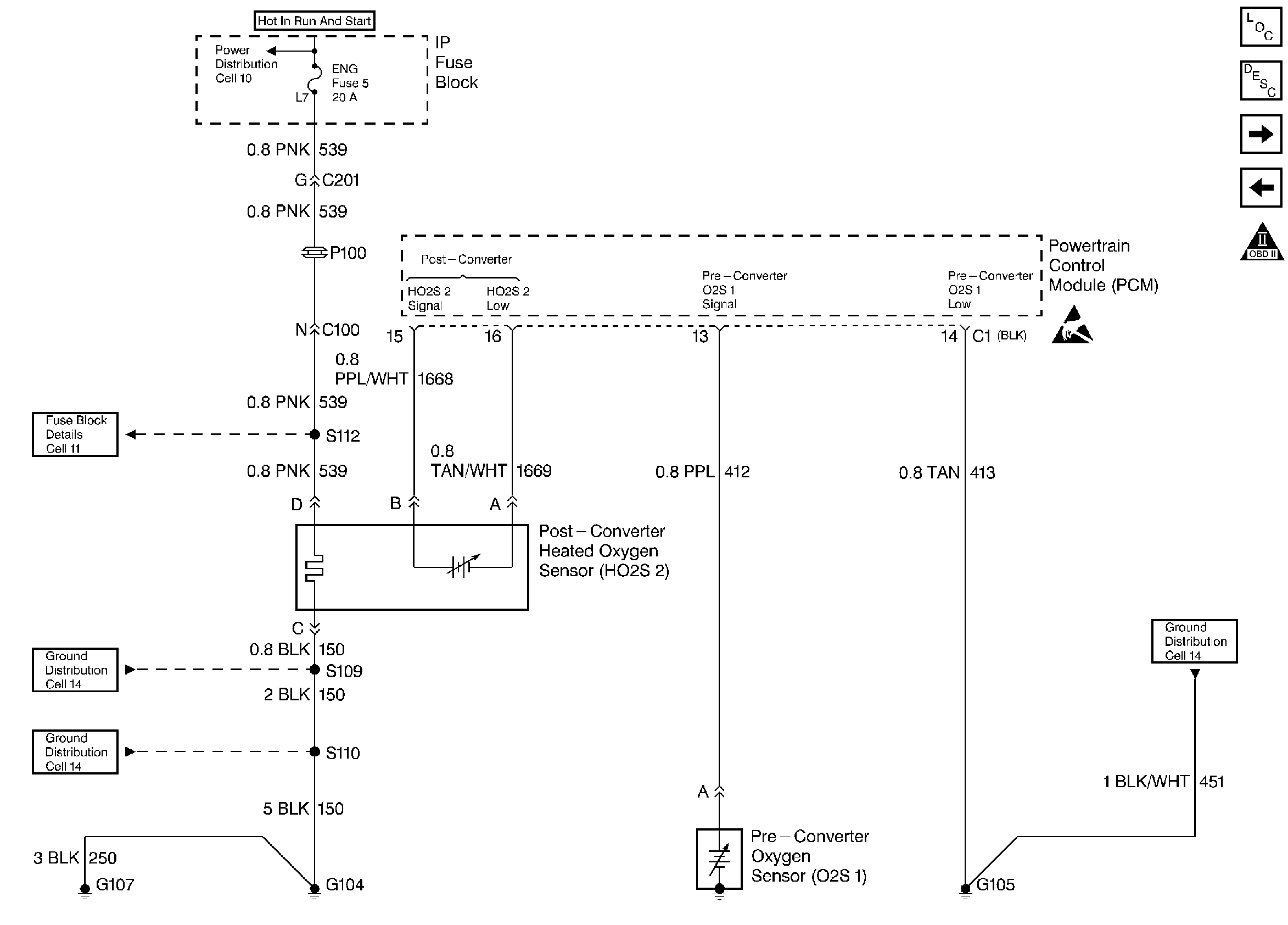
Figure 7:

Pre and Post Oxygen Sensors


Object Number: 32291  Size: FS
Handling ESD Sensitive Parts Notice
Engine Controls Components
Information Sensors
IAC Valve, Shift Indicator Lamp, and PNP Switch
EVAP and EGR System
OBD II Symbol Description Notice
Figure 8:

IAC Valve, Shift Indicator Lamp, and PNP Switch


Object Number: 32292  Size: FS
Handling ESD Sensitive Parts Notice
Handling ESD Sensitive Parts Notice
Engine Controls Components
Transmission Controls Manual
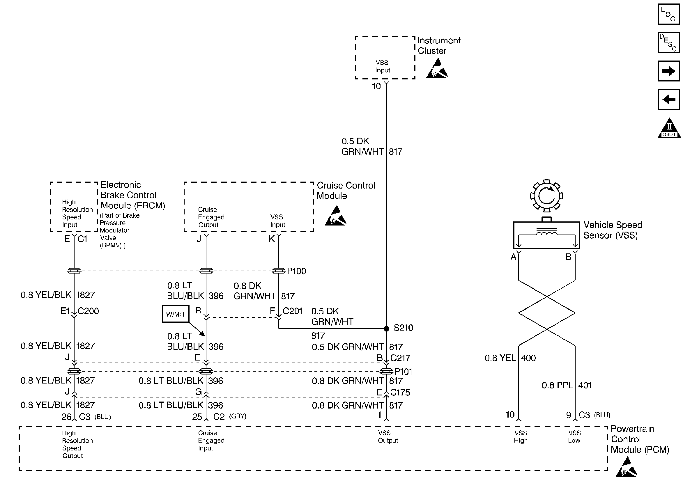
VSS and Cruise Control
Pre and Post Oxygen Sensors
OBD II Symbol Description Notice
Figure 9:

VSS and Cruise Control


Object Number: 32294  Size: FS
Handling ESD Sensitive Parts Notice
Handling ESD Sensitive Parts Notice
Handling ESD Sensitive Parts Notice
Engine Controls Components
Transmission Controls Manual
Transmission Shift Solenoid
IAC Valve, Shift Indicator Lamp, and PNP Switch
OBD II Symbol Description Notice
Figure 10:

Transmission Shift Solenoid


Object Number: 32298  Size: FS
Handling ESD Sensitive Parts Notice
Engine Controls Components
Transmission Controls Overview
Transmissions PC Solenoids
VSS and Cruise Control
OBD II Symbol Description Notice
Figure 11:

Transmissions PC Solenoids


Object Number: 32299  Size: FS
Handling ESD Sensitive Parts Notice
Handling ESD Sensitive Parts Notice
Engine Controls Components
Transmission Controls Overview
A/C Relay and A/C Request Signal
Transmission Shift Solenoid
OBD II Symbol Description Notice
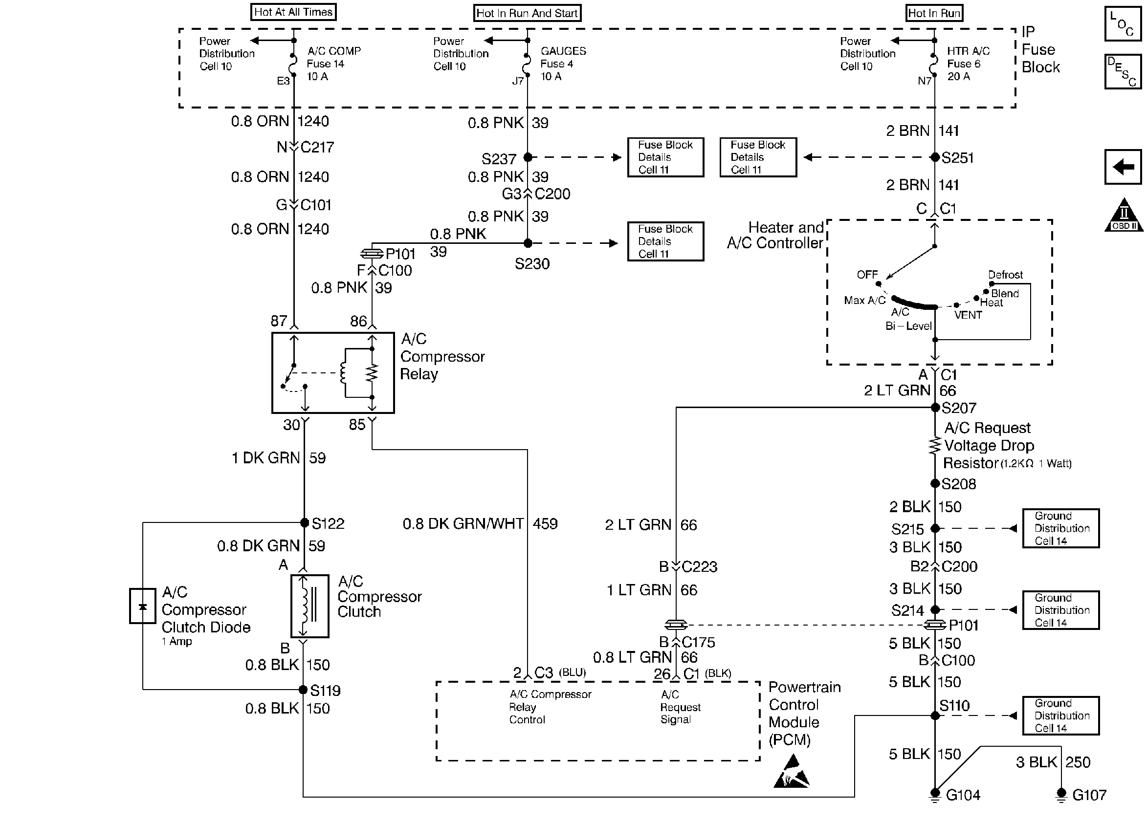
Figure 12:

A/C Relay and A/C Request Signal


Object Number: 32302  Size: FS
Handling ESD Sensitive Parts Notice
Engine Controls Components
Information Sensors
Transmissions PC Solenoids
OBD II Symbol Description Notice