GM Service Manual Online
For 1990-2009 cars only
Makes
🢒
GMC_Truck
🢒
2000
🢒
Jimmy - 2WD
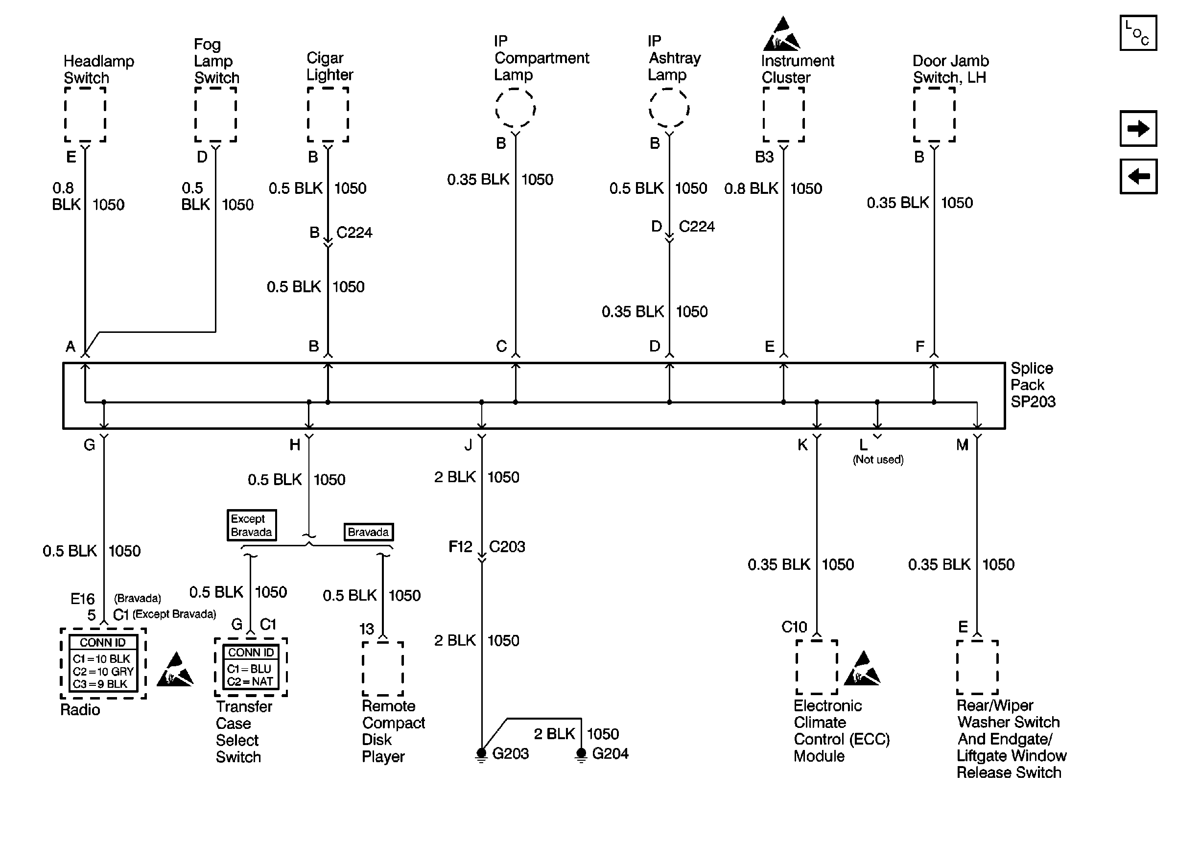
🢒 Cell 14: G203 and G204 (Utility w/ Auto A/C)
Cell 14: G203 and G204 (Utility w/ Auto A/C)
Cell 14: G203 and G204 (Utility w/ Auto A/C)
Handling ESD Sensitive Parts Notice
Power and Grounding Components
Cell 14: G203 and G204 (Envoy)
Cell 14: G203 and G204 (Utility w/ Manual A/C)
Entertainment Connector End Views
Handling ESD Sensitive Parts Notice
Transfer Case Control Connector End Views
Handling ESD Sensitive Parts Notice