GM Service Manual Online
For 1990-2009 cars only
Makes
🢒
GMC_Truck
🢒
2000
🢒
Jimmy - 2WD
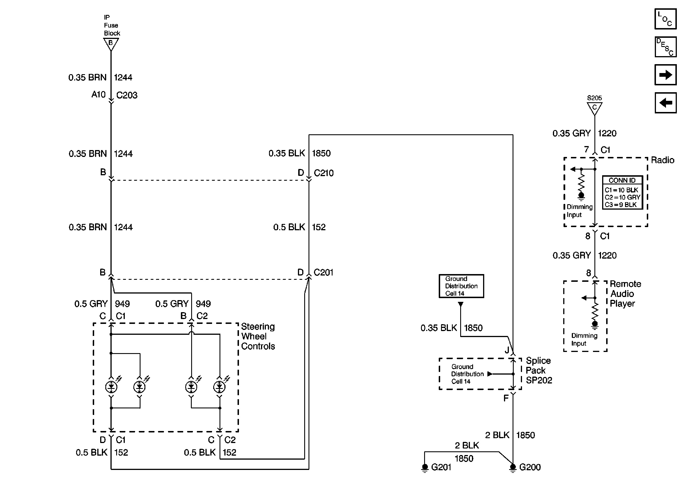
🢒 Cell 117: Steering Wheel Controls
Cell 117: Steering Wheel Controls
Cell 117: Steering Wheel Controls
Cell 117: ILLUM Fuse 12
Cell 117: ILLUM Fuse 12
Lighting Systems Components
Interior Lights Dimming Circuit Description
Cell 117: Instrument Cluster and BCM
Cell 117: ILLUM Fuse 12
Entertainment Connector End Views
Cell 14: G200, G201 and G207 (Pickup)
Cell 14: G200, G201 and G207 (Pickup)