GM Service Manual Online
For 1990-2009 cars only
Makes
🢒
GMC_Truck
🢒
2000
🢒
Jimmy - 2WD
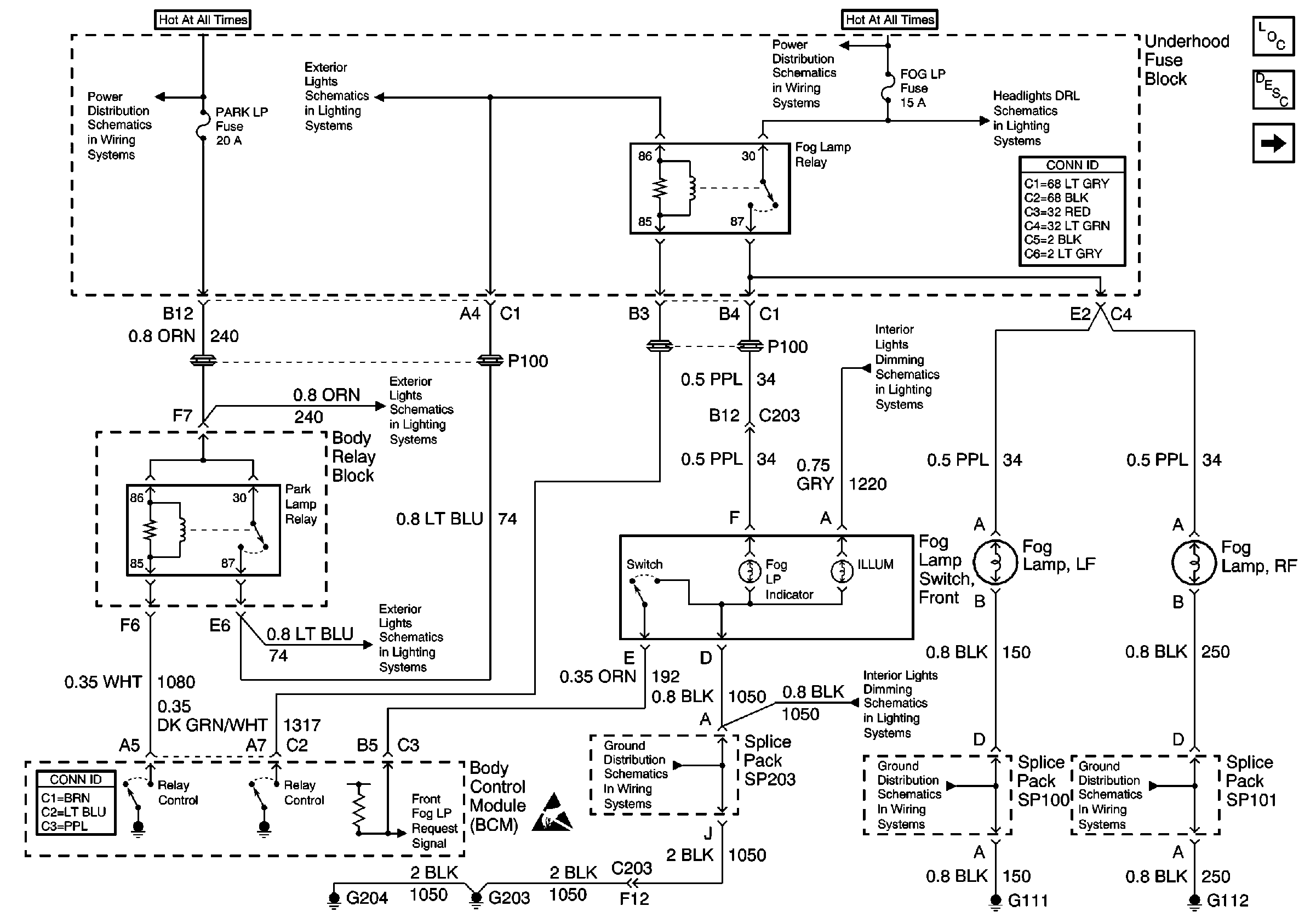
🢒 Front Fog Lamps
Front Fog Lamps
Front Fog Lamps
Lighting Systems Components
Fog Lights Circuit Description
Rear Fog Lamps (Export)
B+ Bus Bar
Park and License Lamps, Rear (Utility)
B+ Bus Bar
DRL and Headlamp Power Relays
Power and Grounding Connector End Views
Body Control System Connector End Views
Park Lamps and Marker Lamps, Front
Park Lamps and Marker Lamps, Front
Handling ESD Sensitive Parts Notice
G203 and G204 (Utility w/ Manual A/C)
ILLUM Fuse 12
Headlamp Switch
G109, G111, G112 and G113 (Except Export)
G109, G111, G112 and G113 (Except Export)