GM Service Manual Online
For 1990-2009 cars only
Makes
🢒
GMC_Truck
🢒
2000
🢒
Jimmy - 2WD
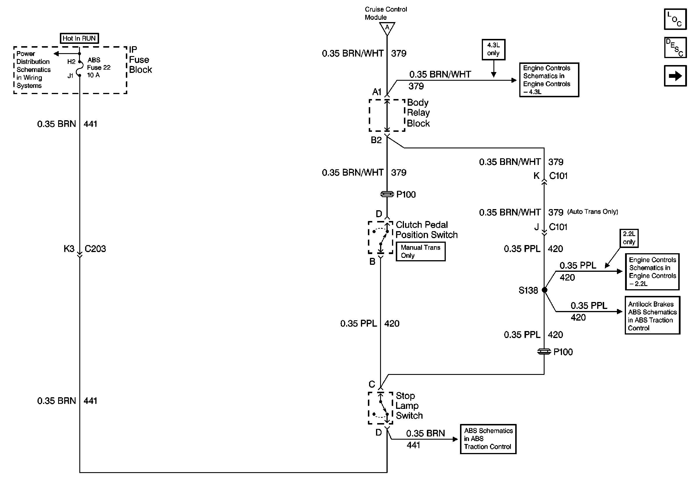
🢒 Clutch Pedal Position Switch and Stoplamp Switch
Clutch Pedal Position Switch and Stoplamp Switch
Clutch Pedal Position Switch and Stoplamp Switch
Cruise Control Components
Cruise Control System Circuit Description
Cruise Control Module and PCM/VCM
HVAC I, FRT WPR and ABS Fuses
Cruise Control Module and PCM/VCM
Stoplamp Switch Input
Brake Switch Input
Power and Ground
Power and Ground