GM Service Manual Online
For 1990-2009 cars only
Makes
🢒
GMC_Truck
🢒
2000
🢒
Jimmy - 2WD
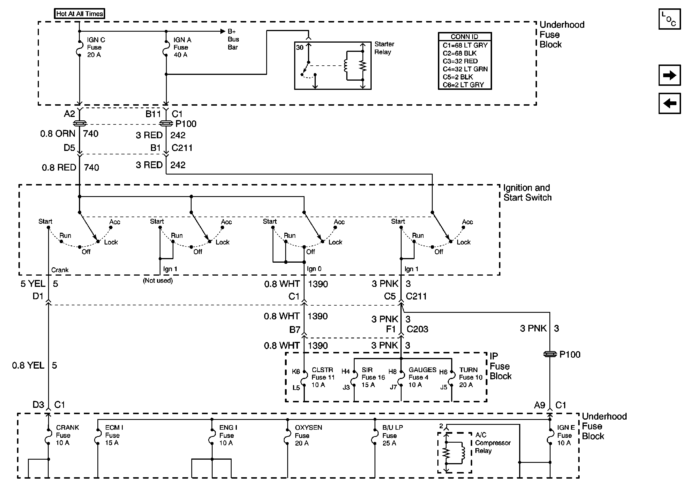
🢒 IGN C, IGN A Fuses and Ignition and Start Switch
IGN C, IGN A Fuses and Ignition and Start Switch
IGN C, IGN A Fuses and Ignition and Start Switch
Power and Grounding Components
RAP, IGN B Fuses and Ignition Switch
B+ Bus Bar
B+ Bus Bar
Power and Grounding Connector End Views