GM Service Manual Online
For 1990-2009 cars only
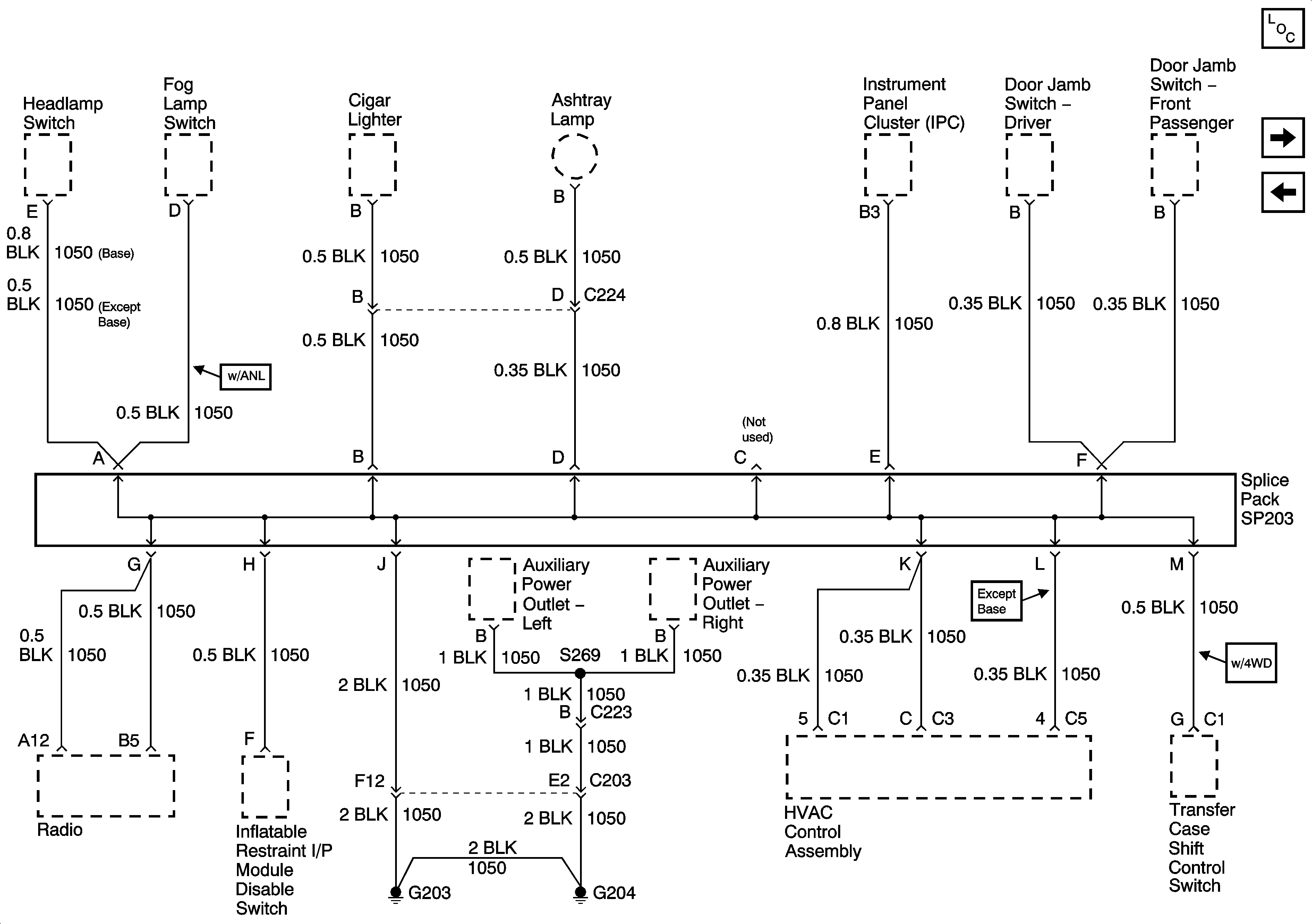
Figure 1:

G111 and G112 - Except Export


Object Number: 754475  Size: FS
Master Electrical Component List
G111 and G112 - Export
Figure 2:

G111 and G112 - Export


Object Number: 754477  Size: FS
Master Electrical Component List
G100, G101, G106, G107, G108 and G110
G111 and G112 - Except Export
Figure 3:

G100, G101, G106, G107, G108 and G110


Object Number: 754478  Size: FS
Master Electrical Component List
G102 - Except Export
G111 and G112 - Export
SIR Caution for Zoning
Figure 4:

G102 - Except Export


Object Number: 754479  Size: FS
Master Electrical Component List
G102 - Export
G100, G101, G106, G107, G108 and G110
Figure 5:

G102 - Export


Object Number: 754480  Size: FS
Master Electrical Component List
G103 and G105 - 2.2L
G102 - Except Export
Figure 6:

G103 and G105 - 2.2L


Object Number: 754482  Size: FS
Master Electrical Component List
G103 and G105 - 4.3L
G102 - Export
Figure 7:

G103 and G105 - 4.3L


Object Number: 858037  Size: FS
Master Electrical Component List
G104 and G117
G103 and G105 - 2.2L
Figure 8:

G104 and G117


Object Number: 879268  Size: FS
Master Electrical Component List
G200, G201, G207, and G300- Pickup and Crew Cab
G103 and G105 - 4.3L
Figure 9:

G200, G201, G207, and G300 - Pickup and Crew Cab


Object Number: 901507  Size: FS
Master Electrical Component List
G200, G201 and G207 - Utility
G104 and G117
G420, G450 and S427 - Utility and Crew Cab
Figure 10:

G200, G201 and G207 - Utility


Object Number: 894448  Size: FS
Master Electrical Component List
G200, G201 and G207 - Export
G200, G201, G207, and G300- Pickup and Crew Cab
Figure 11:

G200, G201, and G207 - Export


Object Number: 894450  Size: FS
Master Electrical Component List
G202 - Pickup Except Crew Cab
G200, G201 and G207 - Utility
Figure 12:

G202 - Pickup Except Crew Cab


Object Number: 879269  Size: FS
Master Electrical Component List
S501 - Utility
G200, G201 and G207 - Export
Figure 13:

S501 - Utility


Object Number: 879271  Size: FS
Master Electrical Component List
G202 - Utility and Crew Cab
G202 - Pickup Except Crew Cab
G202 - Utility and Crew Cab
Figure 14:

G202 - Utility and Crew Cab


Object Number: 879272  Size: FS
Master Electrical Component List
G203 and G204 - Pickup
S501 - Utility
S501 - Utility
Figure 15:

G203 and G204 - Pickup


Object Number: 992589  Size: FS
Master Electrical Component List
G203 and G204 - Utility w/Manual A/C
G202 - Utility and Crew Cab
Figure 16:

G203 and G204 - Utility


Object Number: 992598  Size: FS
Master Electrical Component List
G205 - Utility and Crew Cab
G203 and G204 - Pickup
Figure 17:

G205 - Utility and Crew Cab


Object Number: 879273  Size: FS
Master Electrical Component List
S313 and S419
G203 and G204 - Utility w/Manual A/C
Figure 18:

S313 and S419


Object Number: 754496  Size: FS
Master Electrical Component List
S320 and S420
G205 - Utility and Crew Cab
G420, G450 and S427 - Utility and Crew Cab
G420, G450 and S427 - Utility and Crew Cab
Figure 19:

S320 and S420


Object Number: 754497  Size: FS
Master Electrical Component List
G420, G450 and S427 - Utility and Crew Cab
S313 and S419
G420, G450 and S427 - Utility and Crew Cab
G420, G450 and S427 - Utility and Crew Cab
Figure 20:

G420, G450 and S427 - Utility and Crew Cab


Object Number: 754498  Size: FS
Master Electrical Component List
G402, G422 and G475 - Fleetside Pickup
S320 and S420
G200, G201, G207, and G300- Pickup and Crew Cab
S313 and S419
S320 and S420
S313 and S419
S320 and S420
Figure 21:

G402, G422 and G475 - Fleetside Pickup


Object Number: 754499  Size: FS
Master Electrical Component List
G402, G422 and G475 - Sportside Pickup
G420, G450 and S427 - Utility and Crew Cab
Figure 22:

G402, G422 and G475 - Sportside Pickup


Object Number: 754501  Size: FS
Master Electrical Component List
G402 and G421 - Utility
G402, G422 and G475 - Fleetside Pickup
Figure 23:

G402 and G421 - Utility


Object Number: 858038  Size: FS
Master Electrical Component List
G402, G422 and G475 - Sportside Pickup