GM Service Manual Online
For 1990-2009 cars only
Makes
🢒
GMC_Truck
🢒
2003
🢒
Jimmy - 2WD
🢒
Body and Accessories
🢒
Wipers/Washer Systems
🢒 Wiper/Washer Schematics
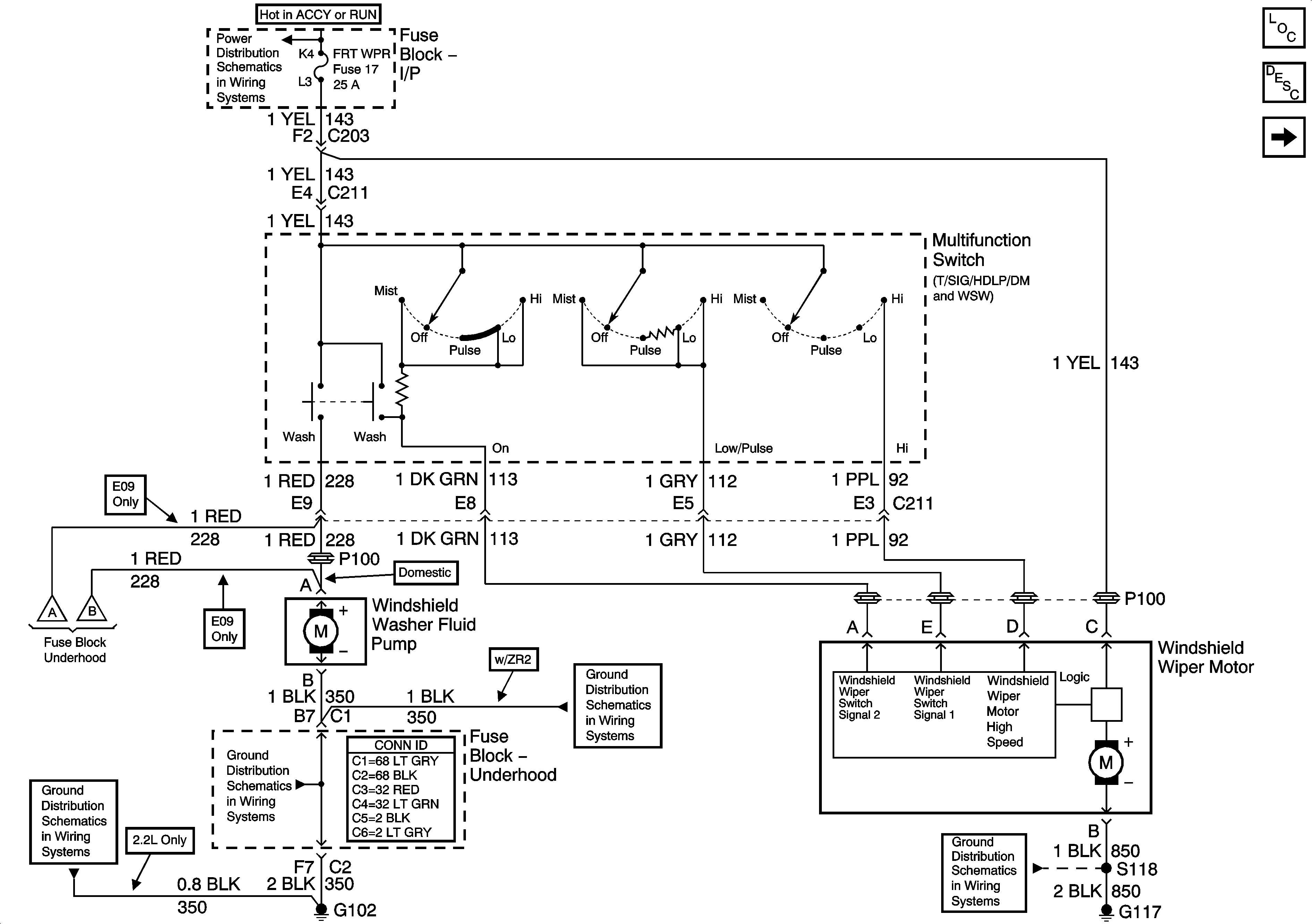
Figure
1:
Pulse Wipers
Master Electrical Component List
Wiper/Washer System Description and Operation
Rear Wipers
HVAC I Fuse
G102 - Except Export
Headlamp Washer System - Export Only
G102 - Except Export
G102 - Except Export
G104 and G117
Figure
2:
Rear Wipers
Master Electrical Component List
Rear Wiper/Washer System Description and Operation
Headlamp Washer System - Export Only
Pulse Wipers
RR WPR, FRT WPR and ABS Fuses
B+ Bus Bar
G102 - Except Export
G102 - Except Export
G420, G450 and S427 - Utility and Crew Cab
Figure
3:
Headlamp Washer System - Export Only
Master Electrical Component List
Headlamp Washer System Description and Operation
Rear Wipers
RR WPR, FRT WPR and ABS Fuses
RR WPR, FRT WPR and ABS Fuses
FR PRK, LR PRK, RR PRK, TRL PRK and Fog Lamp Relay - Export
FR PRK, LR PRK, RR PRK, TRL PRK and Fog Lamp Relay - Export
Pulse Wipers
G111 and G112 - Export
G111 and G112 - Export