GM Service Manual Online
For 1990-2009 cars only
Makes
🢒
GMC_Truck
🢒
2003
🢒
Jimmy - 2WD
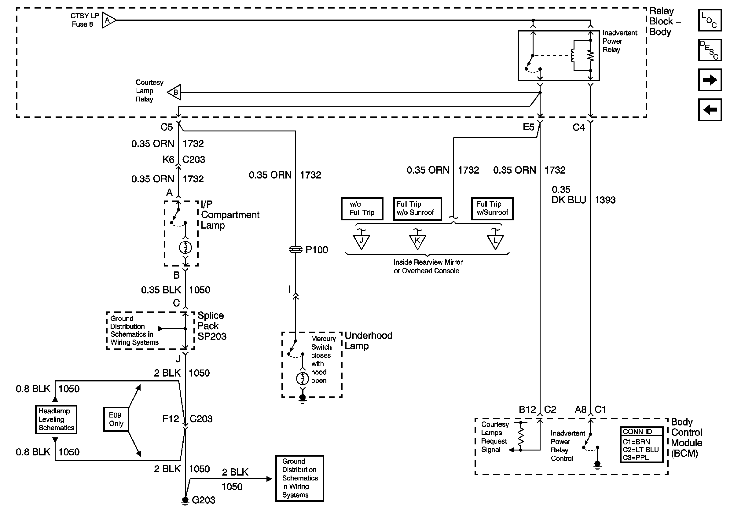
🢒 Inadvertant Power Relay
Inadvertant Power Relay
Inadvertent Power Relay
Master Electrical Component List
Interior Lighting Systems Description and Operation
Front Door Jamb and Door Handle Switches
CTSY LP Fuse and Courtesy Lamp Relay
CTSY LP Fuse and Courtesy Lamp Relay
CTSY LP Fuse and Courtesy Lamp Relay
Inside Rearview Mirror or Driver Information Center
Driver Information Center - Utility w/o Sunroof
Driver Information Display Module - Utility w/ Sunroof
G203 and G204 - Pickup
Headlight Leveling Schematics
G203 and G204 - Pickup