GM Service Manual Online
For 1990-2009 cars only
Makes
🢒
GMC_Truck
🢒
1996
🢒
Safari - 2WD
🢒
Engine
🢒
Engine Electrical
🢒 Starting and Charging Schematics
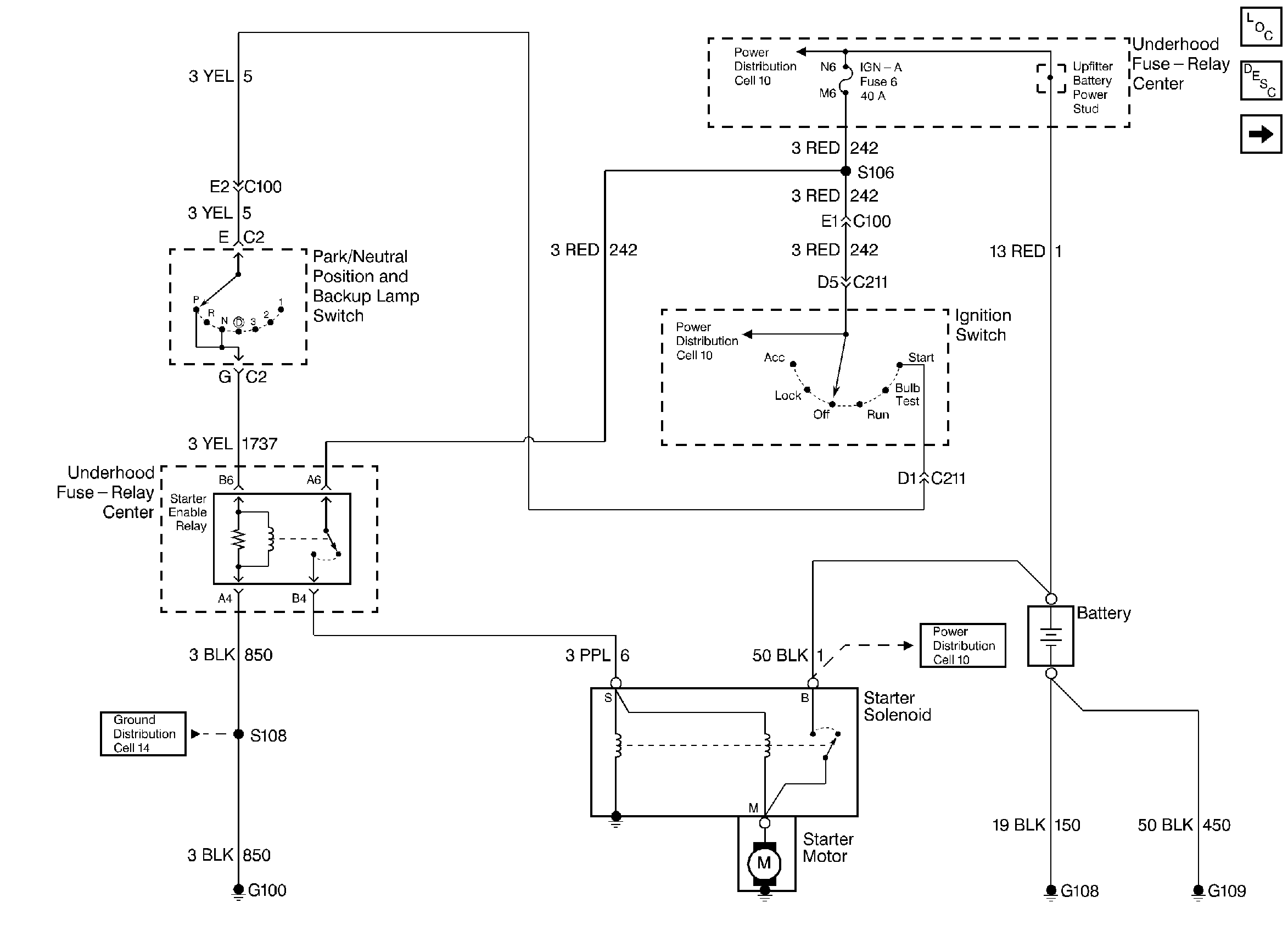
Figure
1:
Starting System
Starting and Charging Components
Starting and Charging Circuit
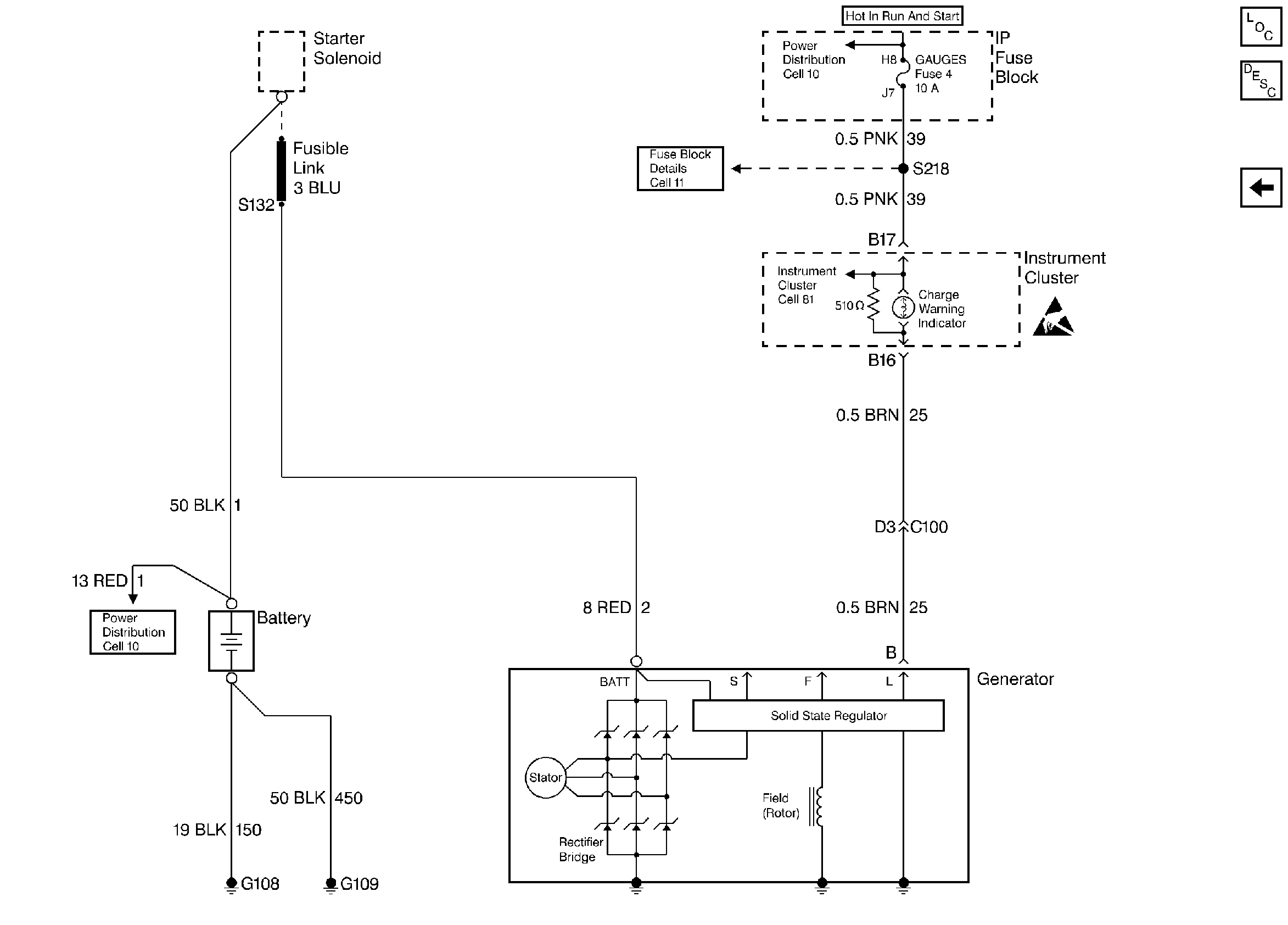
Charging System
Figure
2:
Charging System
Starting and Charging Components
Starting and Charging Circuit
Starting System
Handling ESD Sensitive Parts Notice