GM Service Manual Online
For 1990-2009 cars only
Makes
🢒
GMC_Truck
🢒
2000
🢒
Safari - 2WD
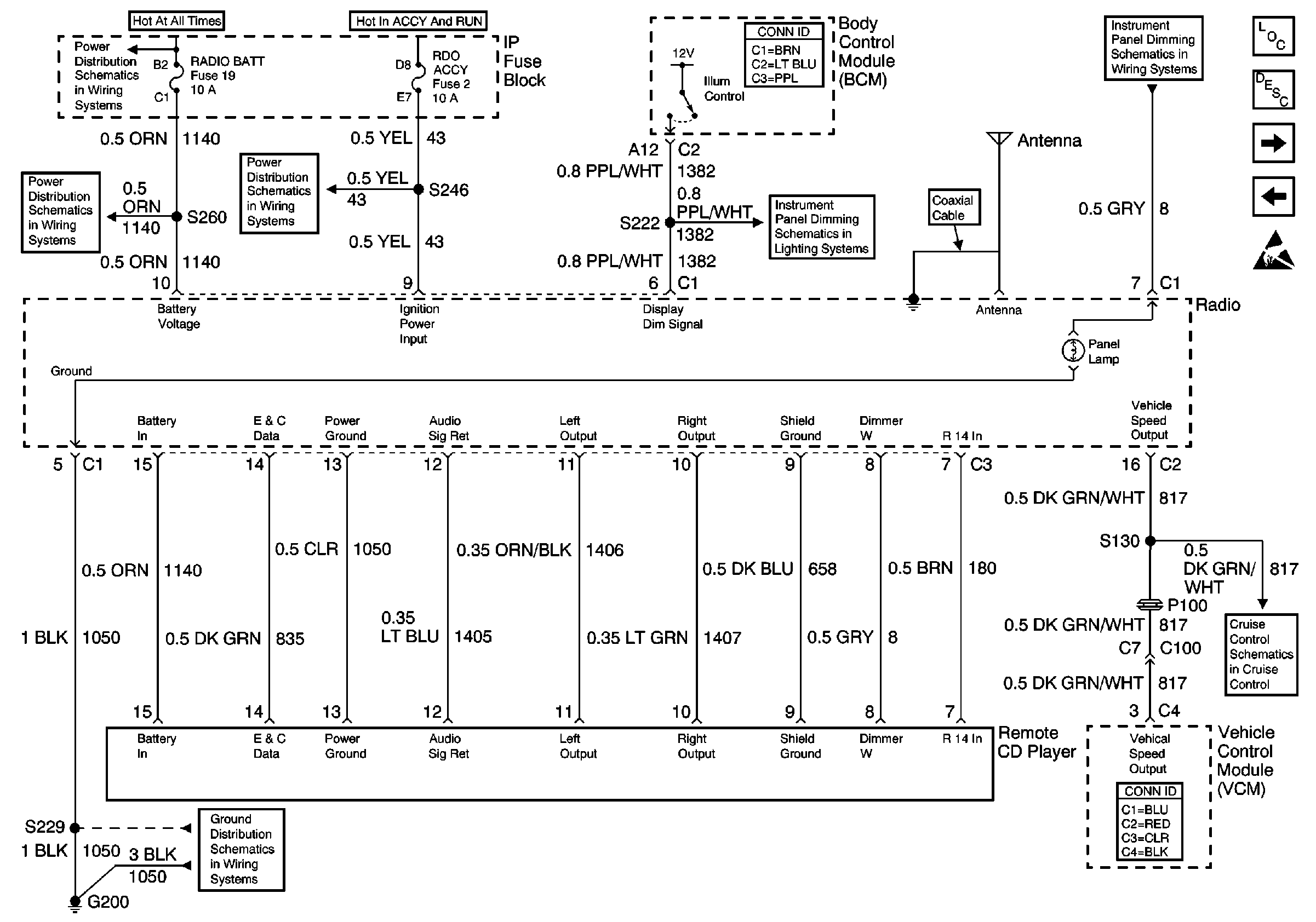
🢒 Power and Ground (Premium Radio w/ Speed Compensated Volume)
Power and Ground (Premium Radio w/ Speed Compensated Volume)
Power and Ground (Premium Radio w/ Speed Compensated Volume)
Entertainment Components
Radio/Audio System Circuit Description
Speakers and Sub-Woofer (Premium Radio w/ Speed Compensated Volume)
Base Radio
Handling ESD Sensitive Parts Notice
BATT and LIGHTING Fuse
CIG LTR Fuse 13, RADIO BATT Fuse 19 and CRANK Fuse 8
WIPER Fuse 17, RADIO ACCY Fuse 2 and RR WIPER Fuse 23
Dimming Rheostat
Headlamp and Panel Dimmer Switch
Cruise Control Schematics
G200 (1 of 2)