GM Service Manual Online
For 1990-2009 cars only
Makes
🢒
GMC_Truck
🢒
2004
🢒
Safari - 2WD
🢒
Accessories
🢒
Power Outlets
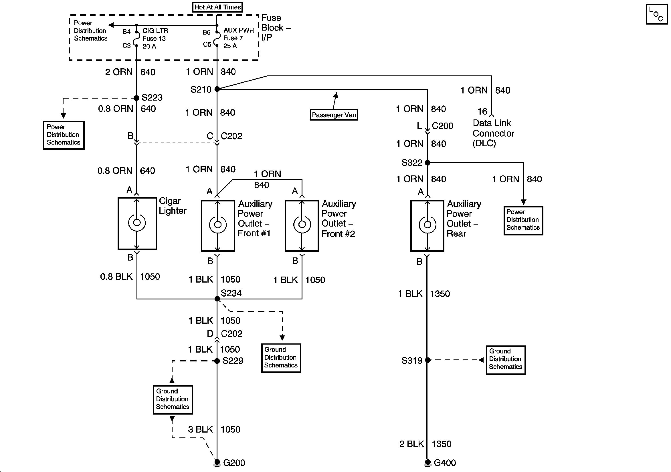
🢒 Cigar Lighter/Power Outlet Schematics
Master Electrical Component List
Battery and Lighting Fuse
Cig Lighter Fuse, Radio Battery Fuse and Crank Fuse
G200
G200
G301, G303, G400, and G404