GM Service Manual Online
For 1990-2009 cars only
Makes
🢒
GMC_Truck
🢒
2004
🢒
Safari - 4WD
🢒
HVAC
🢒
HVAC Systems - Manual
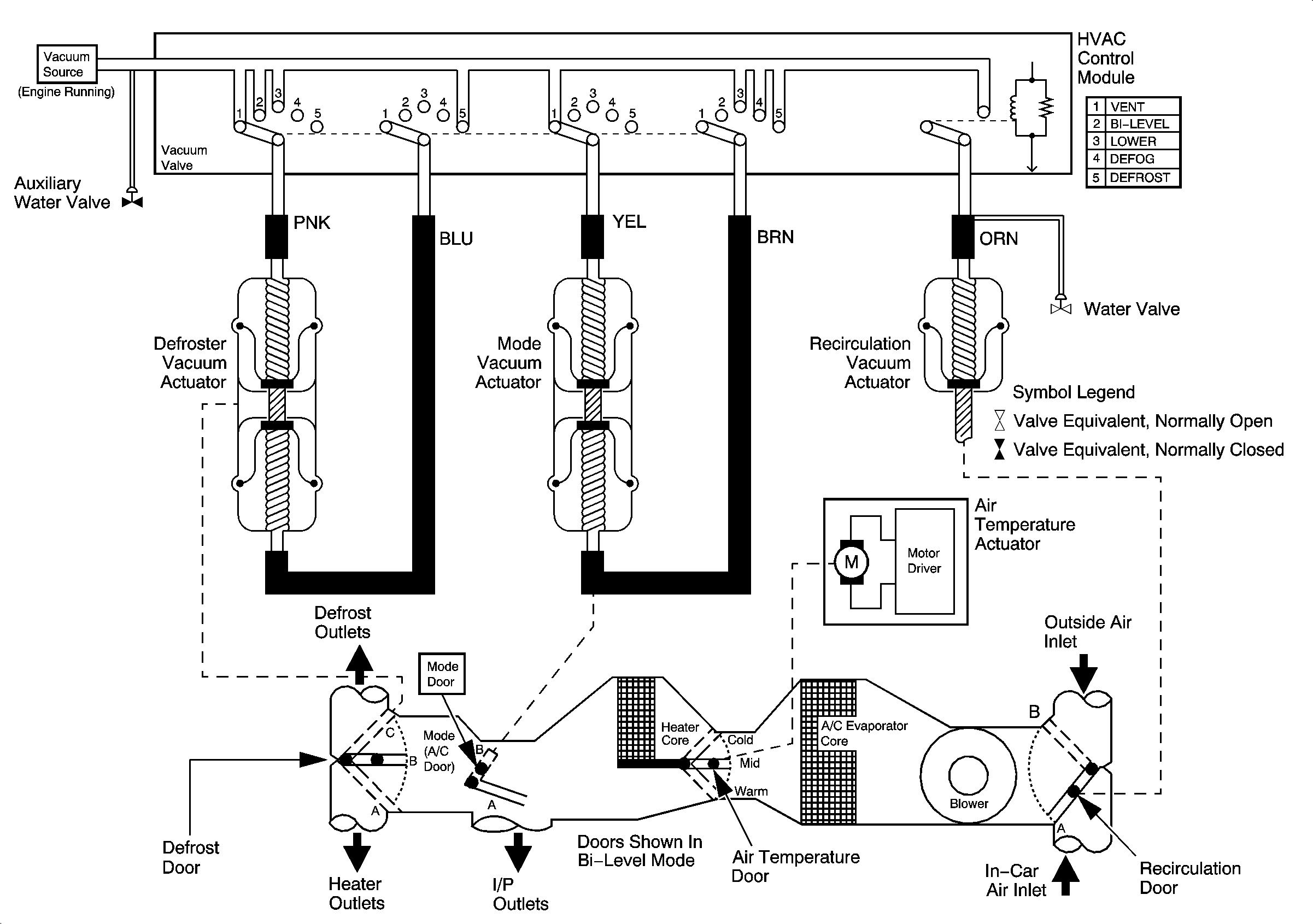
🢒 HVAC Vacuum Schematics