GM Service Manual Online
For 1990-2009 cars only
Makes
🢒
GMC_Truck
🢒
2000
🢒
Savana
🢒
Transmission/Transaxle
🢒
Automatic Transmission - 4L60-E
🢒 Automatic Transmission Controls Schematics
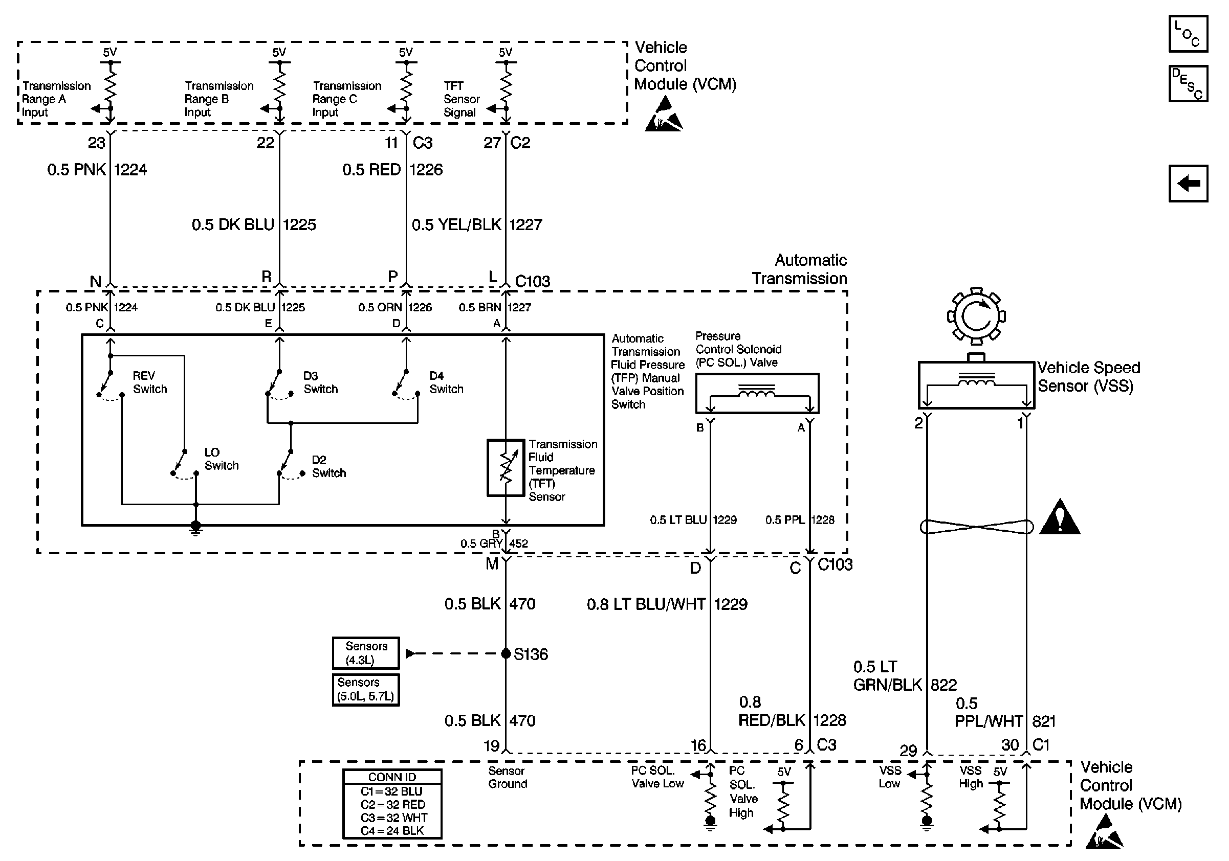
Figure
1:
PWR and Solenoids
Automatic Transmission Components
Electronic Component Description
Switches And VSS
RADIO 1, WIPER, TRANS, and CRANK Fuses
Cruise Control System-Gasoline Engines
ABS System Schematics (IP, VCM, EBCM, and VSS)
IGN A, IGN B Fuses, and Ignition Switch
CRUISE, HTR A/C, and BRAKE Fuses
Handling ESD Sensitive Parts Notice
Figure
2:
Switches And VSS
Automatic Transmission Components
Electronic Component Description
PWR and Solenoids
Sensor Controls: MAP, Fuel Tank Pressure Sensor, IAT, TP Sensor, ECT
Sensor Controls: MAP, Fuel Tank Pressure Sensor, IAT, TP Sensor, ECT
Handling ESD Sensitive Parts Notice
Handling ESD Sensitive Parts Notice
Notice: Twisted wire specifications