GM Service Manual Online
For 1990-2009 cars only
Makes
🢒
GMC_Truck
🢒
2000
🢒
Savana
🢒
Body and Accessories
🢒
Horns
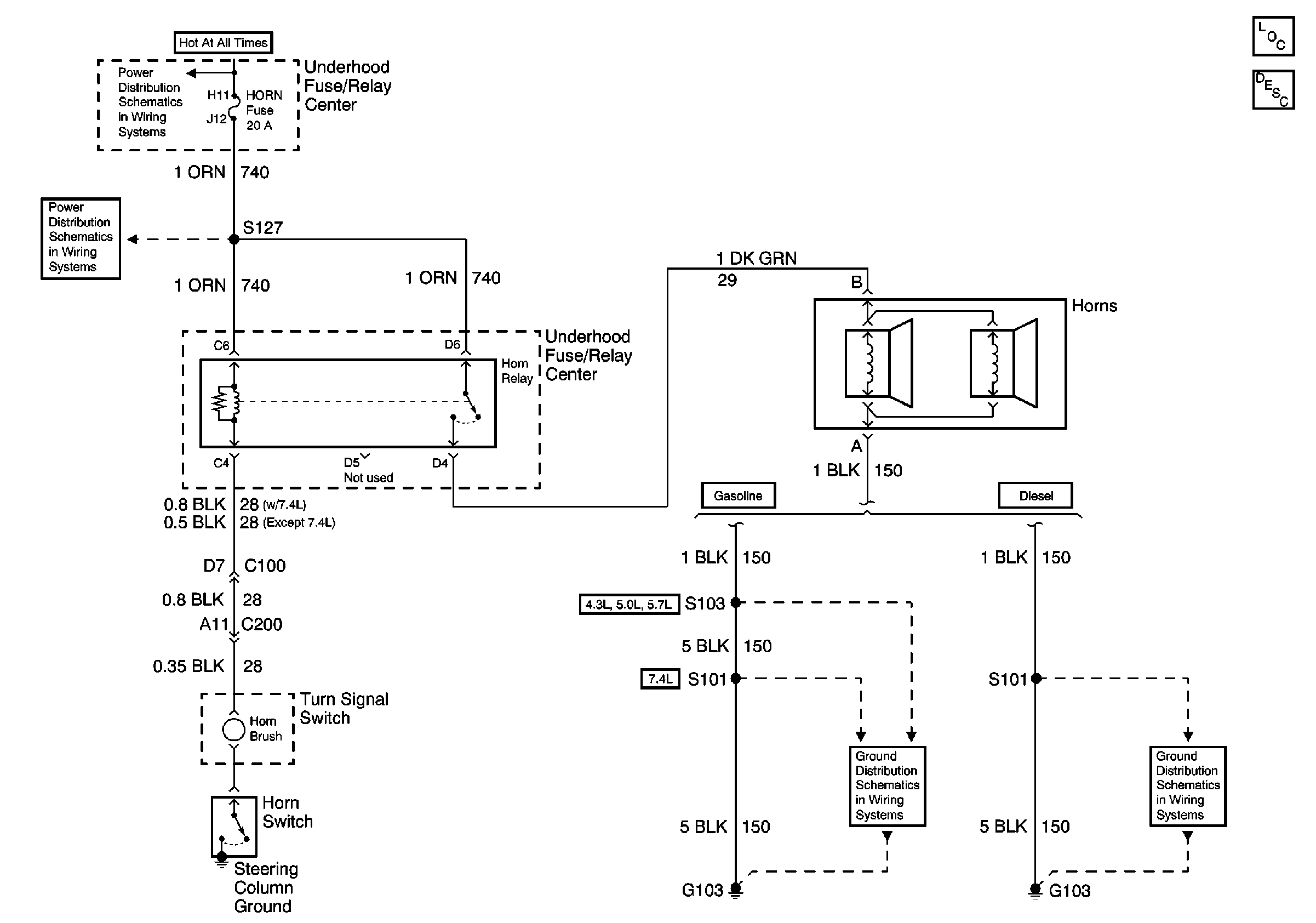
🢒 Horn Schematics
Horns Components
Horns Circuit Description
Battery, Auxiliary Battery, and Underhood Fuse/Relay Center
Battery, Auxiliary Battery, and Underhood Fuse/Relay Center