GM Service Manual Online
For 1990-2009 cars only
Makes
🢒
GMC_Truck
🢒
2000
🢒
Savana
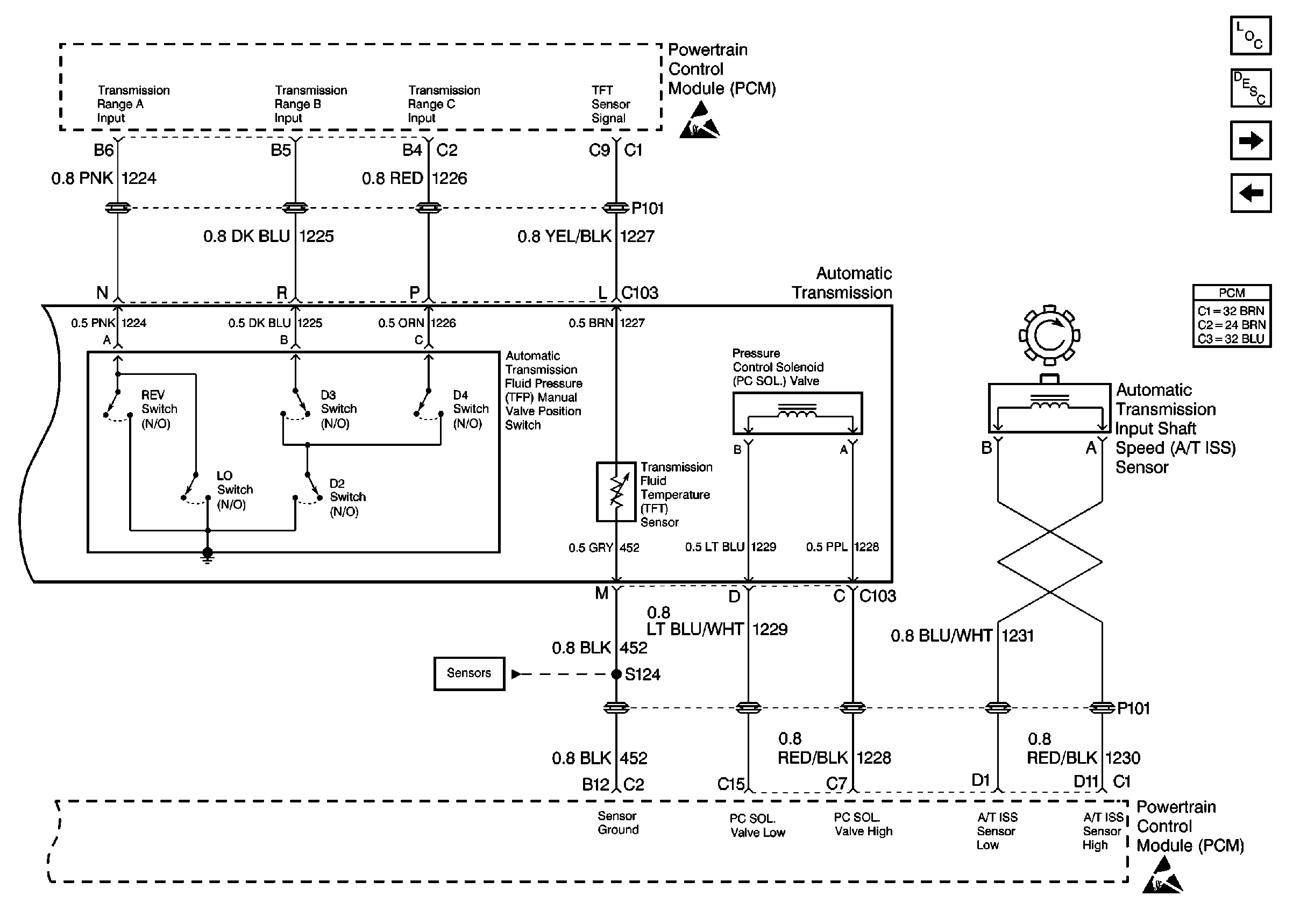
🢒 Cell 22: 4L80-E Switch and ISS Controls
Cell 22: 4L80-E Switch and ISS Controls
Cell 22: 4L80-E Switch and ISS Controls
Engine Controls Components
Information Sensors/Switches Description
Cell 22: A/C Controls
Cell 22: 4L80-E Solenoid Controls
Cell 22: Sensor Controls
Powertrain Control Module Connector End Views
Handling ESD Sensitive Parts Notice
Handling ESD Sensitive Parts Notice
Cell 22: 4L80-E Solenoid Controls