GM Service Manual Online
For 1990-2009 cars only

Exploded View of Instrument Panel


Object Number: 1332196  Size: B4

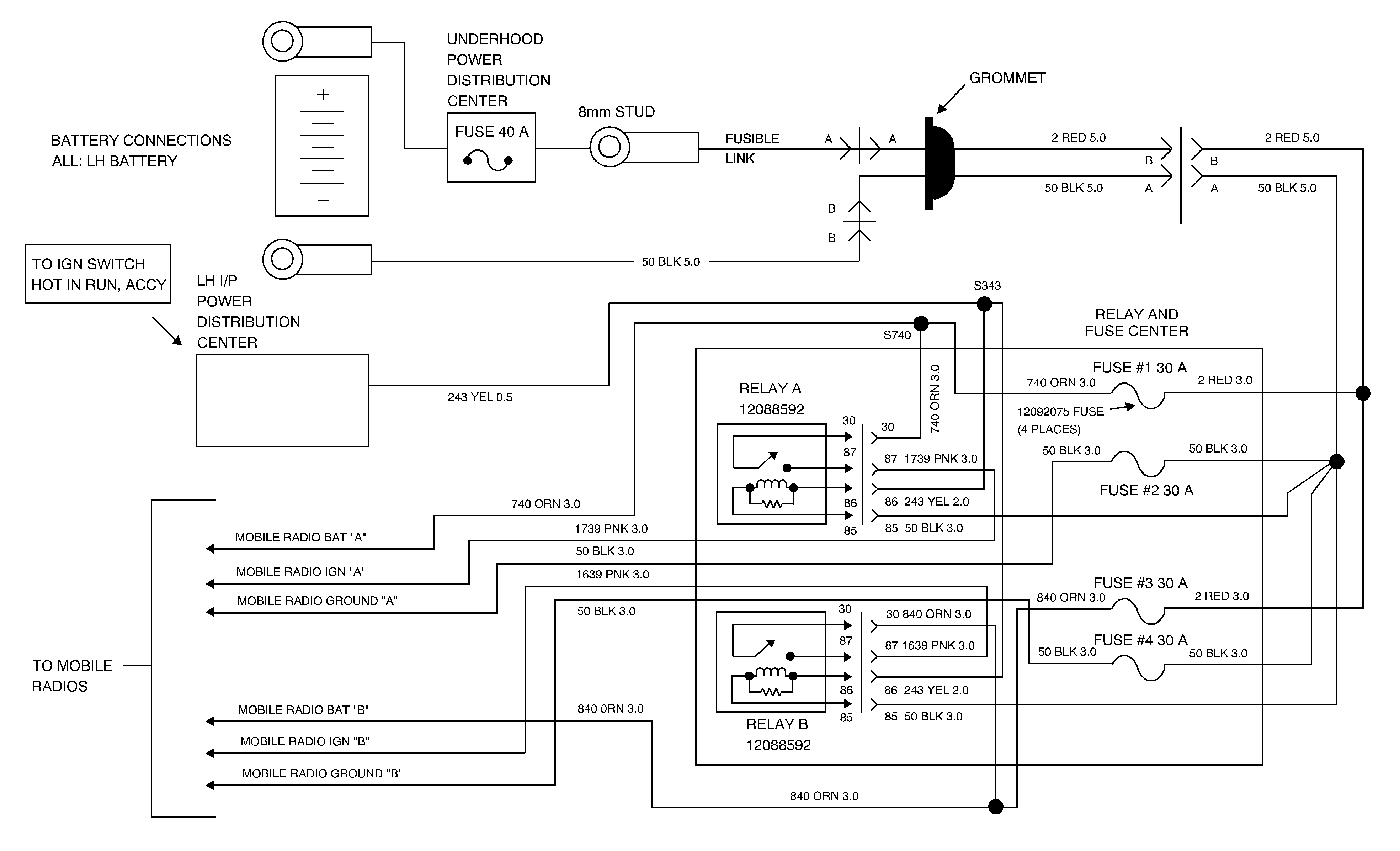
This part tells you how to access the vehicle's relay and fuse center for checking and replacing fuses.

The relay and fuse center (A) is located behind the instrument panel storage compartment. To access the relay and fuse center (A), push the right end of the storage tray (C) in to allow the stop tab (B) to clear the compartment opening. Move the tray toward the floor so that it hangs from the hinge.

You can also access the relay and fuse center (A) by removing it from the mounting bracket. Lift the lock tab on the bottom away from the bracket and slide the relay and fuse center (A) down the bracket until it can be removed.

Remove the relay and fuse center cover. Replace the 30-amp mini fuse with a 30-amp (or less, as required by the added electrical accessory) mini fuse. Replace a relay with a GM Part No. 12193804 relay, or equivalent.

After servicing the center, return it to the bracket. Engage the "D" slots, then push upward until the lock tab drops into place.

Install the storage tray into the compartment, and push in on the right side to let the stop tab (B) pass through the opening.


Object Number: 1331326  Size: C2