GM Service Manual Online
For 1990-2009 cars only
Makes
🢒
GMC_Truck
🢒
2004
🢒
Savana
🢒 Lock and Unlock Control
Lock and Unlock Control
Lock and Unlock Control
Master Electrical Component List
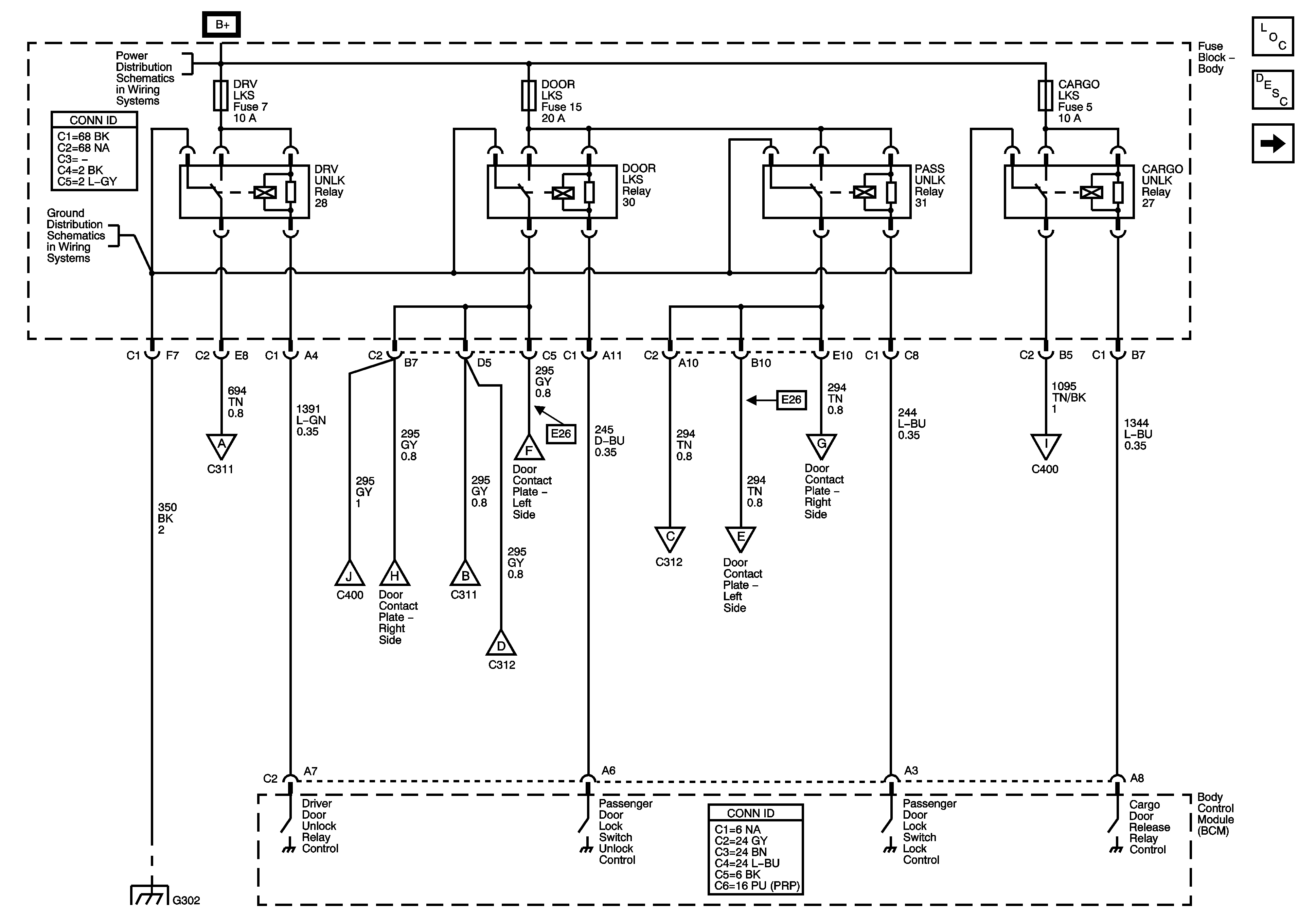
Power Door Locks Description and Operation
Door Latches and Actuators
B+ Bus - Body Fuse Block
G103, G104, G105, G106, G300 and G301
Door Latches and Actuators
Door Latches and Actuators
Door Latches and Actuators
Door Latches and Actuators
Door Latches and Actuators
Door Latches and Actuators
Door Latches and Actuators
Door Latches and Actuators
Door Latches and Actuators
Door Latches and Actuators
G302