GM Service Manual Online
For 1990-2009 cars only
Makes
🢒
GMC_Truck
🢒
2004
🢒
Savana
🢒 OnStar Schematics
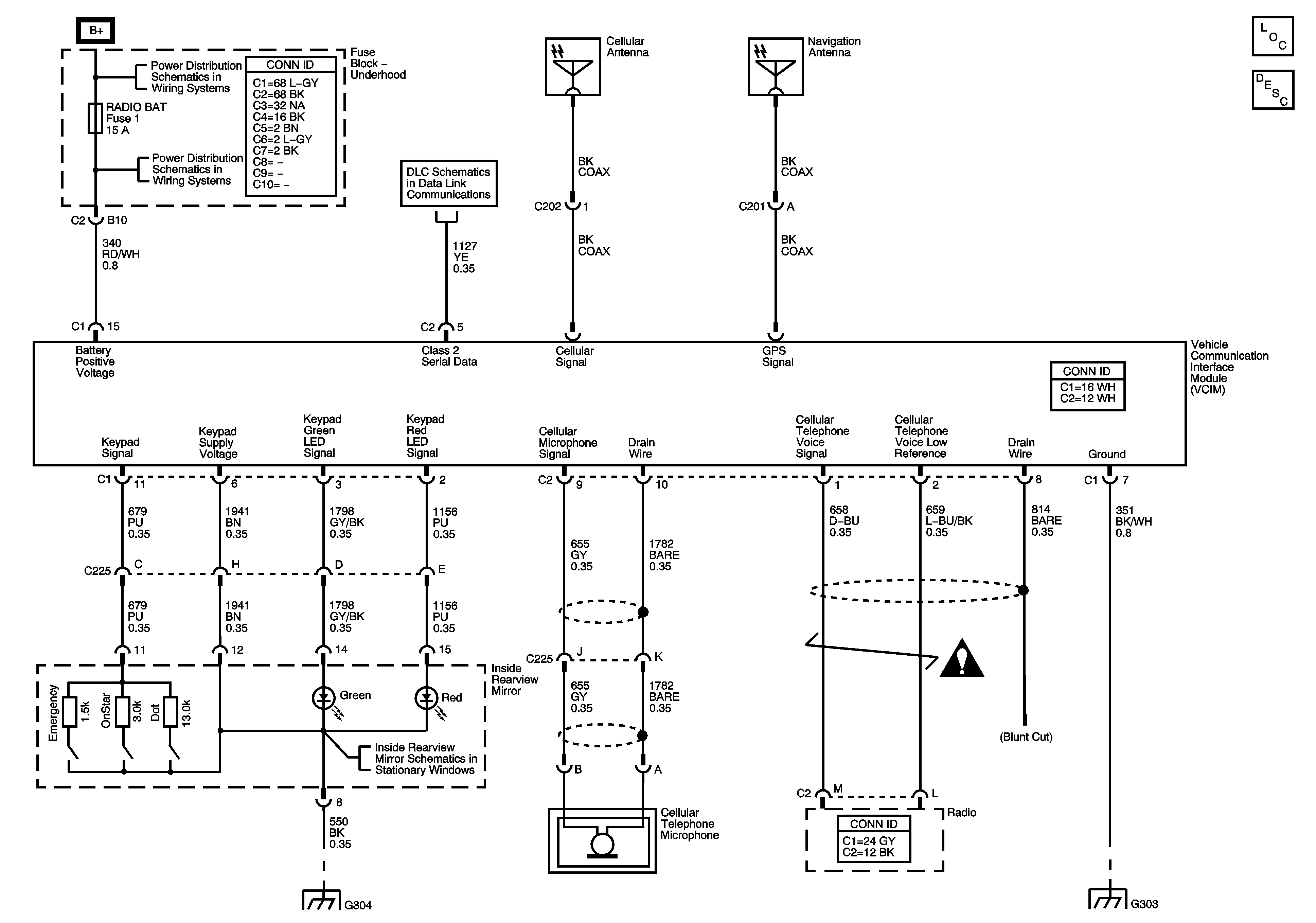
OnStar Schematics
Master Electrical Component List
OnStar Description and Operation
B+ Bus - Underhood Fuse Block
TBC, TBC 2, TBC 3, TBC 4, RADIO BAT, RR DEF/HTD MIR, FLASHER and RFA Fuses, PWR SEAT Circuit Breaker
Data Link Connector (DLC)
Cellular Communication Schematic Icons
Inside Rearview Mirror Schematics
G303 and G304
G303 and G304