GM Service Manual Online
For 1990-2009 cars only
Makes
🢒
GMC_Truck
🢒
2004
🢒
Savana
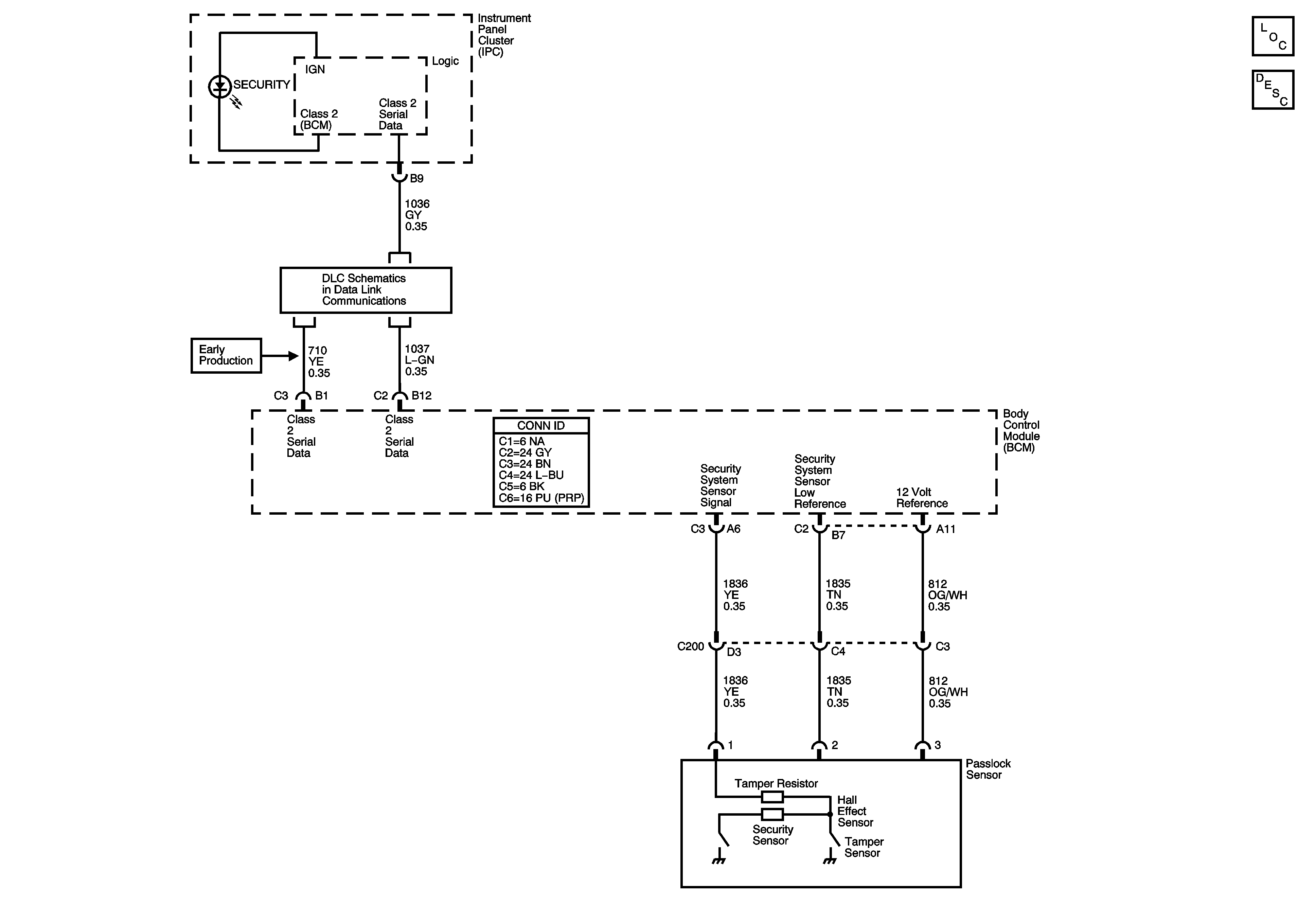
🢒 Theft Deterrent System Schematics
Theft Deterrent System Schematics
Master Electrical Component List
Theft Systems Description and Operation
Data Link Connector (DLC)