GM Service Manual Online
For 1990-2009 cars only
Figure 1:

Module Power, Ground, Serial Data and MIL


Object Number: 1396848  Size: FS
Master Electrical Component List
Powertrain Control Module Description
Control Module References
Engine Data Sensors - 5 Volt and Low Reference
OBD II Symbol Description Notice
B+ Bus - Underhood Fuse Block
Ignition Switch - ACCY/RUN, RUN/START Bus Bars and IGN B Fuse
BTSI, BTSI/BU, O2A, O2B, PCM IGN 1, SPARE and TRLR BU Fuses
BRKS, CRANK, FR WPR, HVAC, IGN 0 and TBC ACC Fuses
BRKS, CRANK, FR WPR, HVAC, IGN 0 and TBC ACC Fuses
G103, G104, G105, G106, G300 and G301
Data Link Connector (DLC) Schematics
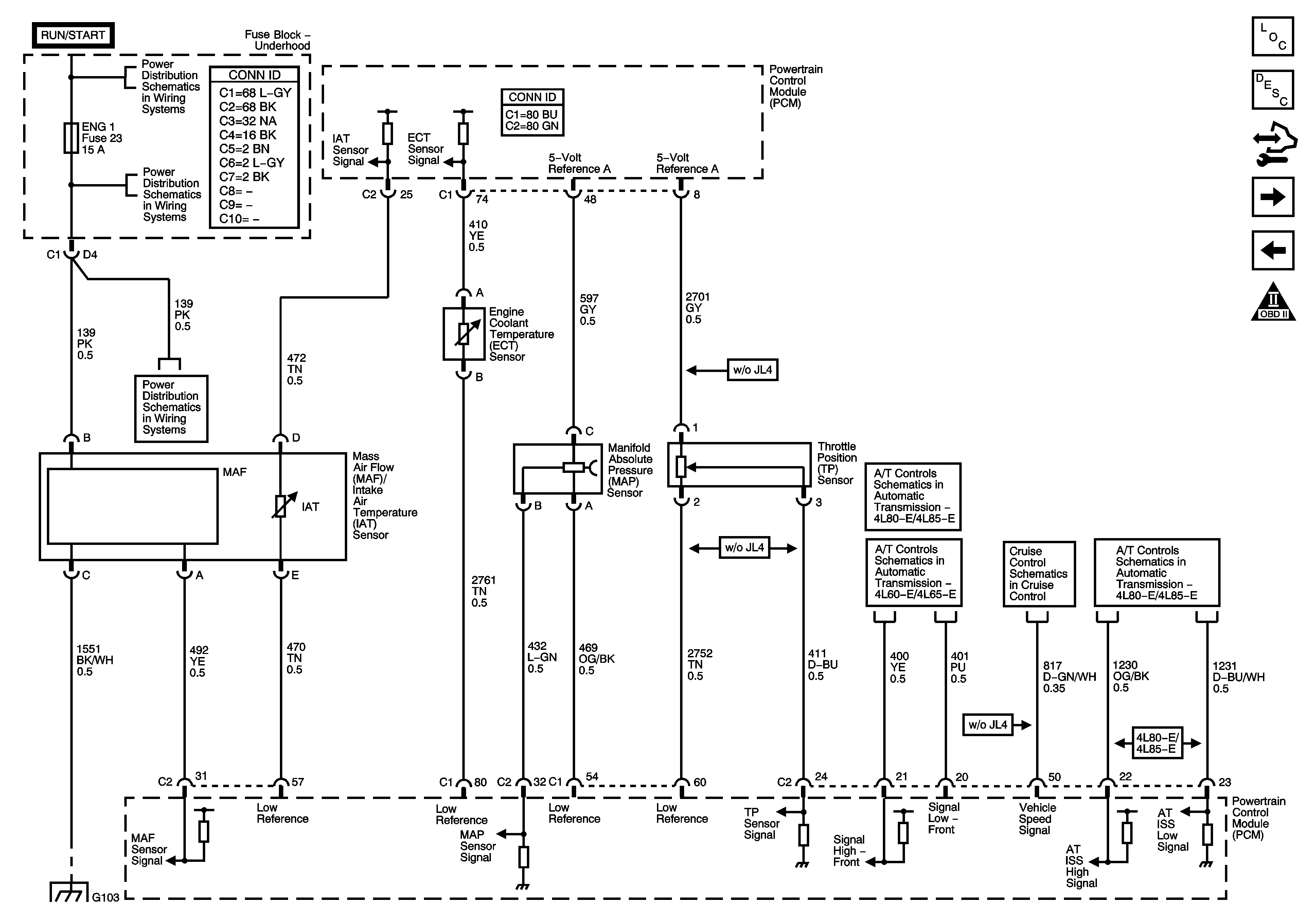
Figure 2:

Engine Data Sensors - 5-Volt and Low Reference


Object Number: 1396849  Size: FS
Master Electrical Component List
Powertrain Control Module Description
Control Module References
Engine Data Sensors - Pressure, Temperature and Position
Module Power, Ground, Serial Data and MIL
OBD II Symbol Description Notice
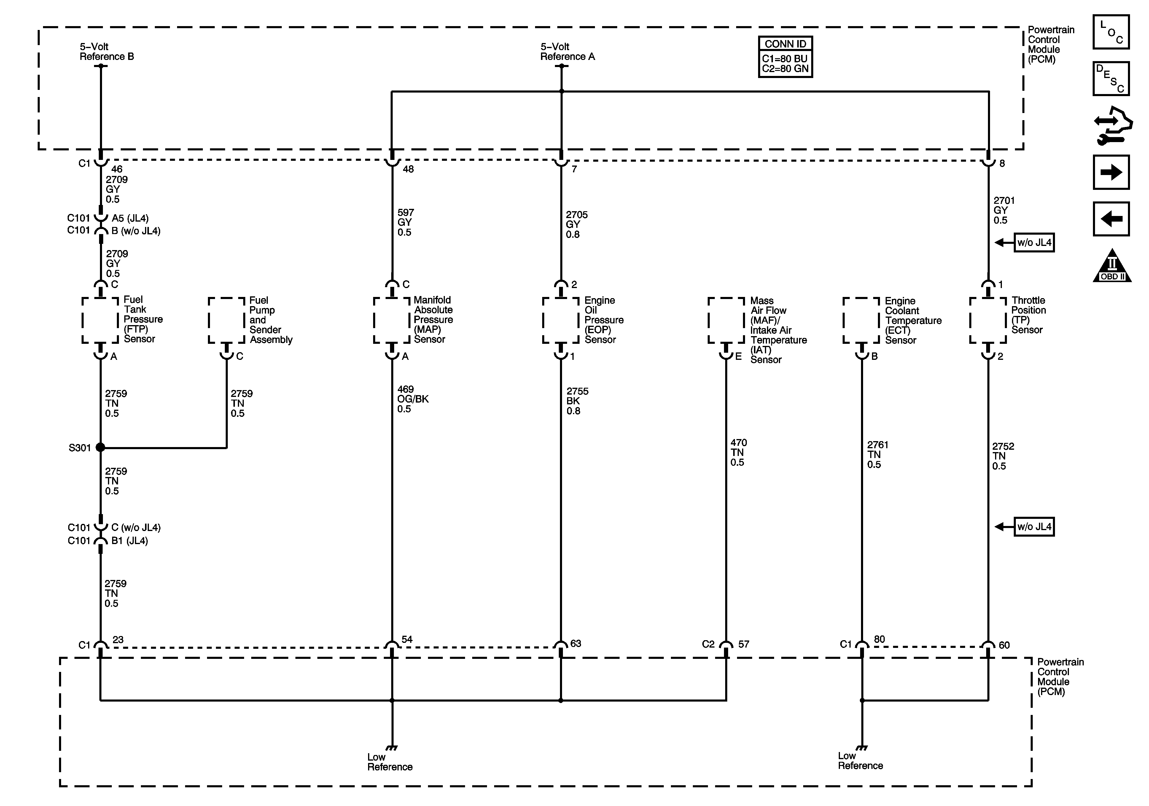
Figure 3:

Engine Data Sensors - Pressure, Temperature and Position


Object Number: 1396850  Size: FS
Master Electrical Component List
Powertrain Control Module Description
Control Module References
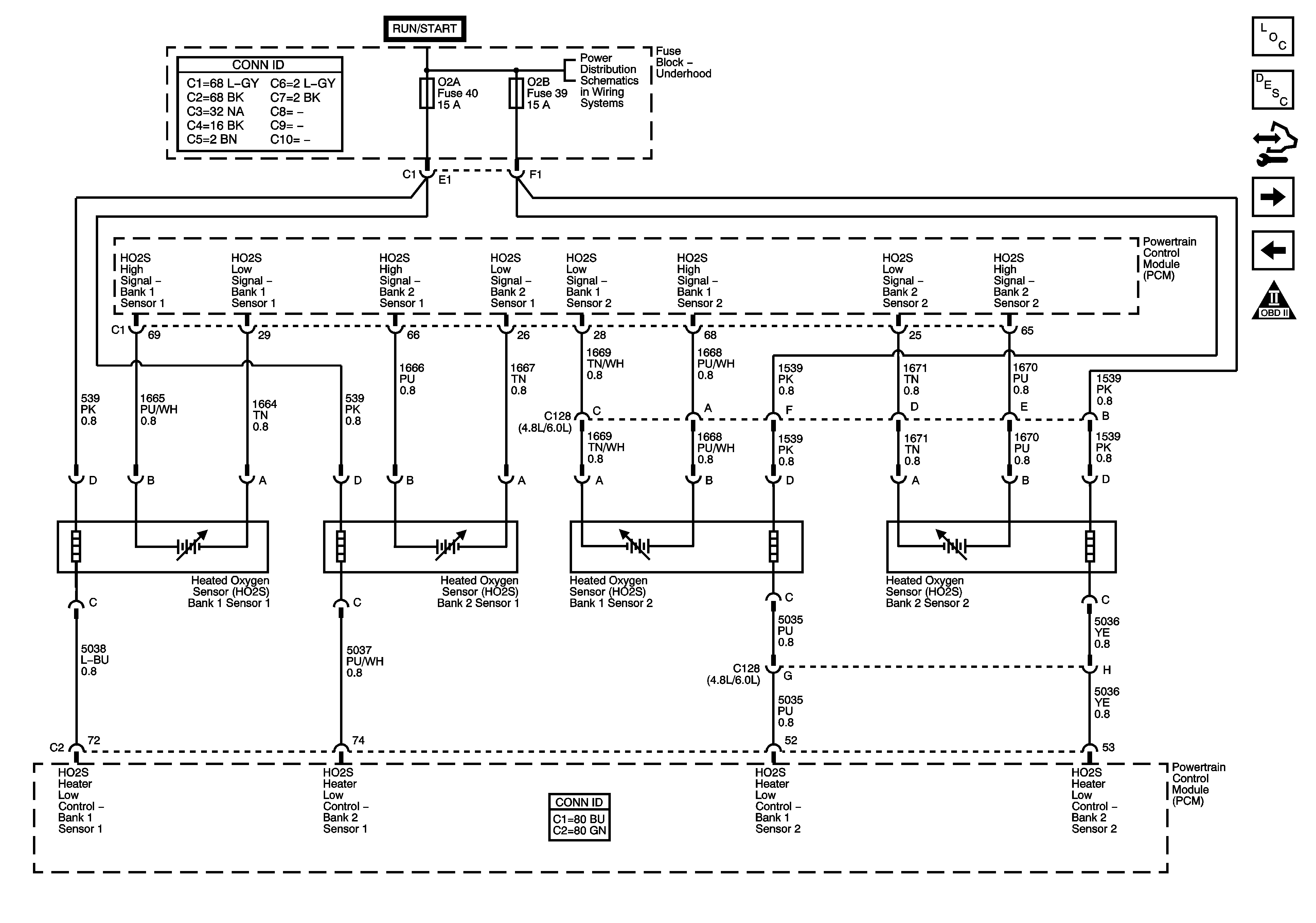
Engine Data Sensors - Oxygen Sensors
Engine Data Sensors - 5 Volt and Low Reference
OBD II Symbol Description Notice
Ignition Switch - ACCY/RUN, RUN/START Bus Bars and IGN B Fuse
ENG 1 and ENG 2 Fuses - 4.8L, 5.3L and 6.0L
ENG 1 and ENG 2 Fuses - 4.8L, 5.3L and 6.0L
Pressure Controls, Temperature and VSS
Pressure Controls, Temperature and VSS
w/o JL4
Pressure Controls, Temperature and VSS
G103, G104, G105, G106, G300 and G301
Figure 4:

Engine Data Sensors - Oxygen Sensors


Object Number: 1396851  Size: FS
Master Electrical Component List
Powertrain Control Module Description
Control Module References
Engine Data Sensors - Throttle Actuator Controls 1 of 2 (JL4)
Engine Data Sensors - Pressure, Temperature and Position
OBD II Symbol Description Notice
Ignition Switch - ACCY/RUN, RUN/START Bus Bars and IGN B Fuse
Figure 5:

Engine Data Sensors - Throttle Actuator Controls - 1 of 2 (JL4)


Object Number: 1396852  Size: FS
Master Electrical Component List
Powertrain Control Module Description
Control Module References
Engine Data Sensors - Throttle Actuator Controls 2 of 2 (JL4)
Engine Data Sensors - Oxygen Sensors
OBD II Symbol Description Notice
Ignition Switch - ACCY/RUN, RUN/START Bus Bars and IGN B Fuse
BTSI, BTSI/BU, O2A, O2B, PCM IGN 1, SPARE and TRLR BU Fuses
G102
Figure 6:

Engine Data Sensors - Throttle Actuator Controls - 2 of 2 (JL4)


Object Number: 1396856  Size: FS
Master Electrical Component List
Powertrain Control Module Description
Control Module References
Ignition Controls - Ignition System Coils 1, 3, 5, 7
Engine Data Sensors - Throttle Actuator Controls 1 of 2 (JL4)
OBD II Symbol Description Notice
JL4
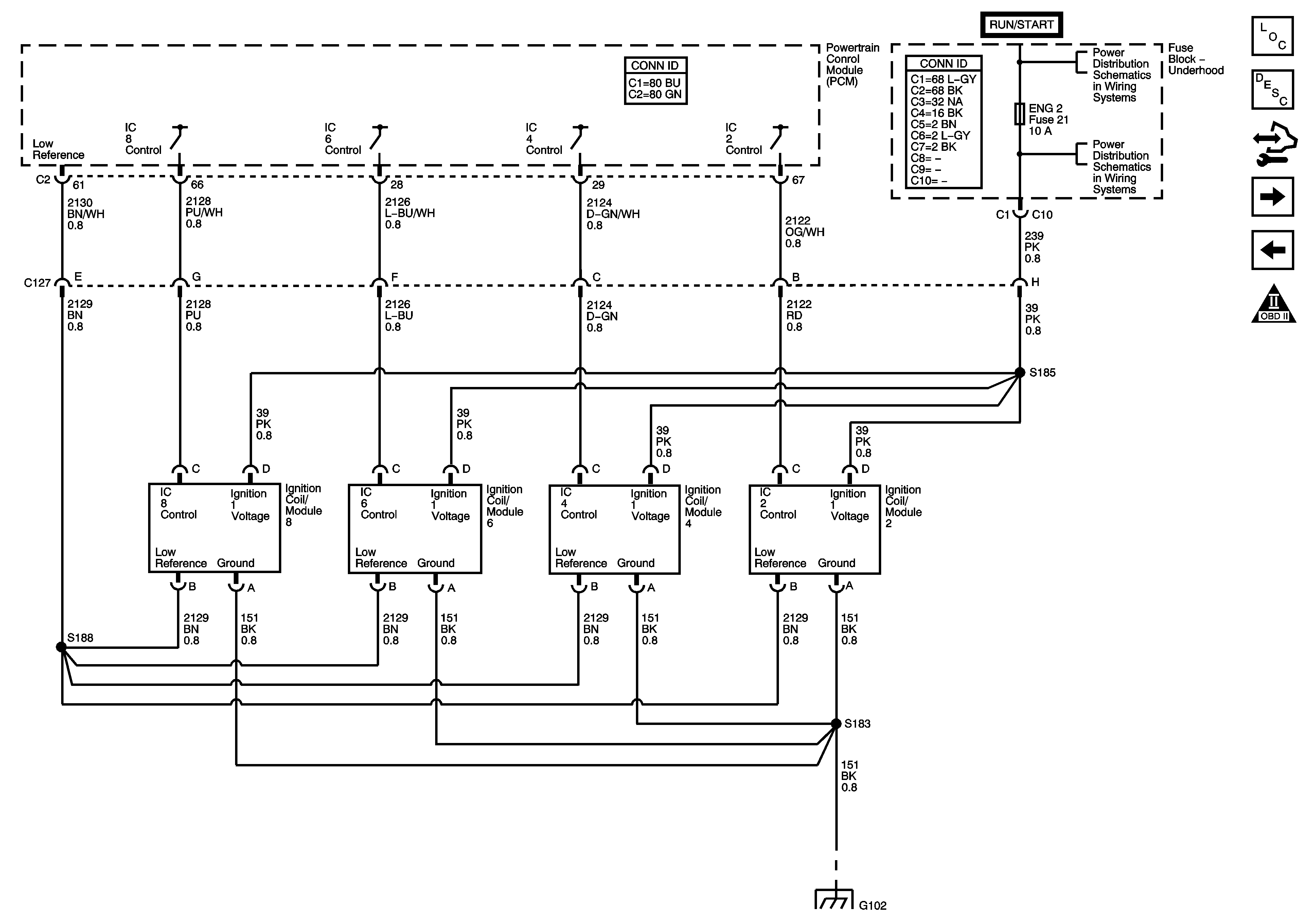
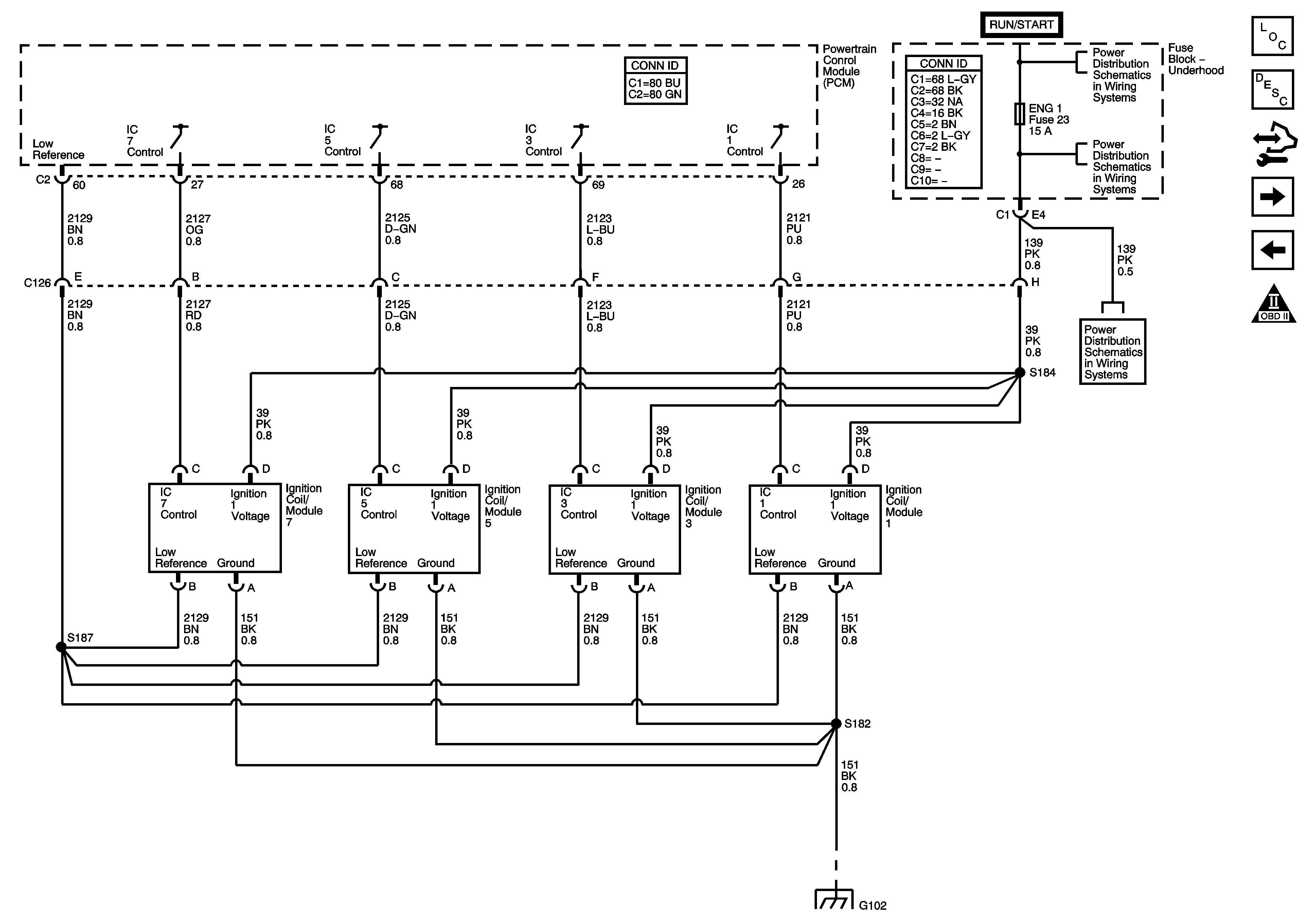
Figure 7:

Ignition Controls - Ignition System Coils 1, 3, 5, 7


Object Number: 1396861  Size: FS
Master Electrical Component List
Powertrain Control Module Description
Control Module References
Ignition Controls - Ignition System Coils 2, 4, 6, 8
Engine Data Sensors - Throttle Actuator Controls 2 of 2 (JL4)
OBD II Symbol Description Notice
Ignition Switch - ACCY/RUN, RUN/START Bus Bars and IGN B Fuse
ENG 1 and ENG 2 Fuses - 4.8L, 5.3L and 6.0L
ENG 1 and ENG 2 Fuses - 4.8L, 5.3L and 6.0L
G102
Figure 8:

Ignition Controls - Ignition System Coils 2, 4, 6, 8


Object Number: 1396864  Size: FS
Master Electrical Component List
Powertrain Control Module Description
Control Module References
Ignition Controls - Sensors
Ignition Controls - Ignition System Coils 1, 3, 5, 7
OBD II Symbol Description Notice
Ignition Switch - ACCY/RUN, RUN/START Bus Bars and IGN B Fuse
ENG 1 and ENG 2 Fuses - 4.8L, 5.3L and 6.0L
G102
Figure 9:

Ignition Controls - Sensors


Object Number: 1396859  Size: FS
Master Electrical Component List
Powertrain Control Module Description
Control Module References
Fuel Controls - Fuel Pump Controls
Ignition Controls - Ignition System Coils 2, 4, 6, 8
OBD II Symbol Description Notice
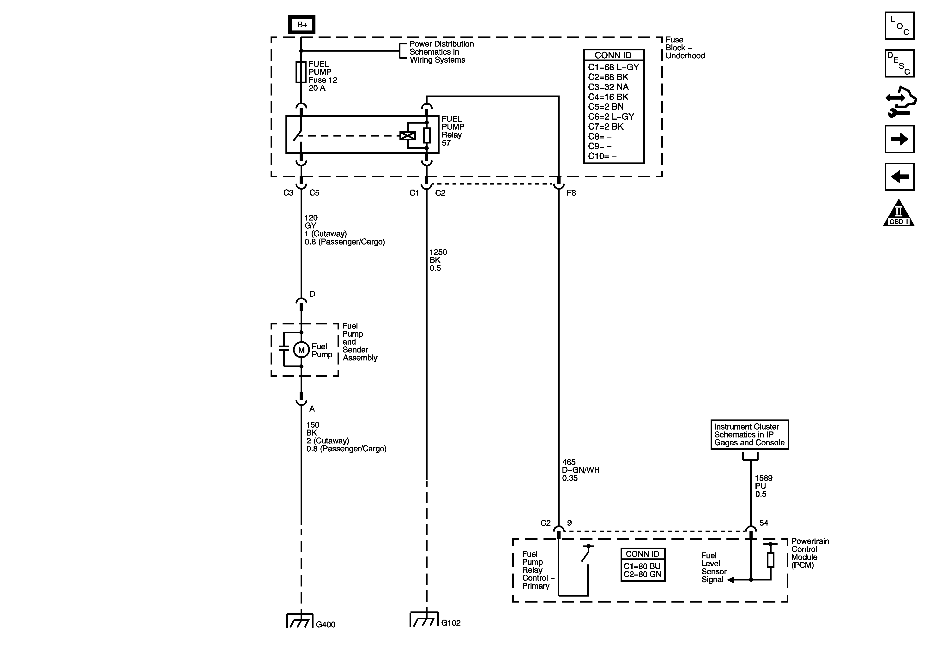
Figure 10:

Fuel Controls - Fuel Pump Controls


Object Number: 1396865  Size: FS
Master Electrical Component List
Powertrain Control Module Description
Control Module References
Fuel Controls - Fuel Injectors
Ignition Controls - Sensors
OBD II Symbol Description Notice
B+ Bus - Underhood Fuse Block
G400
G102
Gages
Figure 11:

Fuel Controls - Fuel Injectors


Object Number: 1396866  Size: FS
Master Electrical Component List
Powertrain Control Module Description
Control Module References
Fuel Controls - EVAP and Device Controls
Fuel Controls - Fuel Pump Controls
OBD II Symbol Description Notice
Ignition Switch - ACCY/RUN, RUN/START Bus Bars and IGN B Fuse
ENG 1 and ENG 2 Fuses - 4.8L, 5.3L and 6.0L
Figure 12:

Fuel Controls - EVAP and Device Controls


Object Number: 1396867  Size: FS
Master Electrical Component List
Powertrain Control Module Description
Control Module References
Controlled/Monitored Subsystem and Transmission References
Fuel Controls - Fuel Injectors
OBD II Symbol Description Notice
B+ Bus - Underhood Fuse Block
ABS, AUX PWR, BLOW, CAN VENT, CIGAR, IPC, PCM BAT, STOP LP and TRLR Fuses
Ignition Switch - ACCY/RUN, RUN/START Bus Bars and IGN B Fuse
ENG 1 and ENG 2 Fuses - 4.8L, 5.3L and 6.0L
ENG 1 and ENG 2 Fuses - 4.8L, 5.3L and 6.0L
Gages
Power, Ground, Serial Data, Indicator, VSS and Stop Lamp Switch - JL4
Power, Ground, Serial Data, Indicator and Stop lamp Switch - w/o JL4
w/o JL4
Figure 13:

Controlled/Monitored Subsystem and Transmission References


Object Number: 1396868  Size: FS
Master Electrical Component List
Powertrain Control Module Description
Control Module References
Fuel Controls - EVAP and Device Controls
OBD II Symbol Description Notice
Compressor Controls (C60)
Power, Ground, Serial Data, Indicator, VSS and Stop Lamp Switch - JL4
Wheel Speed Sensors and VSS - w/o JL4
Power, Ground, Serial Data, Indicator, VSS and Stop Lamp Switch - JL4
w/o JL4
Charging System
Starting System
Gages
Indicators
PNP Switch, Serial Data and Indicator
PNP Switch, Serial Data and Indicator
Shift Controls and Stop Lamp Switch
Shift Controls and Stop Lamp Switch
Pressure Controls, Temperature and VSS
Pressure Controls, Temperature and VSS