GM Service Manual Online
For 1990-2009 cars only
Makes
🢒
GMC_Truck
🢒
2005
🢒
Savana
🢒
Vehicle Control Systems
🢒
Vehicle DTC Information
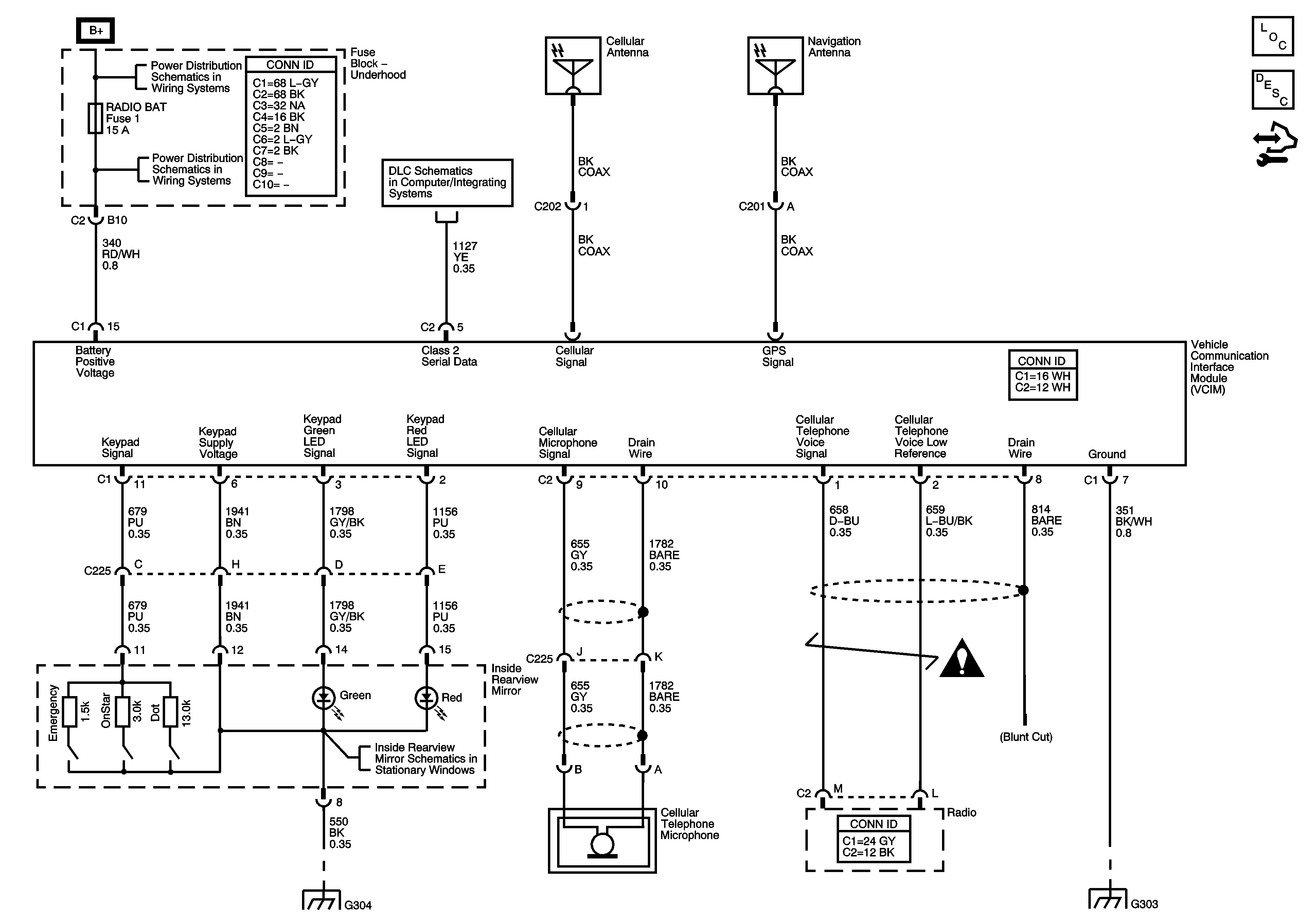
🢒 OnStar Schematics
Master Electrical Component List
OnStar Description and Operation
Control Module References
B+ Bus - Underhood Fuse Block
FLASHER, RADIO/BAT, RFA, RR DEF/HTD MIR, TBC, TBC 2, TBC 3, TBC 4, TRL STOP/TRN Fuses and PWR SEAT Circuit Breaker
Data Link Connector (DLC) Schematics
Cellular Communication Schematic Icons
Inside Rearview Mirror Schematics
G303 and G304
G303 and G304