GM Service Manual Online
For 1990-2009 cars only
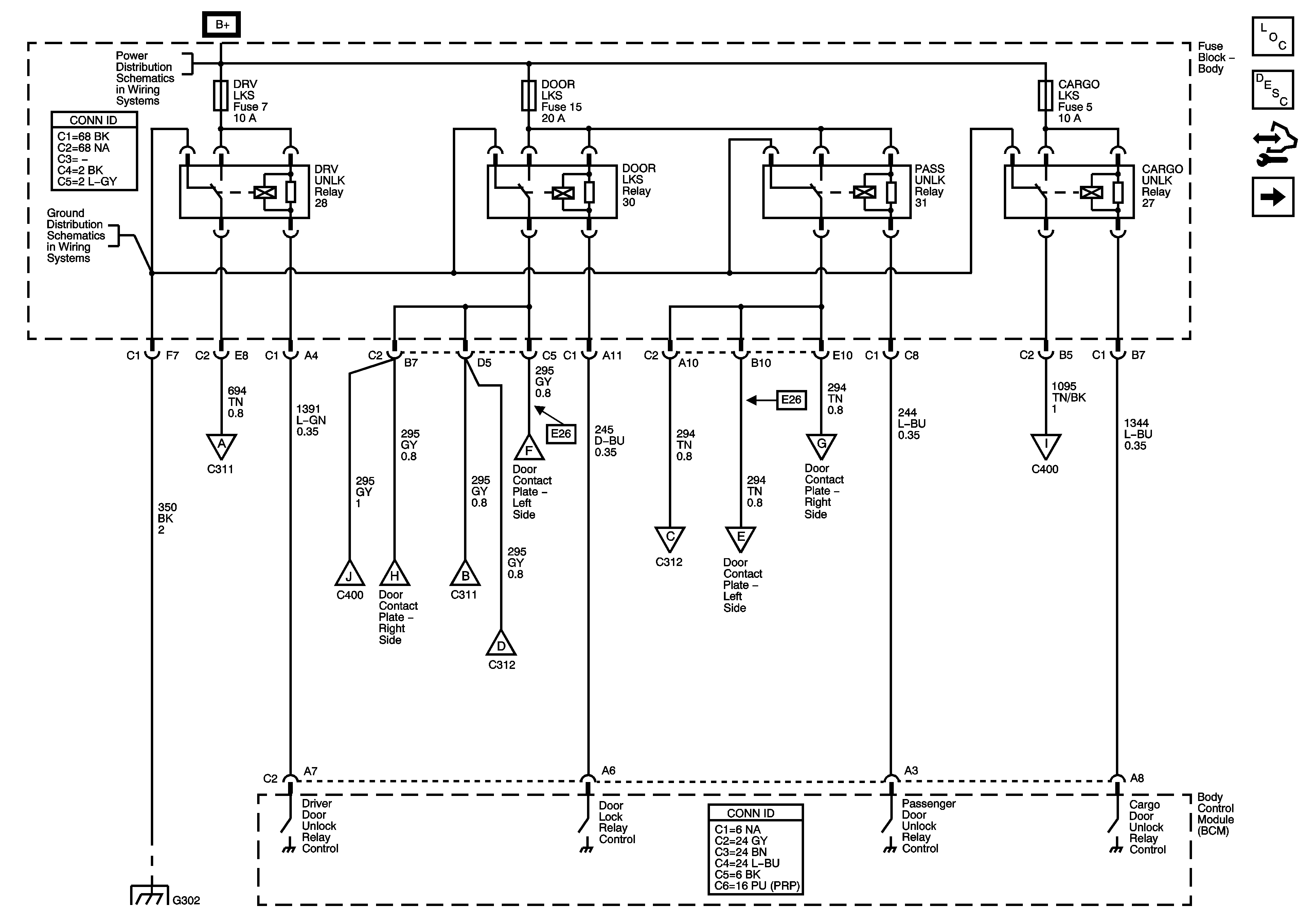
Figure 1:

Lock and Unlock Control


Object Number: 1409462  Size: FS
Master Electrical Component List
Power Door Locks Description and Operation
Control Module References
Door Latches and Actuators
B+ Bus - Body Fuse Block
G103, G104, G105, G106, G300 and G301
Door Latches and Actuators
Door Latches and Actuators
Door Latches and Actuators
Door Latches and Actuators
Door Latches and Actuators
Door Latches and Actuators
Door Latches and Actuators
Door Latches and Actuators
Door Latches and Actuators
Door Latches and Actuators
G302
Figure 2:

Door Latches and Actuators


Object Number: 1409463  Size: FS
Master Electrical Component List
Power Door Locks Description and Operation
Control Module References
Switches
Lock and Unlock Controls
Lock and Unlock Controls
Lock and Unlock Controls
Lock and Unlock Controls
Lock and Unlock Controls
Lock and Unlock Controls
Lock and Unlock Controls
Lock and Unlock Controls
Lock and Unlock Controls
Lock and Unlock Controls
Lock and Unlock Controls
Figure 3:

Switches


Object Number: 1409464  Size: FS
Master Electrical Component List
Power Door Locks Description and Operation
Control Module References
Door Latches and Actuators
G347 - 1 of 3
G347 - 1 of 3
G347 - 2 of 3
G402 - Passenger/Cargo and G403 - PRP