GM Service Manual Online
For 1990-2009 cars only
Makes
🢒
GMC_Truck
🢒
2005
🢒
Savana
🢒
Body
🢒
Lighting Systems
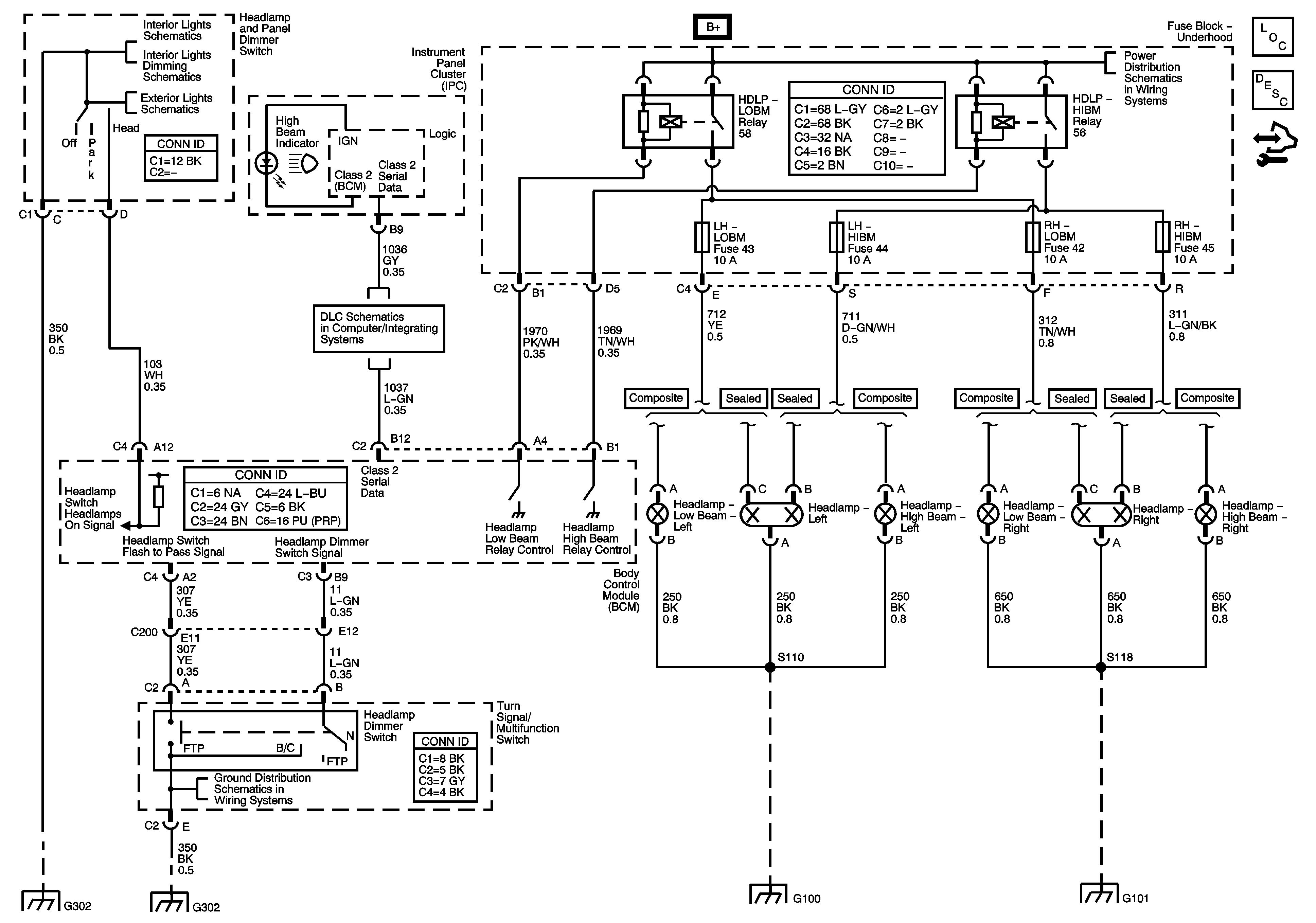
🢒 Headlights Schematics
Master Electrical Component List
Exterior Lighting Systems Description and Operation
Control Module References
Dome and Courtesy Lamp Switch Signals and Door Latch Assemblies
I/P Dimming Supply Voltage - 1 of 3 and LED Dimming Supply Voltage
Headlamp and Panel Dimmer Switch Signals and Park Lamp Relay Control
B+ Bus - Underhood Fuse Block
Data Link Connector (DLC) Schematics
G302
G302
G302
G100 and G101
G100 and G101