GM Service Manual Online
For 1990-2009 cars only
Makes
🢒
GMC_Truck
🢒
2005
🢒
Savana
🢒
Body
🢒
Stationary Windows
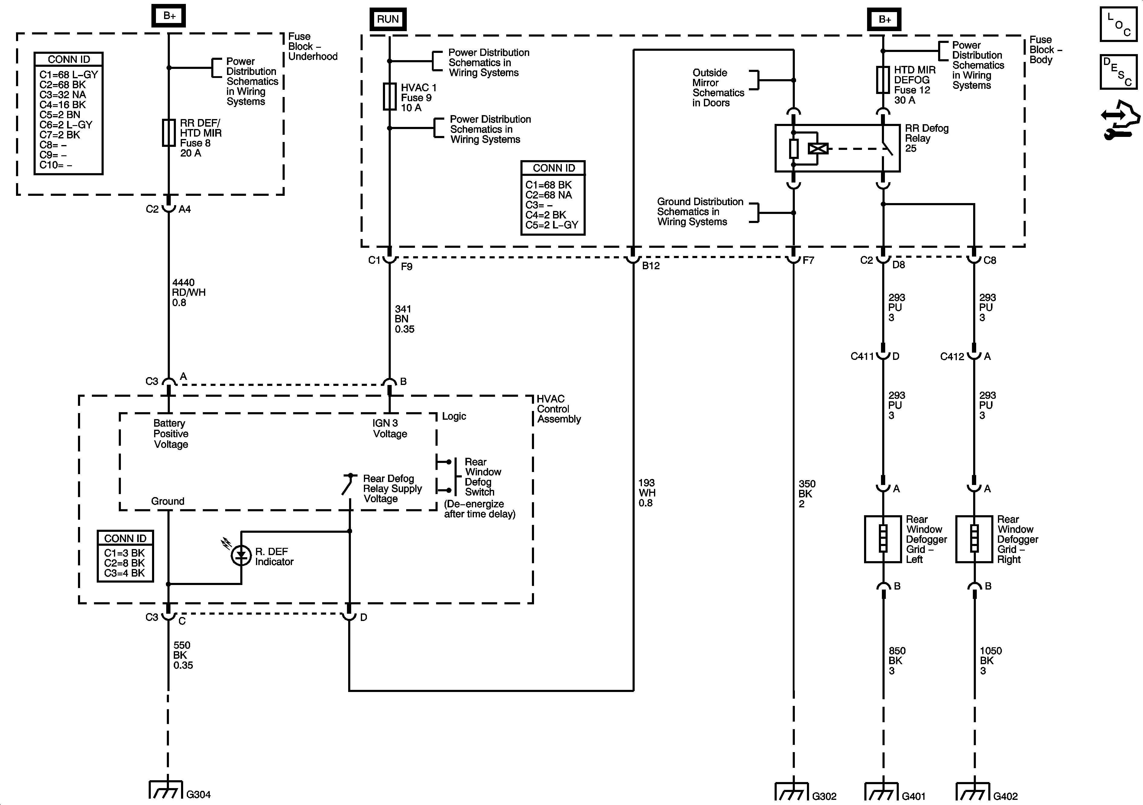
🢒 Defogger Schematics
Master Electrical Component List
Rear Window Defogger Description and Operation
Control Module References
B+ Bus - Underhood Fuse Block
Ignition Switch - ACCY/RUN, RUN/START Bus Bars and IGN A Fuse
HVAC 1 Fuse
Heated Mirrors
G103, G104, G105, G106, G300 and G301
B+ Bus - Body Fuse Block
G303 and G304
G302
G401 - Passenger/Cargo
G402 - Passenger/Cargo and G403 - PRP