GM Service Manual Online
For 1990-2009 cars only
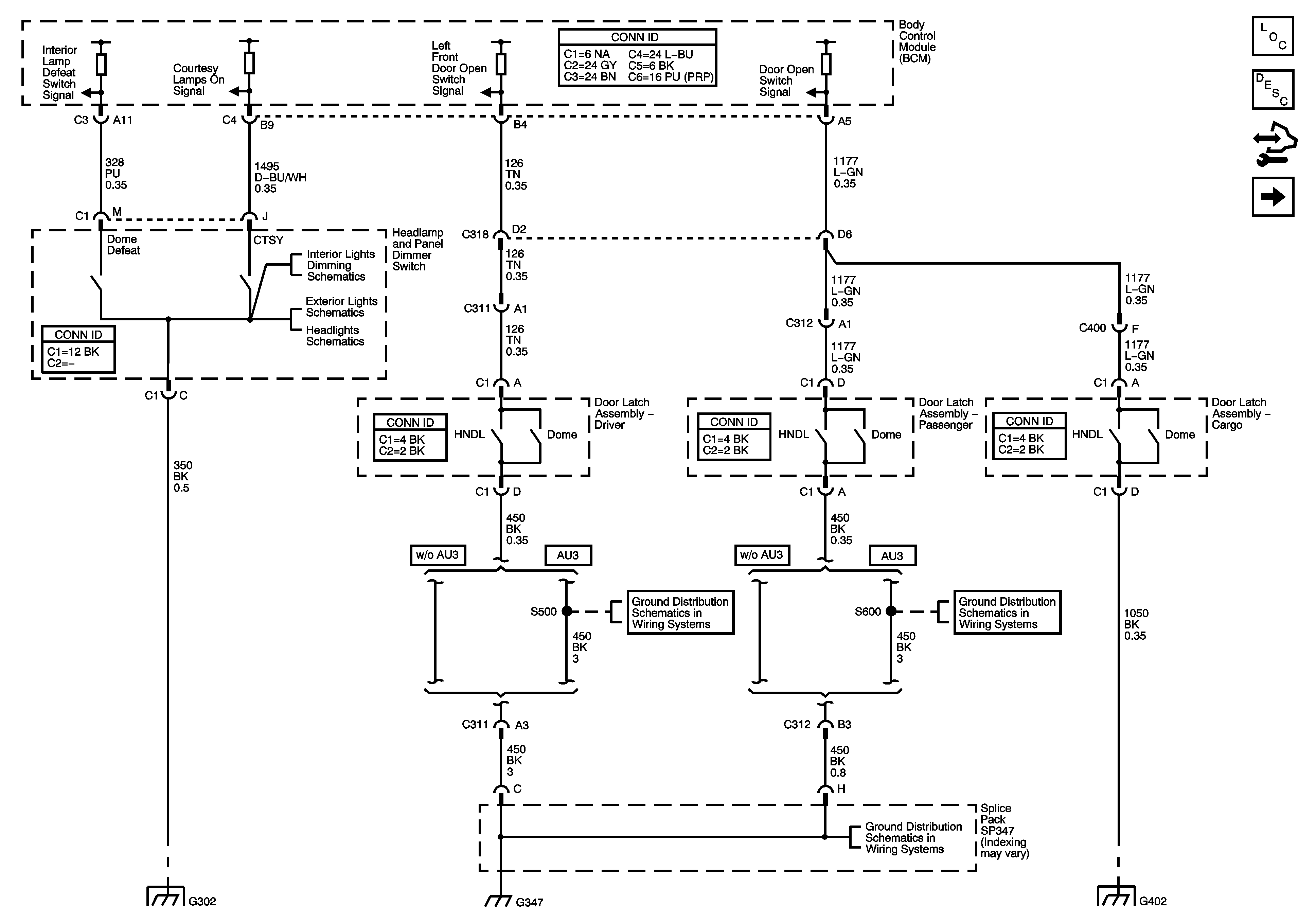
Figure 1:

Dome and Courtesy Lamp Switch Signals and Door Latch Assemblies


Object Number: 1404637  Size: FS
Master Electrical Component List
Interior Lighting Systems Description and Operation
Control Module References
Courtesy Lamps (YF7)
I/P Dimming Supply Voltage - 1 of 3 and LED Dimming Supply Voltage
Headlamp and Panel Dimmer Switch Signals and Park Lamp Relay Control
Headlights Schematics
G347 - 1 of 3
G347 - 2 of 3
G347 - 2 of 3
G302
G402 - Passenger/Cargo and G403 - PRP
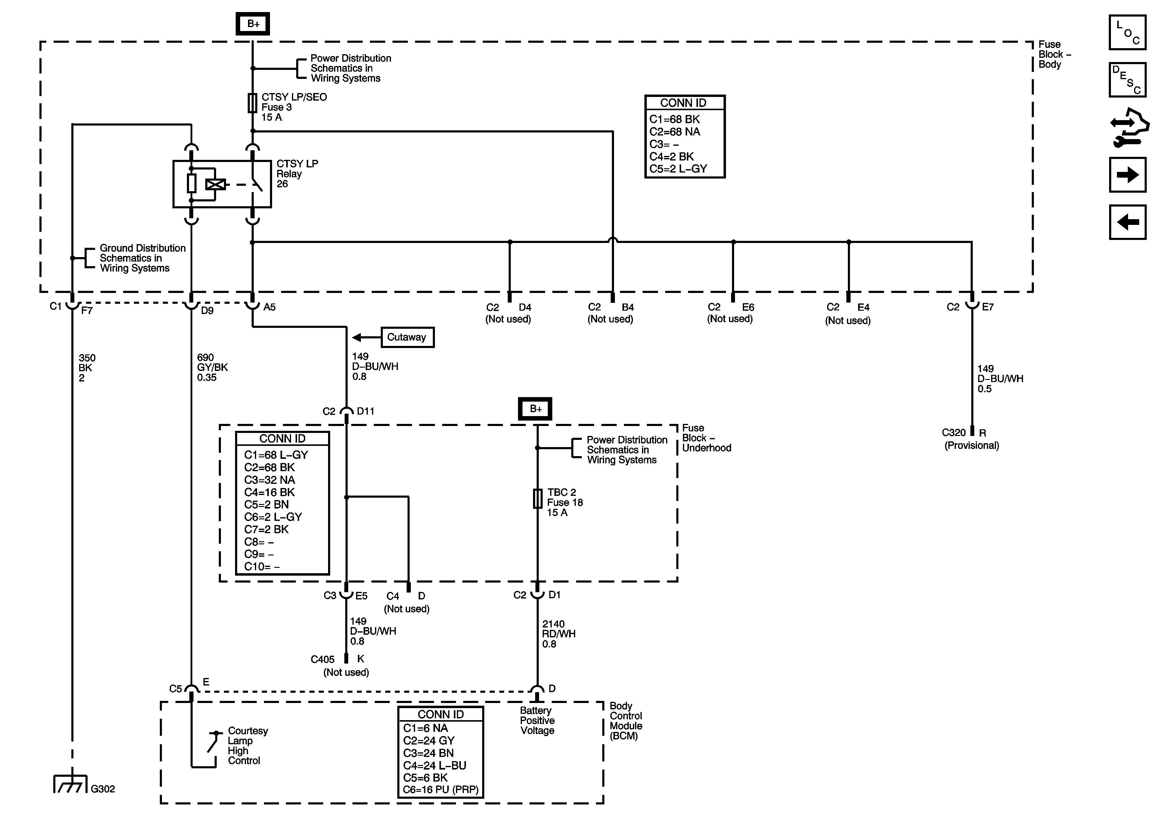
Figure 2:

Courtesy Lamps (YF7)


Object Number: 1404638  Size: FS
Master Electrical Component List
Interior Lighting Systems Description and Operation
Control Module References
Courtesy Lamps (w/o YF7) - 1 of 2
Dome and Courtesy Lamp Switch Signals and Door Latch Assemblies
B+ Bus - Body Fuse Block
G103, G104, G105, G106, G300 and G301
B+ Bus - Underhood Fuse Block
G302
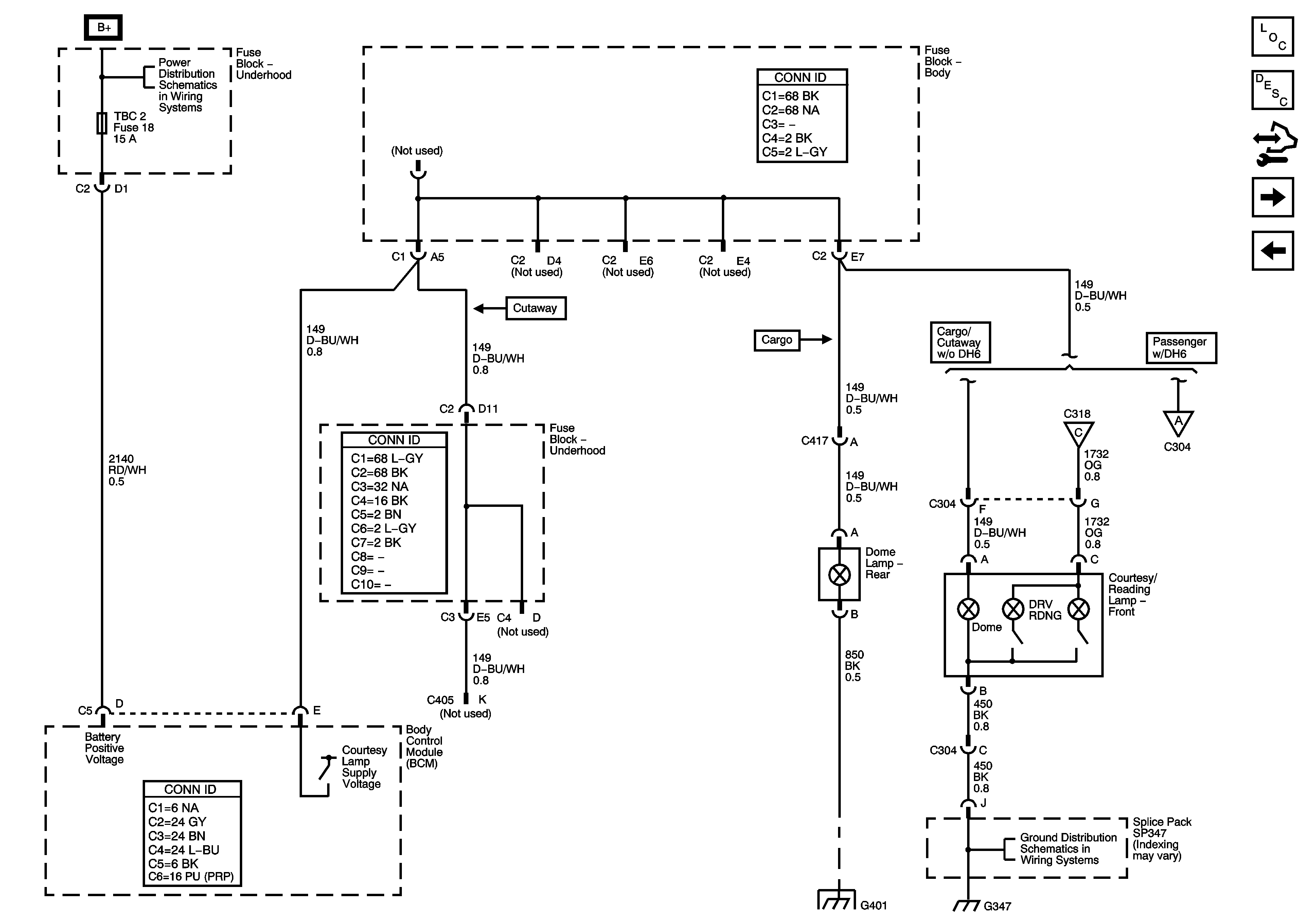
Figure 3:

Courtesy Lamps (w/o YF7) - 1 of 2


Object Number: 1404639  Size: FS
Master Electrical Component List
Interior Lighting Systems Description and Operation
Control Module References
Courtesy Lamps (w/o YF7) - 2 of 2
Courtesy Lamps (YF7)
B+ Bus - Underhood Fuse Block
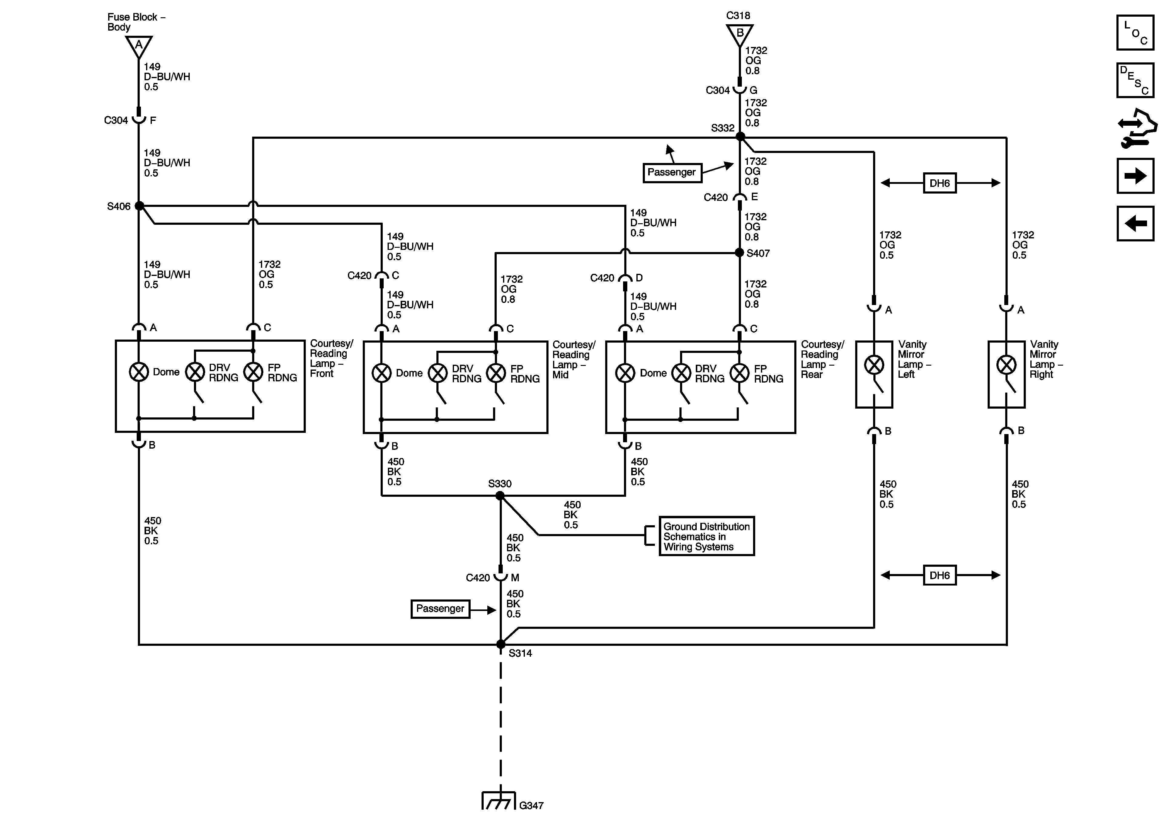
Underhood/Vanity Lamps and Door Jamb Switches
Courtesy Lamps (w/o YF7) - 2 of 2
G401 - Passenger/Cargo
G347 - 3 of 3
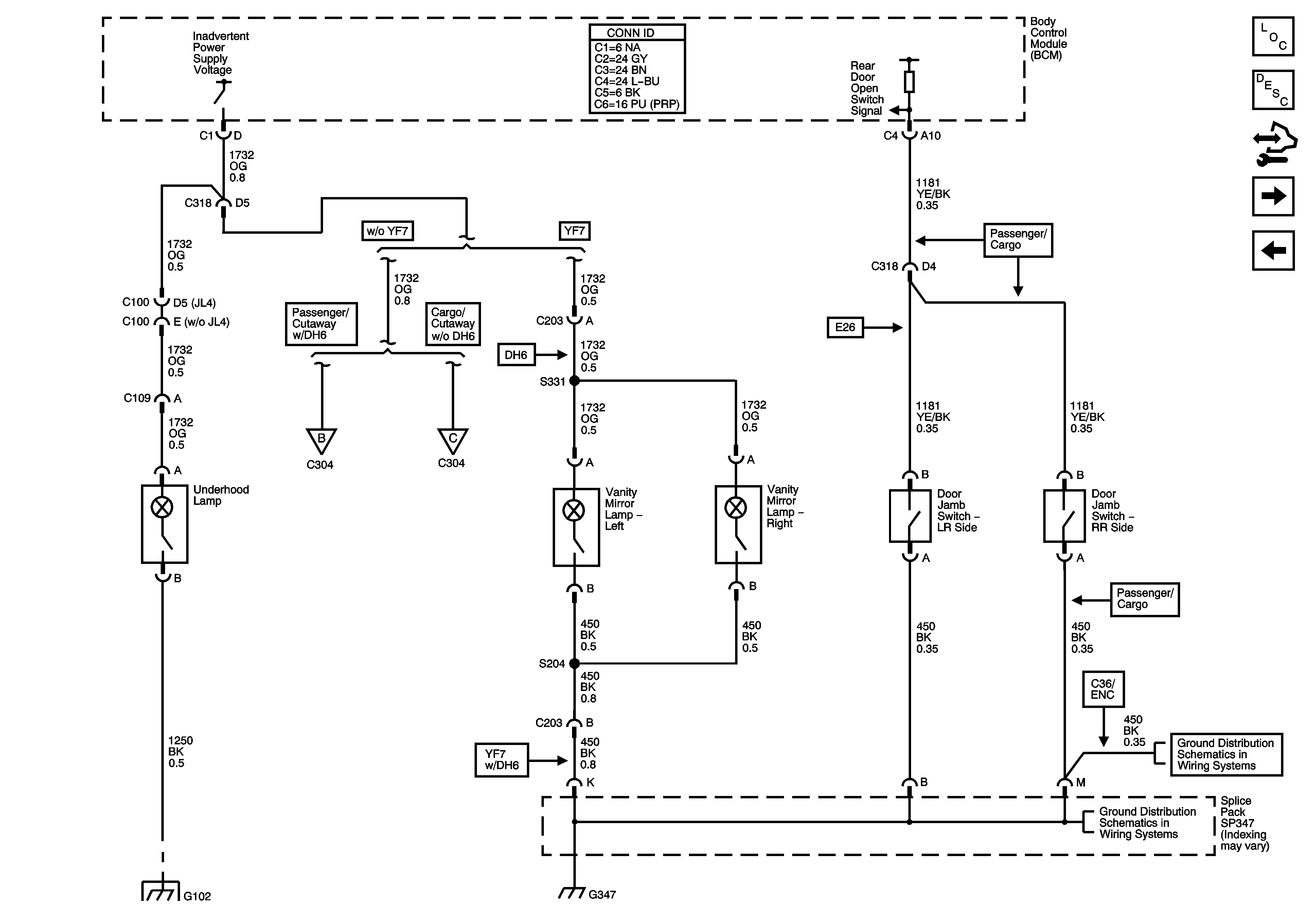
Figure 4:

Courtesy Lamps (w/o YF7) - 2 of 2


Object Number: 1404640  Size: FS
Master Electrical Component List
Interior Lighting Systems Description and Operation
Control Module References
Underhood/Vanity Lamps and Door Jamb Switches
Courtesy Lamps (w/o YF7) - 1 of 2
Courtesy Lamps (w/o YF7) - 1 of 2
Underhood/Vanity Lamps and Door Jamb Switches
G347 - 3 of 3
G347 - 3 of 3
Figure 5:

Underhood/Vanity Lamps and Door Jamb Switches


Object Number: 1404641  Size: FS
Master Electrical Component List
Interior Lighting Systems Description and Operation
Control Module References
Dome Fluorescent Work Lamps (PRP w/UF2)
Courtesy Lamps (w/o YF7) - 2 of 2
Courtesy Lamps (w/o YF7) - 2 of 2
Courtesy Lamps (w/o YF7) - 1 of 2
G347 - 2 of 3
G347 - 2 of 3
G102
Figure 6:

Dome Fluorescent Work Lamps - PRP (w/UF2)


Object Number: 1404642  Size: FS
Master Electrical Component List
Interior Lighting Systems Description and Operation
Control Module References
Underhood/Vanity Lamps and Door Jamb Switches
B+ Bus - Body Fuse Block
AUXILIARY 1, OSRVM, RR BLOWER and SPARE Fuses
DOME FLUORESCENT WORK LAMPS and PANEL ACTUATORS Fuses
G402 - Passenger/Cargo and G403 - PRP