GM Service Manual Online
For 1990-2009 cars only
Makes
🢒
GMC_Truck
🢒
2005
🢒
Savana
🢒
Body
🢒
Wiring Systems
🢒 SIR Schematics
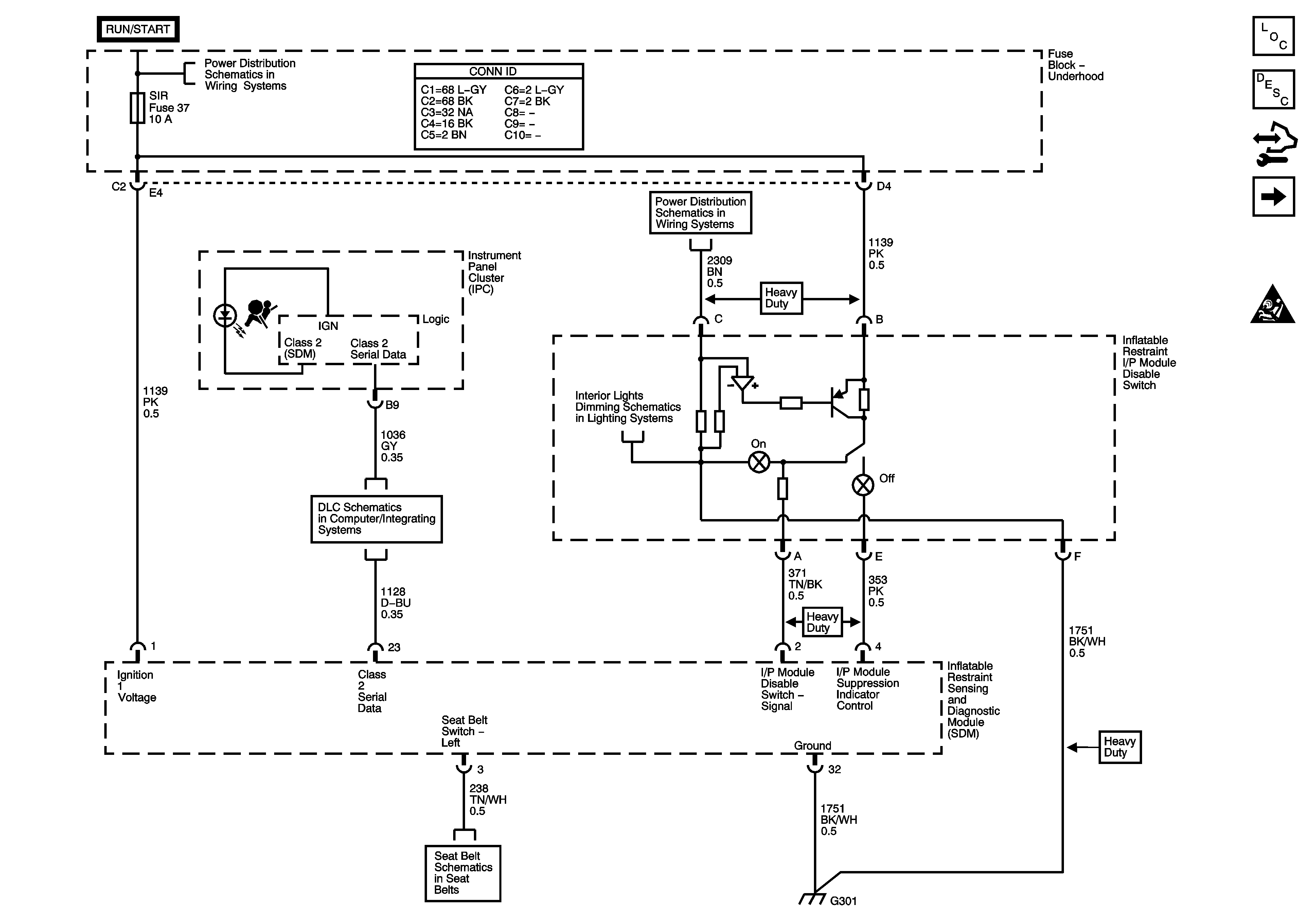
Figure
1:
Module Power, Ground, Serial Data, Indicator and Disable Switch
Master Electrical Component List
SIR System Description and Operation
Control Module References
Air Bag Modules and Position Sensors
SIR Caution for Zoning
Ignition Switch - ACCY/RUN, RUN/START Bus Bars and IGN B Fuse
Data Link Connector (DLC) Schematics
FR PRK, LR PRK, RR PRK, TRLR PRK, UPFTR PRK Fuses and PWR WND Circuit Breaker
I/P Dimming Supply Voltage - 1 of 3 and LED Dimming Supply Voltage
Seat Belt Schematics
Figure
2:
Air Bag Modules and Position Sensors
Master Electrical Component List
SIR System Description and Operation
Control Module References
Power, Ground, Serial Data, Indicator and Disable Switch
SIR Caution for Zoning
SIR Schematic Icons
SIR Schematic Icons
SIR Schematic Icons
SIR Schematic Icons
SIR Schematic Icons
SIR Schematic Icons
SIR Schematic Icons
SIR Schematic Icons
SIR Schematic Icons
SIR Schematic Icons