GM Service Manual Online
For 1990-2009 cars only
Makes
🢒
GMC_Truck
🢒
2005
🢒
Savana
🢒
Body
🢒
Wiring Systems
🢒 Upfitter Provision Schematics
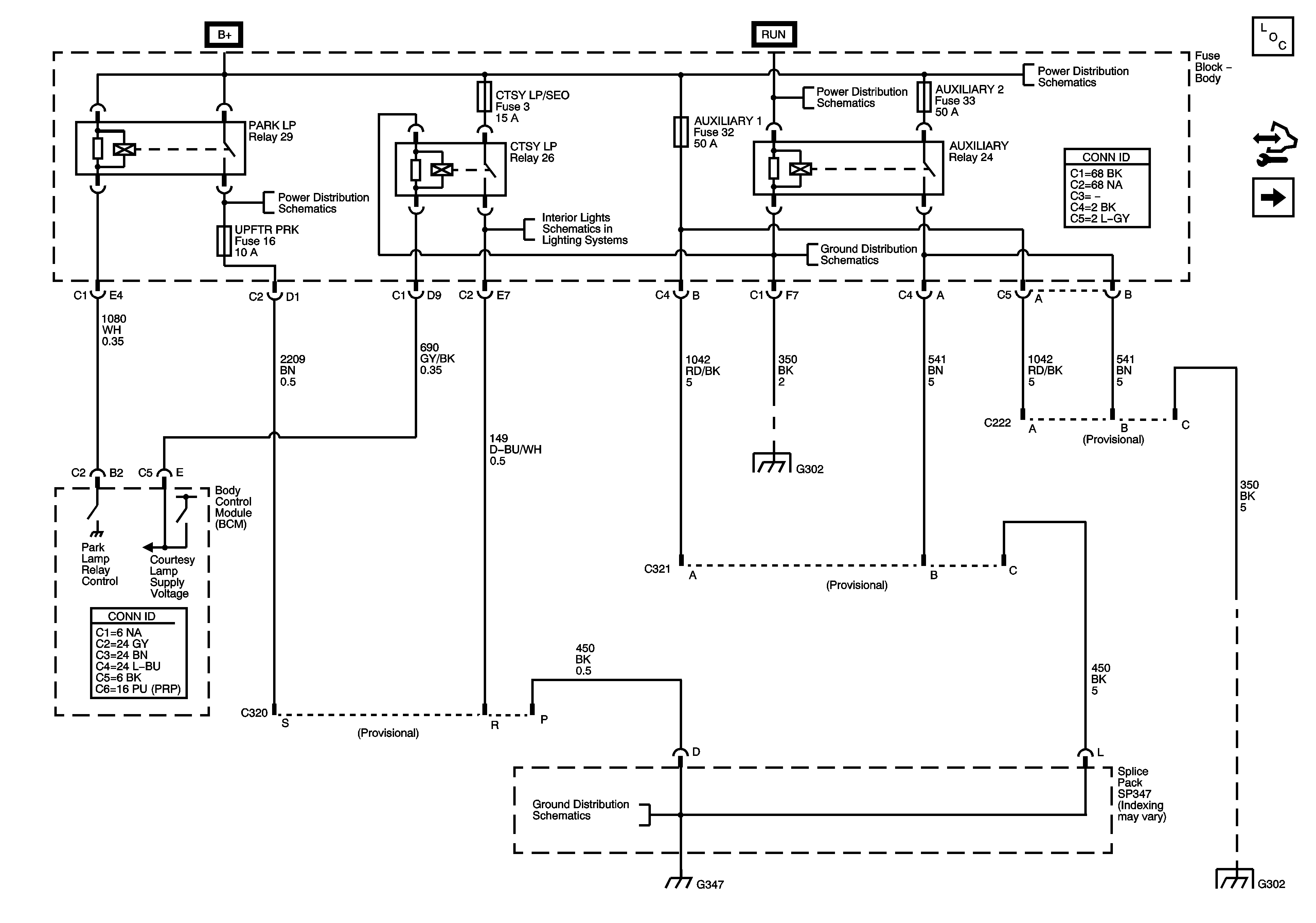
Figure
1:
Power, Ground and Relay Controls
Master Electrical Component List
Control Module References
Rear Heat Auxiliary - ENC
FR PRK, LR PRK, RR PRK, TRLR PRK, UPFTR PRK Fuses and PWR WND Circuit Breaker
Courtesy Lamps (YF7)
Ignition Switch - ACCY/RUN, RUN/START Bus Bars and IGN A Fuse
B+ Bus - Body Fuse Block
G103, G104, G105, G106, G300 and G301
G302
G347 - 1 of 3
G302
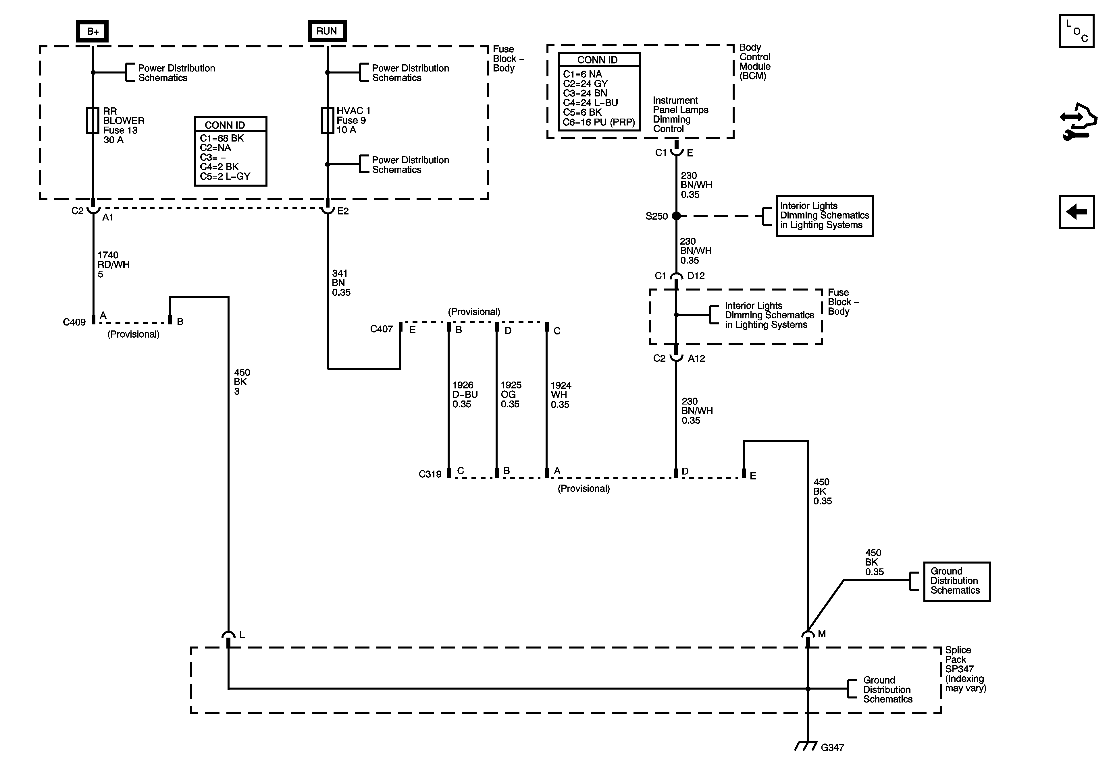
Figure
2:
Rear Heat Auxiliary - ENC
Master Electrical Component List
Control Module References
Power, Ground and Relay Controls
B+ Bus - Body Fuse Block
Ignition Switch - ACCY/RUN, RUN/START Bus Bars and IGN A Fuse
HVAC 1 Fuse
I/P Dimming Supply Voltage - 1 of 3 and LED Dimming Supply Voltage
I/P Dimming Supply Voltage - 2 of 3
G347 - 2 of 3
G347 - 2 of 3