GM Service Manual Online
For 1990-2009 cars only
Figure 1:

G100 and G101


Object Number: 1395802  Size: FS
Master Electrical Component List
Control Module References
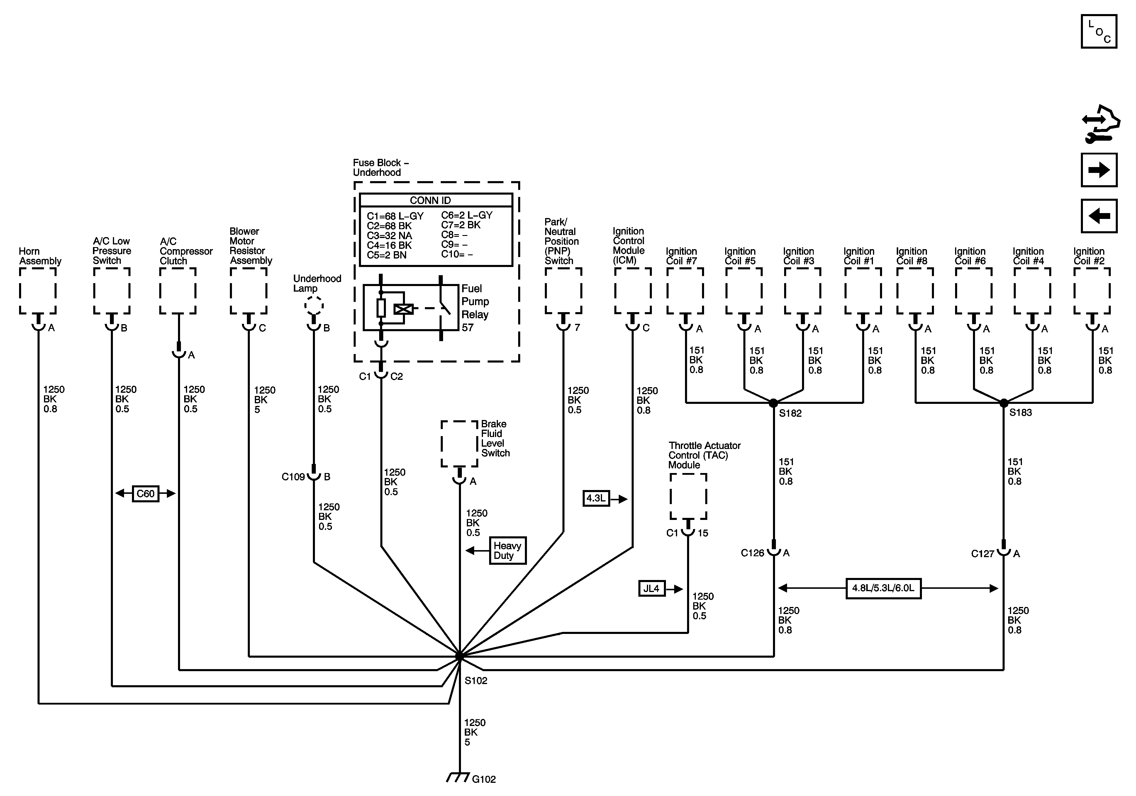
G102
Figure 2:

G102


Object Number: 1395808  Size: FS
Master Electrical Component List
Control Module References
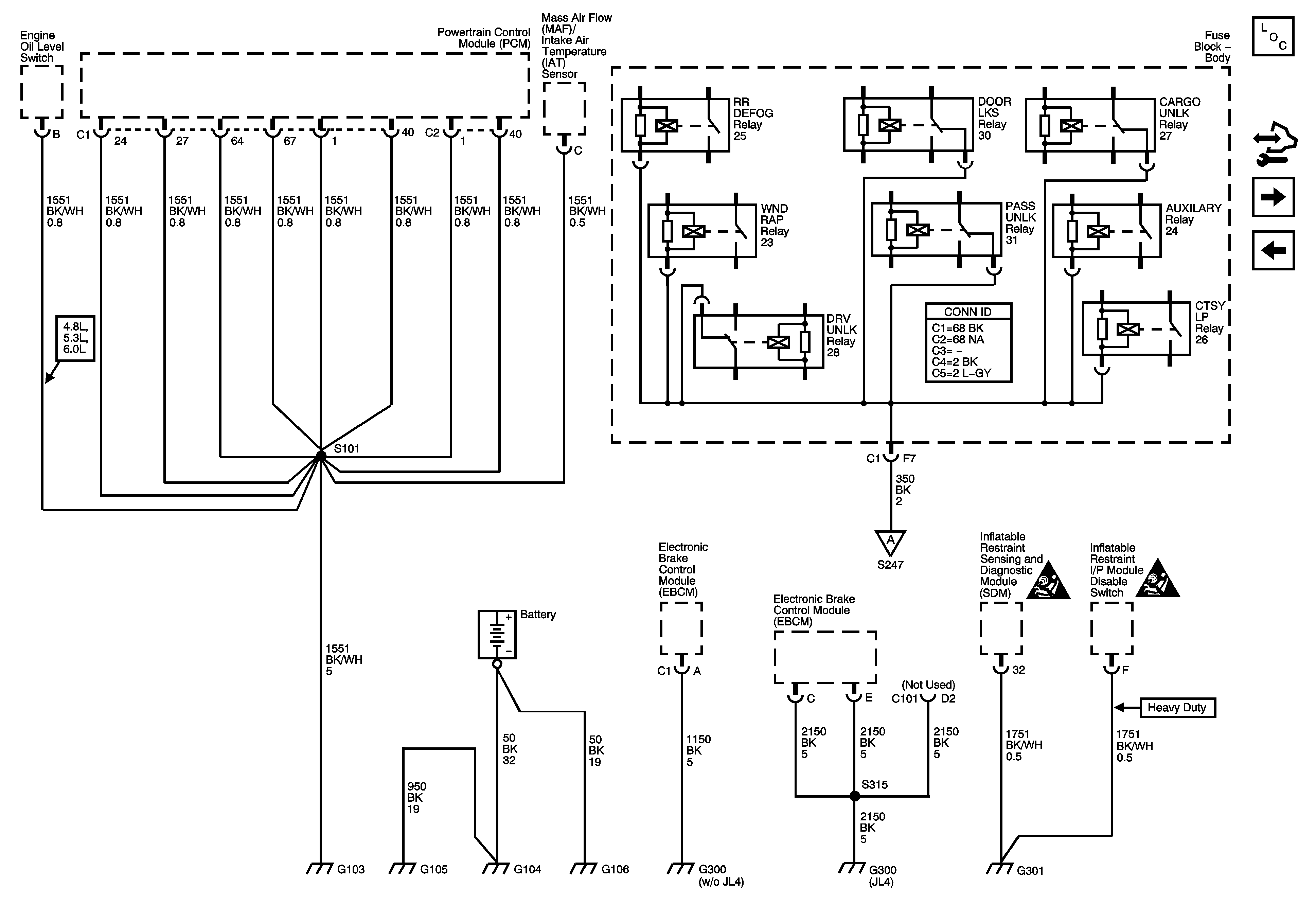
G103, G104, G105, G106, G300 and G301
G100 and G101
Figure 3:

G103, G104, G105, G106, G300 and G301


Object Number: 1395810  Size: FS
Master Electrical Component List
Control Module References
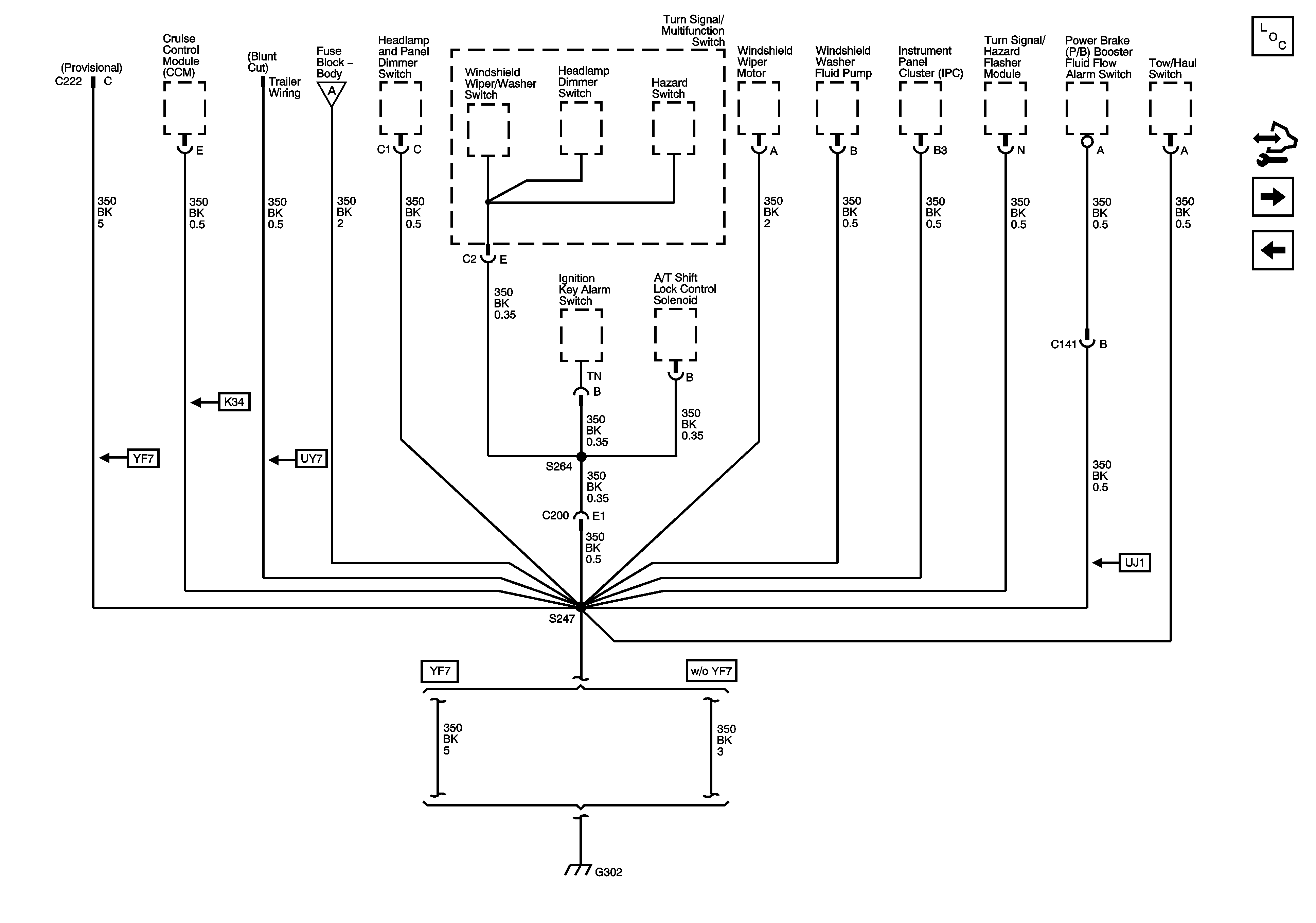
G302
G102
G302
SIR Caution for Zoning
SIR Caution for Zoning
Figure 4:

G302


Object Number: 1395813  Size: FS
Master Electrical Component List
Control Module References
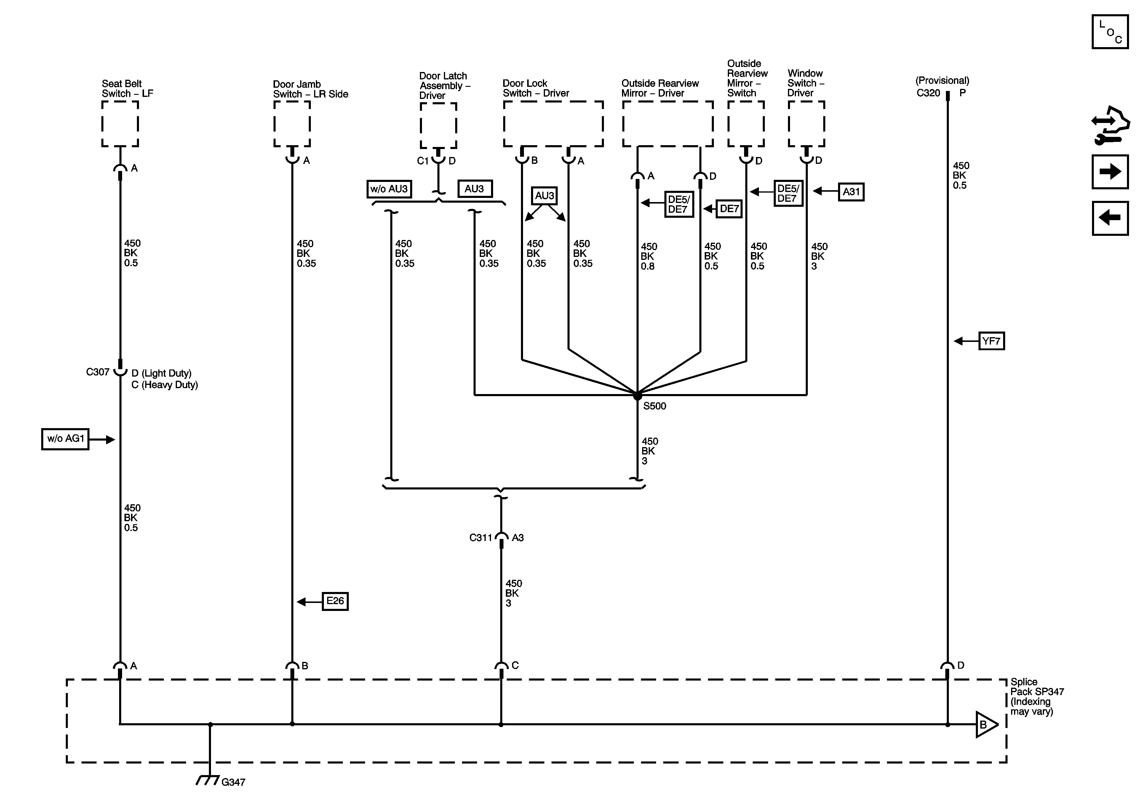
G303 and G304
G103, G104, G105, G106, G300 and G301
G103, G104, G105, G106, G300 and G301
Figure 5:

G303 and G304


Object Number: 1395818  Size: FS
Master Electrical Component List
Control Module References
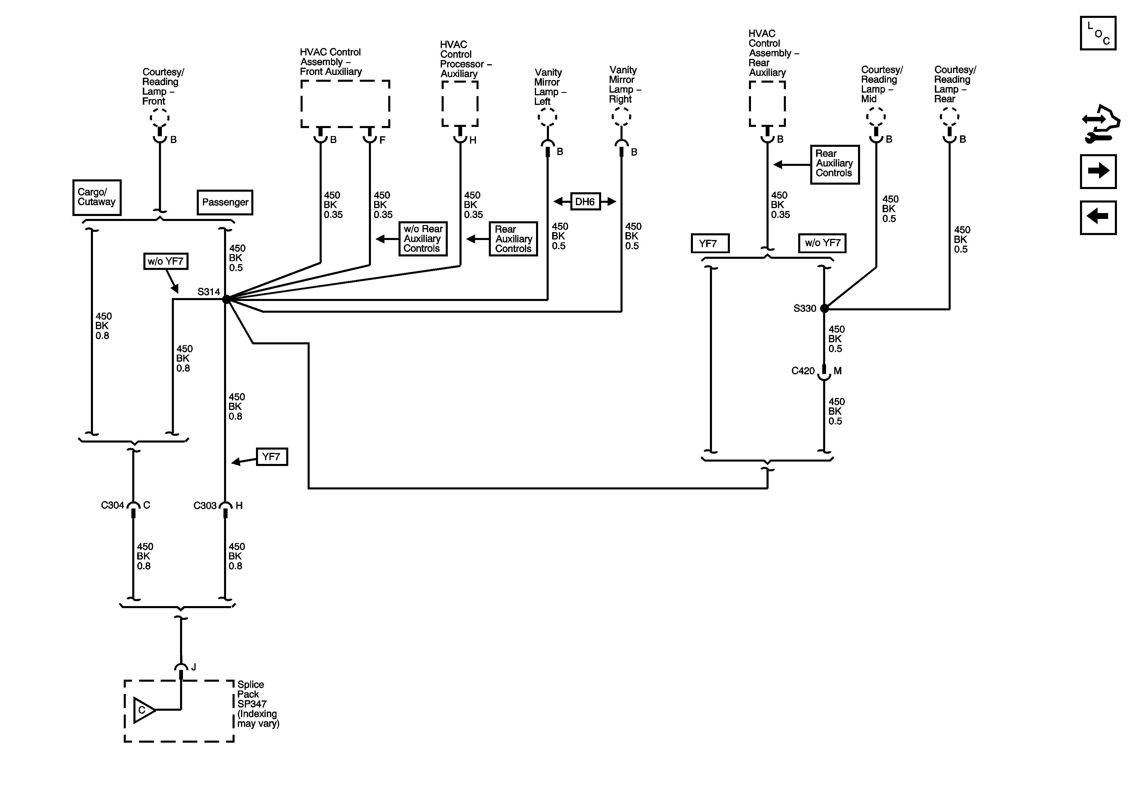
G347 - 1 of 3
G302
Figure 6:

G347 - 1 of 3


Object Number: 1395824  Size: FS
Master Electrical Component List
Control Module References
G347 - 2 of 3
G303 and G304
G347 - 2 of 3
Figure 7:

G347 - 2 of 3


Object Number: 1395833  Size: FS
Master Electrical Component List
Control Module References
G347 - 3 of 3
G347 - 1 of 3
G347 - 1 of 3
G347 - 3 of 3
Figure 8:

G347 - 3 of 3


Object Number: 1395834  Size: FS
Master Electrical Component List
Control Module References
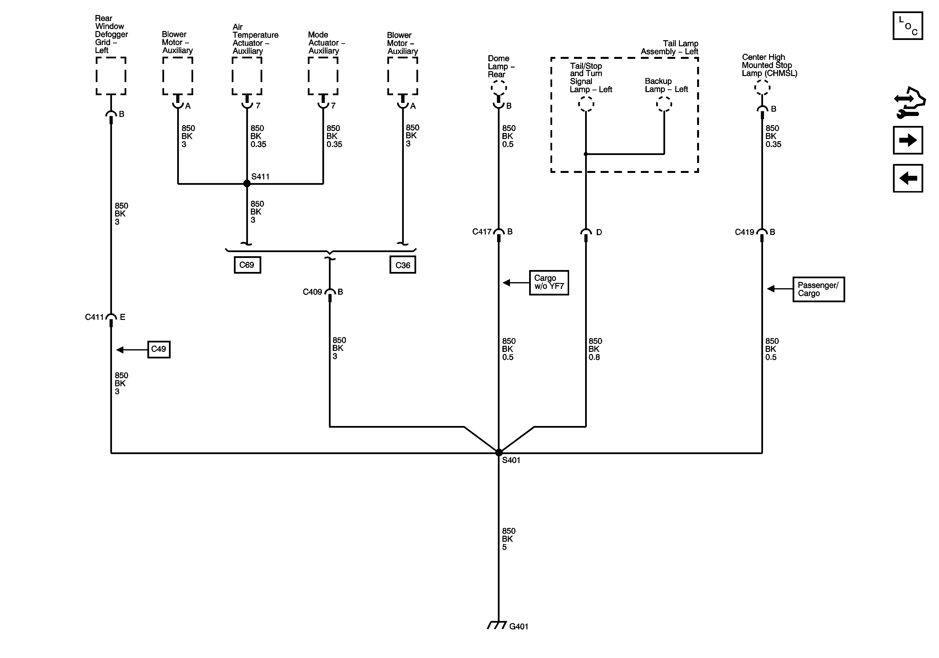
G400
G347 - 2 of 3
G347 - 2 of 3
Figure 9:

G400


Object Number: 1395837  Size: FS
Master Electrical Component List
Control Module References
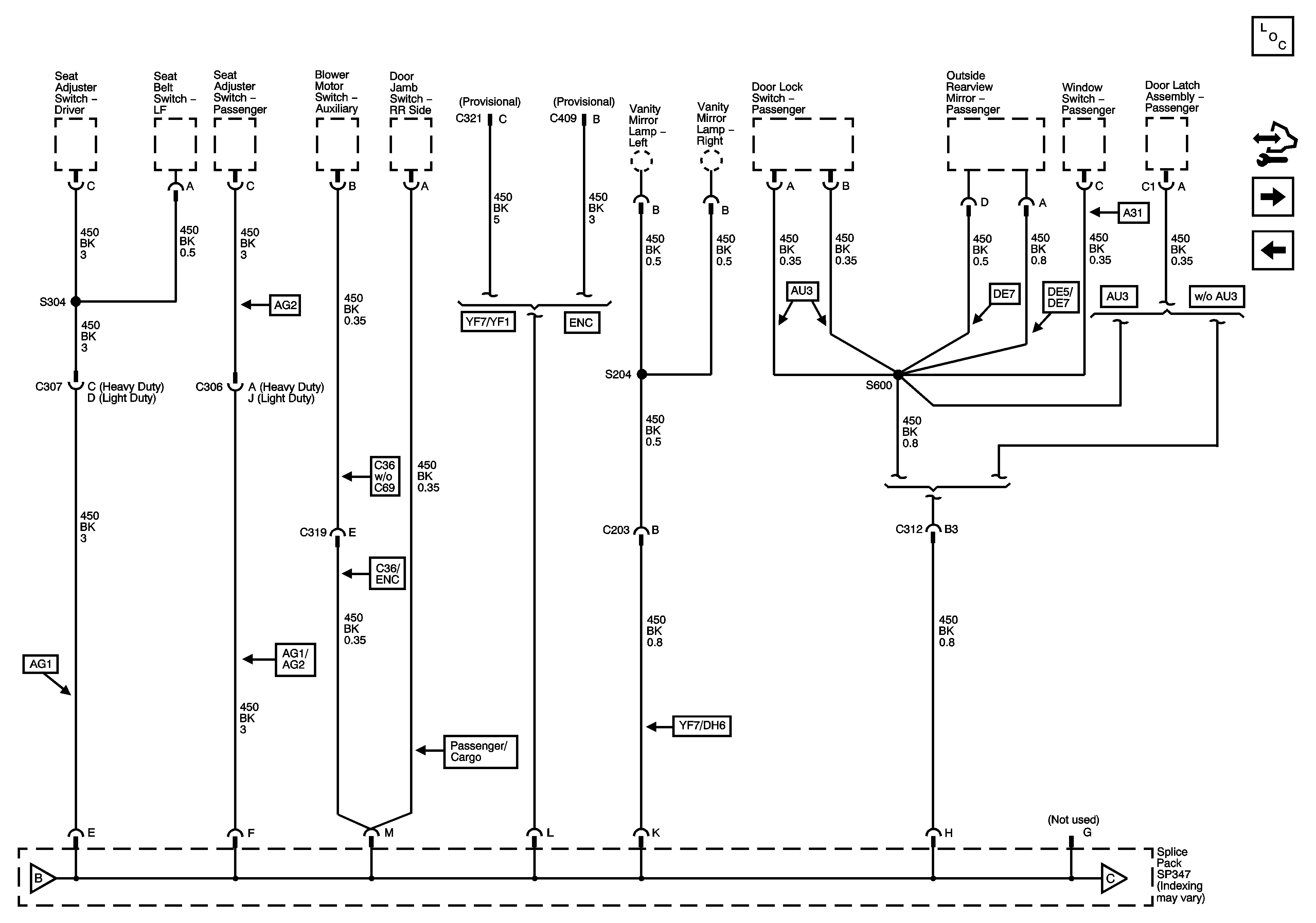
G401 - Passenger/Cargo
G347 - 3 of 3
Figure 10:

G401 - Passenger/Cargo


Object Number: 1395840  Size: FS
Master Electrical Component List
Control Module References
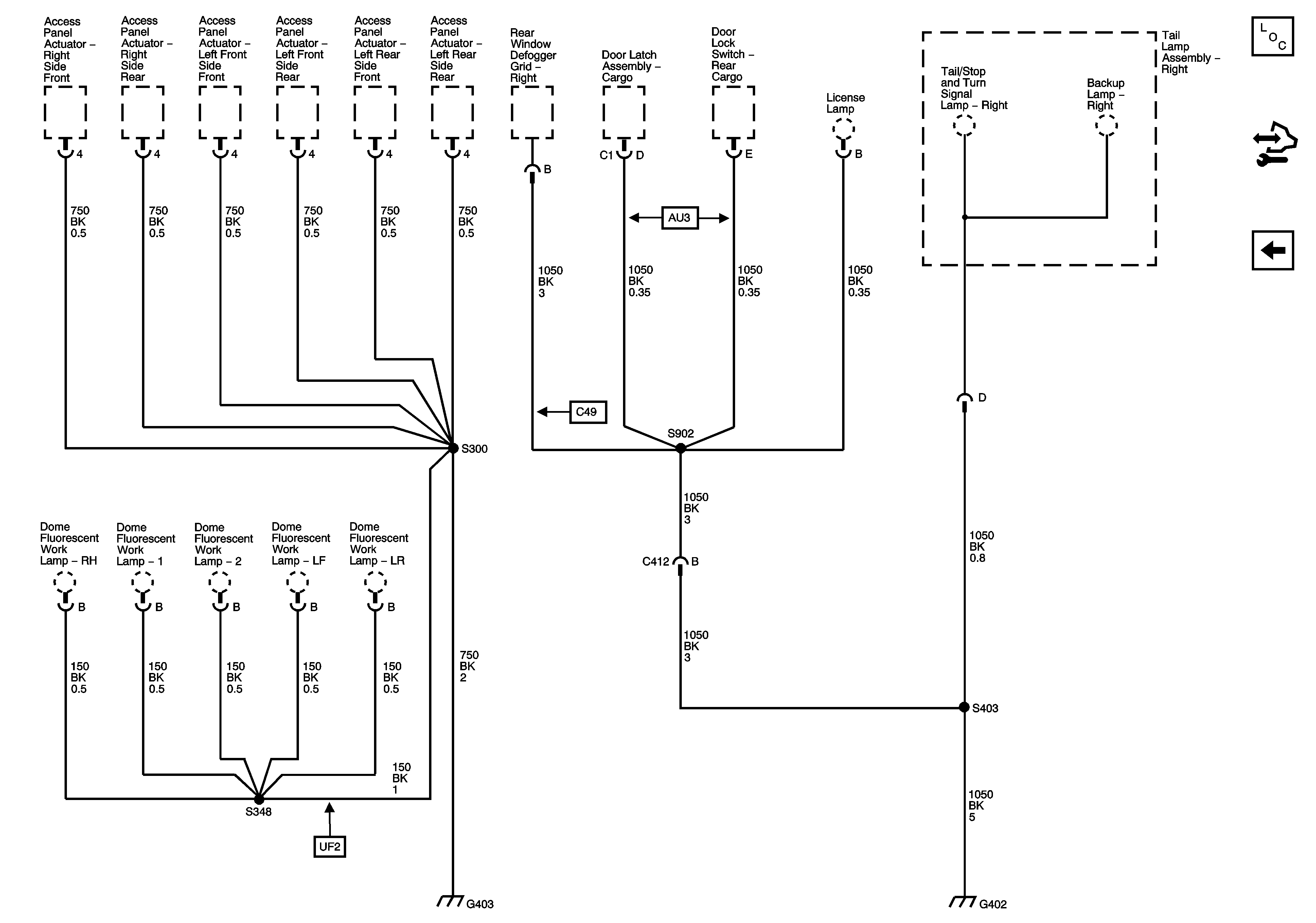
G402 - Passenger/Cargo and G403 - PRP
G400
Figure 11:

G402 - Passenger/Cargo and G403 - PRP


Object Number: 1395842  Size: FS
Master Electrical Component List
Control Module References
G401 - Passenger/Cargo