GM Service Manual Online
For 1990-2009 cars only
Makes
🢒
GMC_Truck
🢒
2005
🢒
Savana
🢒
Transmission/Transaxle
🢒
Automatic Transmission - 4L60-E/4L65-E
🢒 Automatic Transmission Controls Schematics
Figure
1:
Shift Controls and Stop Lamp Switch
Master Electrical Component List
Electronic Component Description
Control Module References
Pressure Controls, Temperature and VSS
OBD II Symbol Description Notice
Ignition Switch - ACCY/RUN, RUN/START Bus Bars and IGN B Fuse
IGN E, ISRV, SIR, SPARE andTBC IGN 1 Fuses
BRKS, CRANK, FR WPR, HVAC, IGN 0 and TBC ACC Fuses
BRKS, CRANK, FR WPR, HVAC, IGN 0 and TBC ACC Fuses
w/o JL4
Power, Ground, Serial Data, Indicator and Stop lamp Switch - w/o JL4
Figure
2:
Pressure Controls, Temperature and VSS
Master Electrical Component List
Electronic Component Description
Control Module References
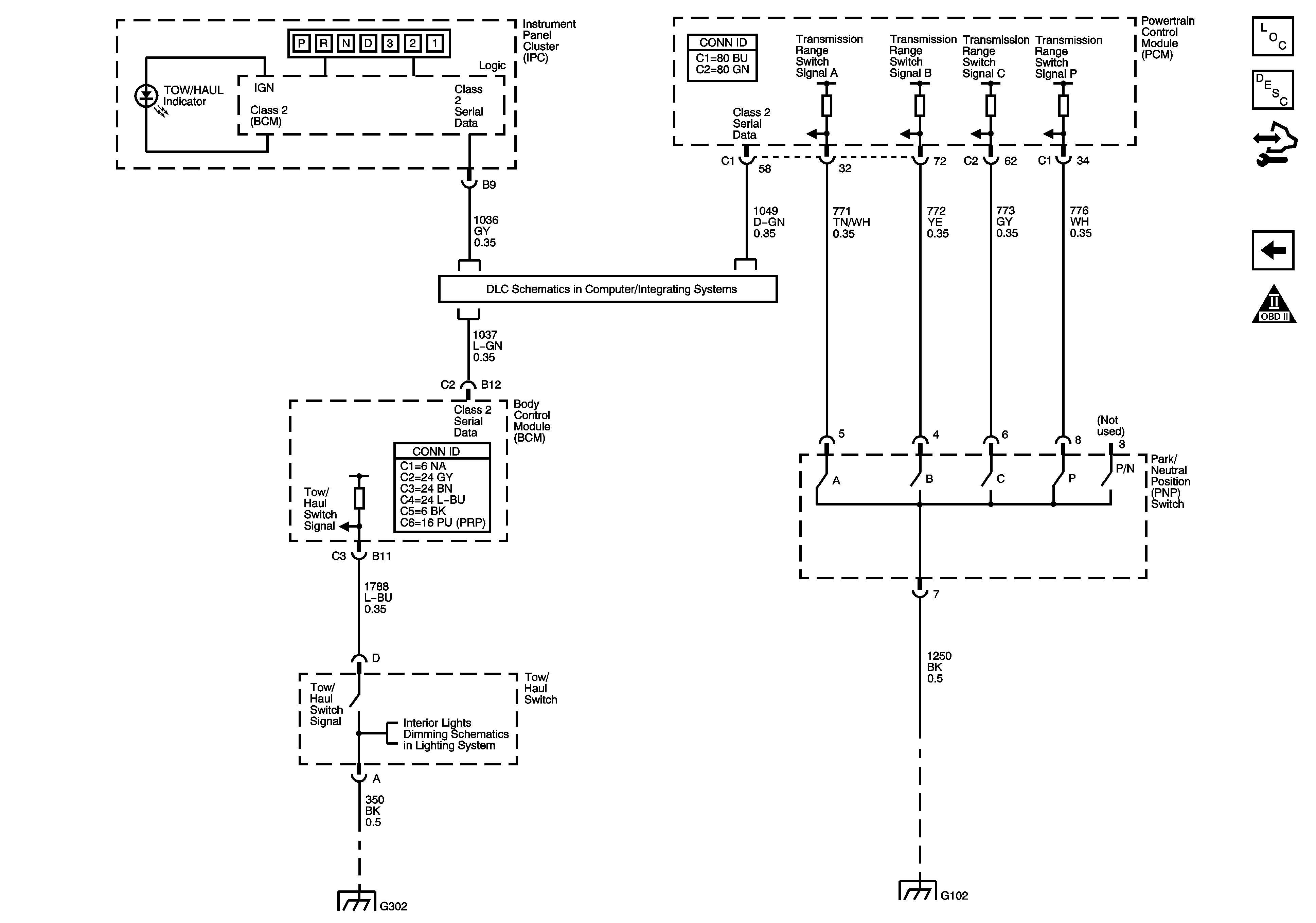
PNP Switch, Serial Data and Indicator
Shift Controls and Stop Lamp Switch
OBD II Symbol Description Notice
Automatic Transmission Schematic Icons
Figure
3:
PNP Switch, Serial Data and Indicator
Master Electrical Component List
Electronic Component Description
Control Module References
Pressure Controls, Temperature and VSS
OBD II Symbol Description Notice
Data Link Connector (DLC) Schematics
I/P Dimming Supply Voltage - 1 of 3 and LED Dimming Supply Voltage
G302
G102