GM Service Manual Online
For 1990-2009 cars only
Makes
🢒
GMC_Truck
🢒
2005
🢒
Savana
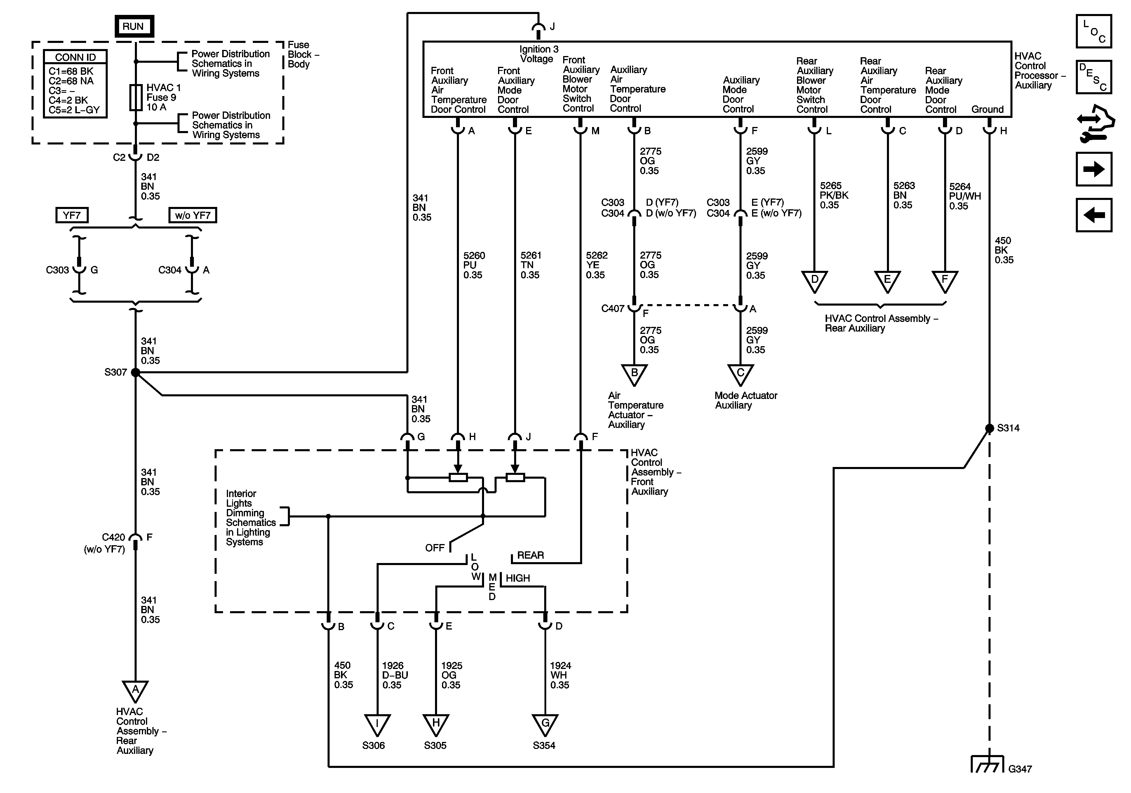
🢒 Rear HVAC with Rear Auxiliary Controls (C69) - 1 of 3
Rear HVAC with Rear Auxiliary Controls (C69) - 1 of 3
Rear HVAC with Rear Auxiliary Controls (C69) - 1 of 3
Master Electrical Component List
Air Delivery Description and Operation
Control Module References
Rear HVAC with Rear Auxiliary Controls (C69) - 2 of 3
Compressor Controls (C60)
Ignition Switch - ACCY/RUN, RUN/START Bus Bars and IGN A Fuse
HVAC 1 Fuse
Rear HVAC with Rear Auxiliary Controls (C69) - 2 of 3
Rear HVAC with Rear Auxiliary Controls (C69) - 3 of 3
Rear HVAC with Rear Auxiliary Controls (C69) - 3 of 3
I/P Dimming Supply Voltage - 3 of 3
Rear HVAC with Rear Auxiliary Controls (C69) - 2 of 3
Rear HVAC with Rear Auxiliary Controls (C69) - 2 of 3
Rear HVAC with Rear Auxiliary Controls (C69) - 2 of 3
Rear HVAC with Rear Auxiliary Controls (C69) - 2 of 3
G347 - 3 of 3