GM Service Manual Online
For 1990-2009 cars only

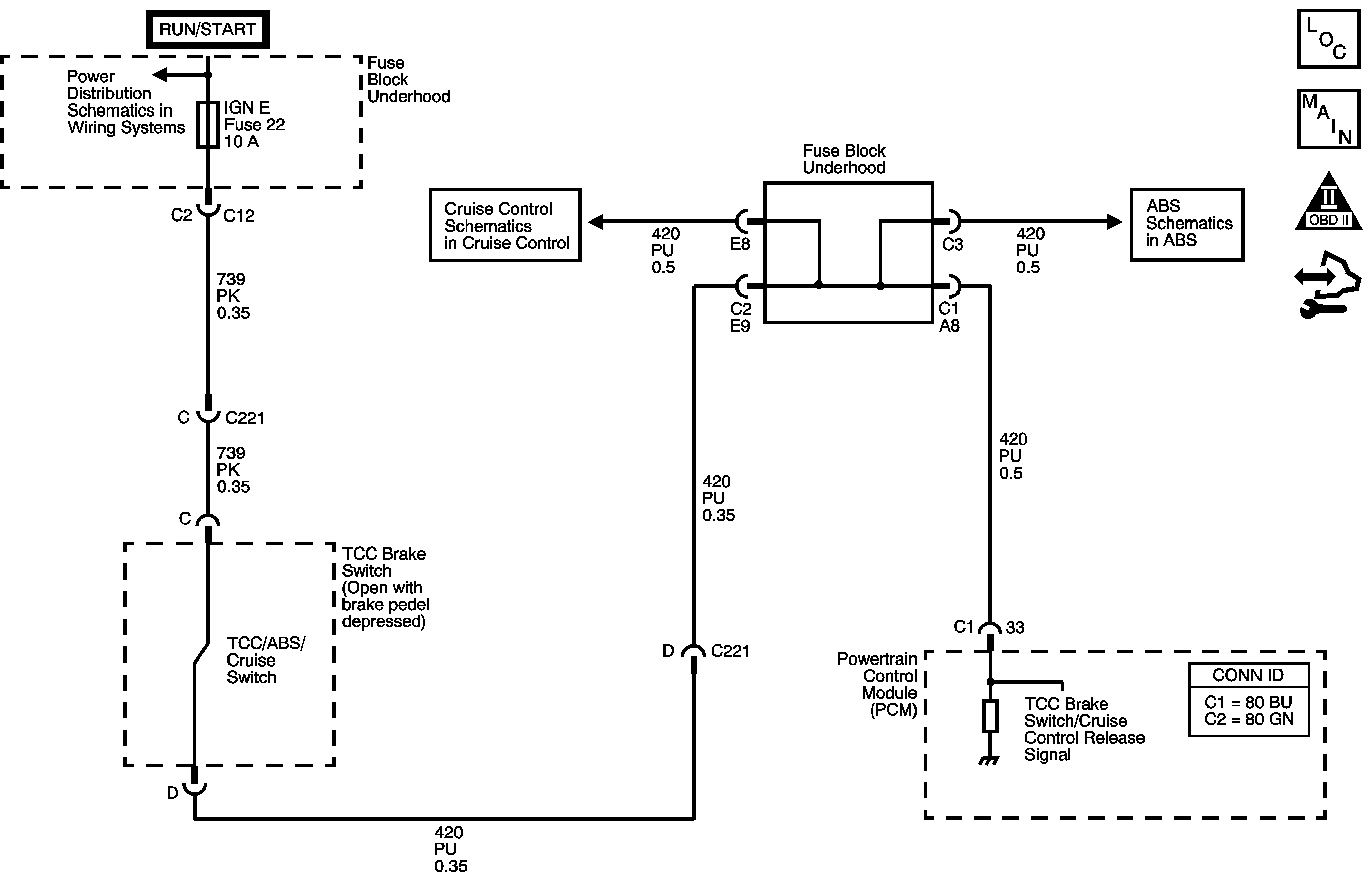
Object Number: 1455564  Size: MF
Master Electrical Component List
Automatic Transmission Controls Schematics
OBD II Symbol Description Notice
Control Module References

Circuit Description

The torque converter clutch (TCC) brake switch indicates the brake pedal status. The normally closed TCC brake switch supplies a B+ signal to the powertrain control module (PCM). The signal voltage circuit opens when the brakes are applied.

If the PCM detects a closed TCC brake switch during decelerations, then DTC P0724 sets. DTC P0724 is a type C DTC.

DTC Descriptor

This diagnostic procedure supports the following DTC:

DTC P0724 Brake Switch Circuit High Voltage

Conditions for Running the DTC

    • No VSS DTCs.
    • The ignition switch is in the ON position.
    • The system voltage is 8-12 volts.

Conditions for Setting the DTC

DTC P0724 sets if the PCM detects a closed brake switch or circuit, 12 volts, during vehicle deceleration and the following conditions occur ten times:

    • The vehicle speed is greater than 40 km/h (25 mph) for 7 seconds.
    • Then, the vehicle speed is 8-40 km/h (5-25 mph) for 2.5 seconds.
    • Then, the vehicle speed is less than 8 km/h (5 mph).

Action Taken When the DTC Sets

    • The PCM does not illuminate the malfunction indicator lamp (MIL).
    • The PCM records the operating conditions when the Conditions for Setting the DTC are met. The PCM stores this information as Failure Records.
    • The PCM stores DTC P0724 in PCM history.

Conditions for Clearing the DTC

    • A scan tool clears the DTC from PCM history.
    • The PCM clears the DTC from PCM history if the vehicle completes 40 warm-up cycles without a non-emission related diagnostic fault occurring.
    • The PCM cancels the DTC default actions when the fault no longer exists and the ignition switch is OFF long enough in order to power down the PCM.

Diagnostic Aids

Inspect the brake switch for proper mounting and operation.

Test Description

The number below refers to the step number on the diagnostic table.

  1. This step isolates the TCC Brake switch as a source for setting the DTC.

Step

Action

Yes

No

1

Did you perform the Diagnostic System Check - Vehicle?

Go to Step 2

Go to Diagnostic System Check - Vehicle in Vehicle DTC Information

2

  1. Install a scan tool.
  2. Turn ON the ignition, with the engine OFF.
  3. Important: Before clearing the DTCs, use the scan tool in order to record the Failure Records. Using the Clear Info function erases the Failure Records from the PCM.

  4. Record the Failure Records.
  5. Clear the DTCs.
  6. Caution: Refer to SIR Caution in the Preface section.

  7. Select TCC Brake switch on the scan tool.
  8. Do not apply the brake pedal.
  9. With the brake pedal not applied, note the TCC brake switch status.
  10. Apply the brake pedal.

Did the TCC Brake switch status change from CLOSED to OPEN?

Go to Intermittent Conditions in Engine Controls - 4.8L, 5.3L, and 6.0L

Go to Step 3

3

  1. Turn OFF the ignition.
  2. Disconnect the TCC Brake switch connector from the brake switch.
  3. Turn ON the ignition, with the engine OFF.

Did the TCC Brake switch status change from CLOSED to OPEN?

Go to Step 4

Go to Step 5

4

Replace the stop lamp switch. Refer to Stop Lamp Switch Replacement in Lighting Systems.

Did you complete the replacement?

Go to Step 7

--

5

Important: The condition that affects this circuit may exist in other connecting branches of the circuit. Refer to Power Distribution Schematics in Wiring Systems for complete circuit distribution.

Test the TCC brake switch signal circuit for a short to voltage. Refer to Testing for a Short to Voltage and Wiring Repairs in Wiring Systems.

Did you find and correct the condition?

Go to Step 7

Go to Step 6

6

Replace the PCM. Refer to Control Module References in Computer/Integrating Systems for replacement, set-up, and programming.

Did you complete the replacement?

Go to Step 7

--

7

Perform the following procedure in order to verify the repair:

  1. Select DTC.
  2. Select Clear Info.
  3. Depress the vehicle brake pedal 2 consecutive times.
  4. Observe the TCC Brake switch status on the scan tool.

Does the scan tool TCC Brake switch status change from CLOSED to OPEN?

Go to Step 8

Go to Step 2

8

With the scan tool, observe the stored information, capture info and DTC info.

Does the scan tool display any DTCs that you have not diagnosed?

Go to Diagnostic Trouble Code (DTC) List - Vehicle in Vehicle DTC Information

System OK