GM Service Manual Online
For 1990-2009 cars only
Makes
🢒
GMC_Truck
🢒
2007
🢒
Savana
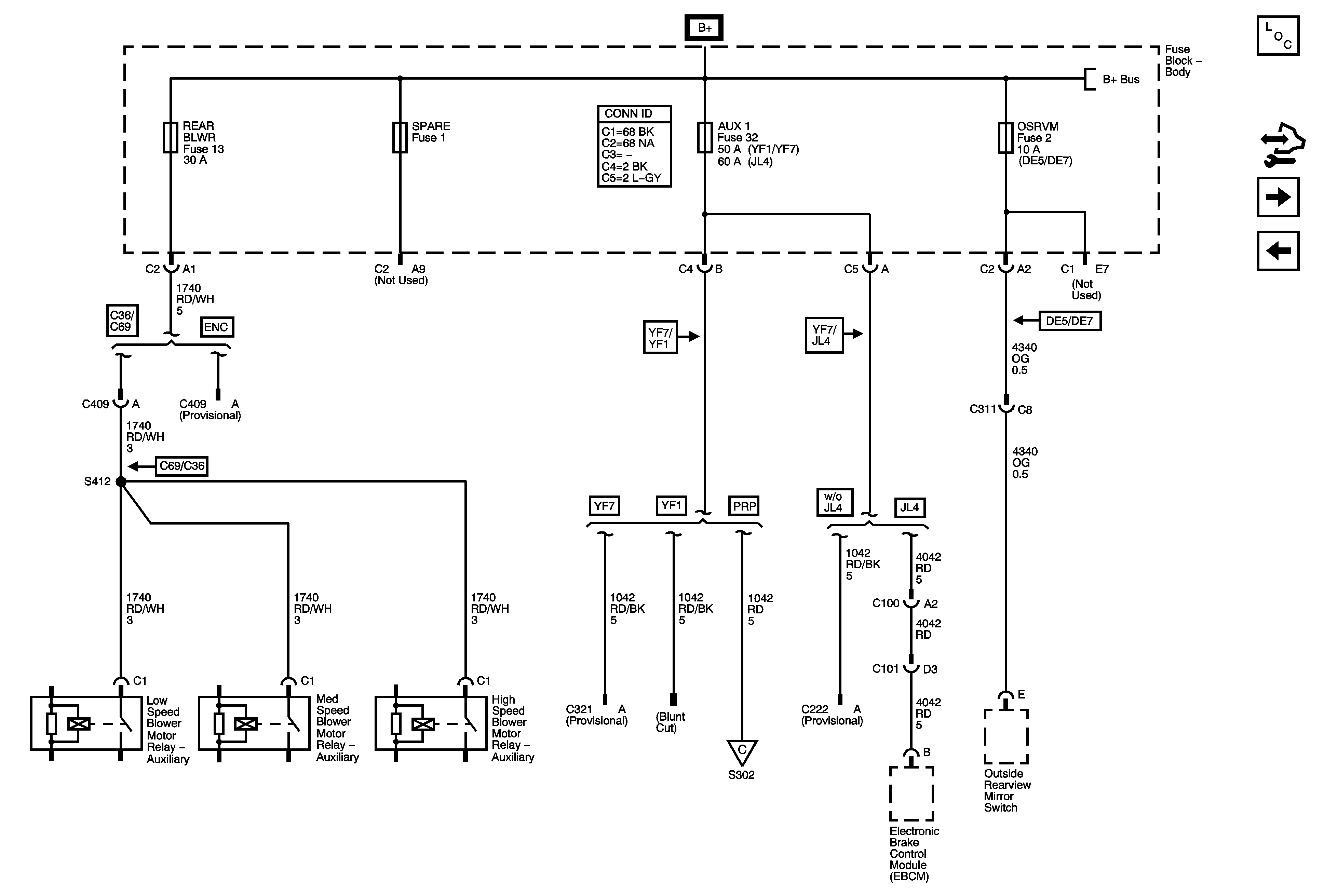
🢒 AUX 1, OSRVM, REAR BLWR and SPARE Fuses
AUX 1, OSRVM, REAR BLWR and SPARE Fuses
AUX 1, OSRVM, REAR BLWR, and SPARE Fuses
Master Electrical Component List
Control Module References
DOME FLUORESCENT WORK LAMPS and PANEL ACTUATOR Fuses
HAZRD, RDO BATT, RFA, REAF DEF/HTD MIR, TBC, TBC 2, TBC 3, TBC 4, TRLR STOP/TRN Fuses and PWR SEAR Circuit Breaker
B+ Bus - Body Fuse Block
DOME FLUORESCENT WORK LAMPS and PANEL ACTUATOR Fuses